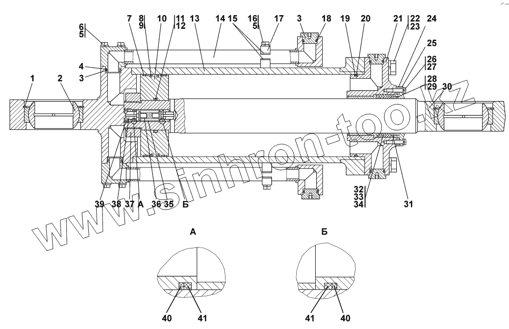
Каталог запасных частей к технике: Промтрактор ПК-12.02К. Гидроцилиндр
412701-95-20-20СП(SP)
412701-95-20СП(SP)
1
1
2
3
3
4
5
5
6
6
7
8
9
10
11
12
13
14
14
15
15
16
16
17
17
18
18
19
20
21
22
22
23
23
24
25
26
26
27
28
28
29
29
30
30
31
31
32
32
33
33
34
34
35
36
37
38
39
40
40
41
41
| Позиция на иллюстрации | Заводской номер детали | Название детали | |
|---|---|---|---|
| 412701-95-20-20СП(SP) | 412701-95-20-20СП(SP) | Гидроцилиндр | |
| 412701-95-20СП(SP) | 412701-95-20СП(SP) | Гидроцилиндр | |
| 1 | 580910-20 | Кольцо | |
| 1 | 580910-10 | Кольцо | |
| 2 | ГОСТ3635-78 | Подшипник | |
| 3 | 042-050-46-2-51-1668 | Кольцо ГОСТ 18829-73/ТУ 38.005.204-84 | |
| 4 | 440005 | Шайба защитная | |
| 5 | ГОСТ6402-70 | Шайба | |
| 6 | 280570 | Болт М16х1,5-6gх105.88.40Х019 ГОСТ 7795-70 | |
| 6 | 280570-20 | Болт М16х1,5-6gх105.88.40Х029 ГОСТ 7795-70 | |
| 7 | 5001-98-601 | Кольцо опора | |
| 8 | 5001-98-602 | Кольцо уплотнительное | |
| 9 | ГОСТ18829-73 | Кольцо | |
| 10 | 412701-95-61-01 | Поршень | |
| 11 | 412701-95-97 | Кольцо защитное | |
| 12 | 090-100-58-2-51-1668 | Кольцо 090-100-58-2-51-1668 | |
| 13 | 412701-95-21СП(SP) | Корпус | |
| 14 | 412701-95-24СП(SP) | Трубопровод | |
| 14 | 412701-95-24-20СП-20SP | Трубопровод | |
| 15 | 412701-95-65 | Прокладка | |
| 15 | 412701-95-65-20 | Прокладка | |
| 16 | 280562 | Болт М16х1,5х75 ГОСТ 7796-70 | |
| 16 | 280562-20 | Болт М16х1,5х75 ГОСТ 7796-70 | |
| 17 | 412701-95-64 | Планка | |
| 17 | 412701-95-64-20 | Планка | |
| 18 | 25-26-207 | Заглушка | |
| 18 | 25-26-207-20 | Заглушка | |
| 19 | 270-280-58-2-3 | Кольцо ГОСТ 18829-73 | |
| 20 | 412701-95-68 | Кольцо защитное | |
| 21 | 412701-95-23СП(SP) | Крышка | |
| 22 | 280960 | Болт М30х2-6gх130.109.40Х019 ГОСТ 7796-70 | |
| 22 | 280960-20 | Болт М30х2-6gх130.109.40Х029 ГОСТ 7796-70 | |
| 23 | 315412 | Шайба | |
| 23 | 315412-20 | Шайба | |
| 24 | 5001-98-610 | Прокладка | |
| 25 | 5001-98-609 | Скребок | |
| 26 | 280361 | Болт М12х1,25-6gх45.109.40Х019 ГОСТ 7796-70 | |
| 26 | 280361-20 | Болт М12х 1,25-6gх45.109.40Х029 ГОСТ 7796-70 | |
| 27 | ГОСТ6402-70 | Шайба | |
| 28 | 5001-98-612 | Чистик | |
| 28 | 5001-98-612-20 | Чистик | |
| 29 | 5001-98-611 | Чистик | |
| 29 | 5005-98-611-20 | Чистик | |
| 30 | 412701-95-95 | Шток | |
| 30 | 412701-95-95-20 | Шток | |
| 31 | 412701-95-66 | Кольцо | |
| 31 | 412701-95-66-20 | Кольцо | |
| 32 | КН120x150-2 | Кольцо | |
| 32 | КН120x150-2-Т-III-2-100 | Кольцо нажимное | |
| 33 | КО120x150-2 | Кольцо опорное | |
| 33 | КО 120x150-2-Т-III-2-100 | Кольцо | |
| 34 | М120x150-2 | Кольцо | |
| 34 | М120x150-2-Т-III-2-100 | Манжета | |
| 35 | 525540-02 | Проставка | |
| 36 | 385438 | Пружина | |
| 37 | 5001-98-606 | Гайка | |
| 38 | 46-26-631-01СП(SP) | Клапан | |
| 39 | 2601-26-9 | Заглушка | |
| 40 | 2601-26-25 | Шайба защитная | |
| 41 | 034-040-36-2-51-1668 | Кольцо 034-040-36-2-51-1668 |
Содержащиеся в справочниках-каталогах запасные части и детали не предлагаются к продаже, а носят исключительно информационный характер