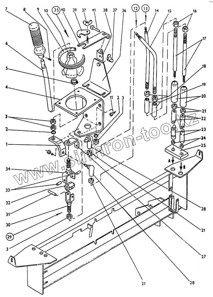
Каталог запасных частей к технике: ППС Детва УНС-061. Управление распределителем
1
2
2
3
3
3
4
5
6
7
8
9
10
11
12
13
14
15
16
17
18
19
20
21
21
21
22
23
24
25
27
28
28
29
30
31
32
33
34
35
36
37
37
38
39
40
41
| Позиция на иллюстрации | Заводской номер детали | Название детали | |
|---|---|---|---|
| 1 | 533-0-62-21-324-1 | Угловой рычаг | |
| 2 | SТN 02 1740.05 | Шай6а 10 | |
| 3 | SТN 02 1401.25 | Гайка М6 | |
| 4 | 533-0-62-21-141-1 | Консоль левая | |
| 5 | 548 241 571 | Скобка шланга | |
| 6 | 533-0-62-21-334-2 | Штанга | |
| 7 | 533-0-62-21-230-1 | Рукоятка | |
| 8 | SТN 02 1183.20 | Винт М5х8 | |
| 9 | 273 239 155 203 | Бортовка (см) | |
| 10 | 533-9-62-21-430-1 | Пылезащитный колпак | |
| 11 | SТN 02 1151.25 | Винт М4х8 | |
| 12 | 533-9-62-21-485-1 | Тяга | |
| 13 | 533-9-62-21-480-1 | Тяга | |
| 14 | 533-0-62-21-482-1 | Штанга | |
| 15 | 533-0-62-21-486-1 | Стержень | |
| 16 | SТN 02 1401.15 | Гайка | |
| 17 | 533-0-62-21-481-1 | Тяга | |
| 18 | SТN 02 1401.15 | Гайка | |
| 19 | 533-0-62-21-483-1 | Гайка | |
| 20 | 533-0-62-21-309-1 | Предохранитель | |
| 21 | SТN 02 1401.15 | Гайка | |
| 22 | 533-0-62-21-308-1 | Муфта | |
| 23 | 533-0-62-21-342-1 | Муфта | |
| 24 | SТN 02 3401.15 | Гайка М6 | |
| 25 | 533-0-62-21-332-1 | Уплотнение | |
| 27 | 533-0-62-21-323-1 | Угловой рычаг | |
| 28 | 533-0-62-21-005-1 | Угловой шарнир | |
| 29 | 533-9-62-21-085-1 | Шарик | |
| 30 | 533-9-62-21-090-1 | Вилка | |
| 31 | 533-0-62-21-097-1 | Палец | |
| 32 | 533-0-62-21-095-1 | Корпус | |
| 33 | 533-0-62-21-096-1 | Цапфа | |
| 34 | 533-9-62-21-086-1 | Вилка | |
| 35 | 533-9-62-21-781-1 | Консоль | |
| 36 | 533-9-62-21-782-1 | Консоль | |
| 37 | SТN 02 1665.00 | Гайка М6 | |
| 38 | 533-0-62-21-786-1 | Держатель | |
| 39 | 533-0-62-21-787-1 | Подвеска | |
| 40 | 533-9-62-21-784-1 | Держатель | |
| 41 | 533-0-62-21-788-1 | Палец |
Содержащиеся в справочниках-каталогах запасные части и детали не предлагаются к продаже, а носят исключительно информационный характер