Каталог запасных частей к технике: ППС Детва УНС-061. Управление распределителем
1
1
1
1
1
1
1
1
1
1
1
1
1
2
3
4
5
6
7
8
9
10
11
12
13
14
14
14
15
15
15
16
17
17
18
19
20
20
21
21
22
23
24
25
26
26
26
26
27
28
29
29
30
31
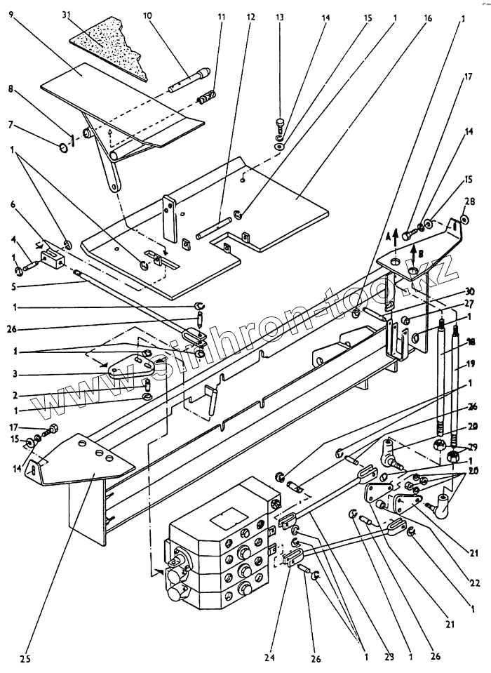
| Позиция на иллюстрации | Заводской номер детали | Название детали | |
|---|---|---|---|
| 1 | SТN 02 2929.00 | Стопорное кольцо 7 | |
| 2 | 533-0-62-21-378-1 | Палец | |
| 3 | 533-0-62-21-301-1 | Рычаг | |
| 4 | 533-0-62-21-615-1 | Палец | |
| 5 | 533-9-62-21-065-1 | Тяга | |
| 6 | 533-0-05-21-288-1 | Вилка | |
| 7 | 9311 11-SН/30 | Кольцо | |
| 8 | SТN 02 2150.1 | Штифт 3х16 | |
| 9 | 533-9-62-21-055-1 | Педаль | |
| 10 | 533-0-62-21-310-1 | Штифт | |
| 11 | 533-0-62-21-712-1 | Пружина | |
| 12 | 533-0-62-21-315-1 | Палец | |
| 13 | SТN 02 1103.25 | Винт М6х14 | |
| 14 | SТN 02 1740.05 | Шай6а 10 | |
| 15 | SТN 02 1702.15 | Шайба | |
| 16 | 533-9-62-21-035-1 | Пол | |
| 17 | SТN 02 1103.25 | Винт М6х14 | |
| 18 | 533-0-62-21-306-1 | Тяга | |
| 19 | 533-0-62-21-307-1 | Тяга | |
| 20 | 533-0-62-21-005-1 | Угловой шарнир | |
| 21 | 533-0-62-21-302-1 | Рычаг | |
| 22 | 533-0-62-21-231-1 | Распорка | |
| 23 | 533-9-62-21-070-1 | Тяга | |
| 24 | 533-9-62-21-075-1 | Тяга | |
| 25 | 533-9-62-21-810-1 | Рама управления | |
| 26 | 533-0-62-21-313-1 | Цапфа | |
| 27 | 533-0-62-21-232-1 | Распорка | |
| 28 | 729-62-365 | Шайба | |
| 29 | SТN 02 1401.15 | Гайка | |
| 30 | 533-0-62-21-317-1 | Цапфа | |
| 31 | 533-0-62-21-205-1 | Резина пола |
Содержащиеся в справочниках-каталогах запасные части и детали не предлагаются к продаже, а носят исключительно информационный характер