Каталог запасных частей к технике: ППС Детва УНС-061. Управление хода
1
2
2
3
3
4
4
5
5
6
6
7
8
8
9
10
11
12
13
14
15
16
17
18
19
19
20
20
21
22
23
23
24
25
26
27
28
29
30
31
32
33
34
35
36
37
38
39
40
41
42
43
44
44
45
45
46
47
48
49
50
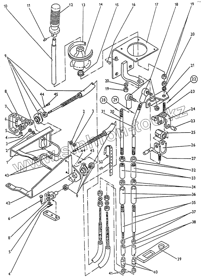
| Позиция на иллюстрации | Заводской номер детали | Название детали | |
|---|---|---|---|
| 1 | 533-9-62-21-140-2 | Консоль левая | |
| 2 | SТN 02 1740.15 | Шайба | |
| 3 | SТN 02 1401.25 | Гайка М6 | |
| 4 | SТN 02 1781.05 | Шплинт | |
| 5 | SТN 02 1702.15 | Шайба | |
| 6 | 533-0-62-21-470-1 | Палец | |
| 7 | 533-9-62-21-167-1 | Рычаг | |
| 8 | 533-0-62-21-337-1 | Вилка | |
| 9 | 173-L-RR-75-1450 | Трос | |
| 10 | 533-0-62-21-334-2 | Штанга | |
| 11 | SТN 02 1183.25 | Винт | |
| 12 | 533-0-62-21-230-3 | Рукоятка | |
| 13 | ОN 63 3882.1 | Уплотнение 6х10-10 | |
| 14 | 533-9-62-21-430-1 | Пылезащитный колпак | |
| 15 | 548 241 571 529 | Скобка шланга | |
| 16 | SТN 02 1151.25 | Винт М4х8 | |
| 17 | 533-9-62-21-120-1 | Консоль | |
| 18 | 533-0-62-21-005-1 | Угловой шарнир | |
| 19 | SТN 02 1401.25 | Гайка М6 | |
| 20 | SТN 02 1740.05 | Шай6а 10 | |
| 21 | 533-0-62-21-325-1 | Угольный рычаг | |
| 22 | 533-9-62-21-085-1 | Шарик | |
| 23 | 533-0-62-21-096-1 | Цапфа | |
| 24 | 533-0-62-21-086-1 | Вилка | |
| 25 | 533-0-62-21-095-1 | Корпус | |
| 26 | 533-9-62-21-090-1 | Вилка | |
| 27 | 533-0-62-21-097-1 | Палец | |
| 28 | 533-9-62-21-490 | Тяга | |
| 29 | 533-9-62-21-487-1 | Тяга | |
| 30 | 533-0-62-21-491-1 | Стержень | |
| 31 | 533-0-62-21-486-1 | Стержень | |
| 32 | SТN 02 1401.15 | Гайка | |
| 33 | 533-0-62-21-483-1 | Гайка | |
| 34 | SТN 02 1401.15 | Гайка | |
| 35 | 533-0-62-21-481-1 | Тяга | |
| 36 | 533-0-62-21-309-1 | Предохранитель | |
| 37 | SТN 02 1401.15 | Гайка | |
| 38 | 533-0-62-21-308-1 | Муфта | |
| 39 | 533-0-62-21-014-1 | Уплотнение | |
| 40 | 533-0-62-21-342-1 | Муфта | |
| 41 | SТN 02 1401.15 | Гайка | |
| 42 | 533-9-62-21-160-2 | Консоль | |
| 43 | 533-0-62-21-336-1 | Хомут | |
| 44 | SТN 02 1140.00 | Шайба 6 | |
| 45 | SТN 02 1103.25 | Винт М6х14 | |
| 46 | 175-402-002 | Шарикоподшипник | |
| 47 | 900 В 5002-000-51 | Гайка | |
| 48 | 900 В 3200-000-01 | Пылезащитный колпак | |
| 49 | 283 429 600 185 (ОNL 345) | Перфолента | |
| 50 | 321 840 811 005 (ОNL 3451.1) | Кнопка |
Содержащиеся в справочниках-каталогах запасные части и детали не предлагаются к продаже, а носят исключительно информационный характер