Каталог запасных частей к технике: ППС Детва УНС-061. Топливная система
1
3
4
5
6
7
8
9
10
11
13
14
15
16
17
18
19
20
21
22
23
24
24
25
25
26
27
28
28
28
28
29
30
31
32
33
34
34
34
34
34
34
35
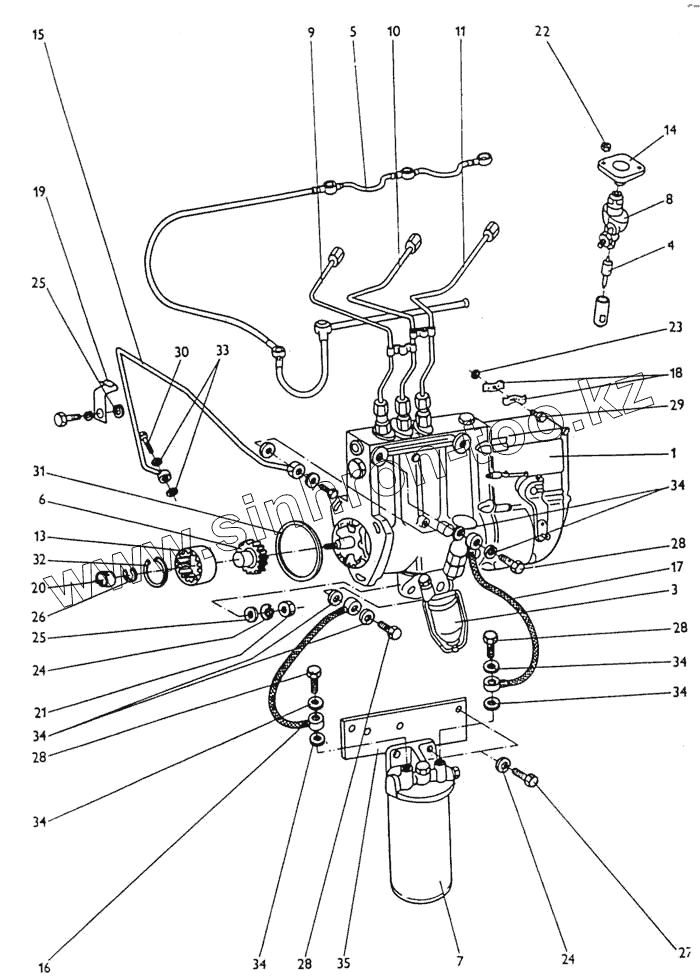
| Позиция на иллюстрации | Заводской номер детали | Название детали | |
|---|---|---|---|
| 1 | 750-962052 | Регулятор | |
| 2 | 750-965050 | Подающий насос | |
| 3 | 336-9680000 | Фильтр очистки топлива | |
| 4 | 68014-36 (750-967154) | Сопло | |
| 5 | 5001 0881 | Отвод топлива | |
| 6 | 5001 0831 | Шлицевая муфта | |
| 7 | 73.009.094 | Одноступенчатый фильтр отстойник | |
| 8 | 750-966055 | Впрыскиватель VА 2682 | |
| 9 | 7001 0894 | Впрыскивающая трубка 1-го цилиндра | |
| 10 | 7001 0896 | Впрыскивающая трубка 2-го цилиндра | |
| 11 | 7001 0897 | Впрыскивающая трубка 3-го цилиндра | |
| 13 | 95 0836 | Пропазованная обойма | |
| 14 | 95 0825 | Хомут | |
| 15 | 7001 0885 | Маслянная трубка | |
| 16 | 7101 0886 | Подвод | |
| 17 | 7001 0887 | Подвод | |
| 18 | 7001 0893 | Держатель | |
| 19 | 7001 0883 | Скобка | |
| 20 | 95 0835 | Гайка М12х1,5 | |
| 21 | 99 3611 | Гайка М10 | |
| 22 | 99 3610 | Гайка М8 | |
| 23 | 99 3508 | Гайка М5 | |
| 24 | 99 4807 | Шайба 10,2 | |
| 25 | 99 4310 | Шайба 10,5 | |
| 26 | 99 4608 | Шайба 12,2 | |
| 27 | 99 9028 | Болт М10х22 | |
| 28 | 97 2467 | Болт 6 | |
| 29 | 99 0968 | Болт М5х16 | |
| 30 | 97 2461 | Болт 3 | |
| 31 | 97 4524 | Кольцо 75х3 | |
| 32 | 97 0290 | Предохранительное кольцо 37 | |
| 33 | 97 2176 | Уплотнительное кольцо 8х12 | |
| 34 | 97 2182 | Уолотнительное кольцо 12х16 | |
| 35 | 7101 0801 | Держатель топливного фильтра |
Содержащиеся в справочниках-каталогах запасные части и детали не предлагаются к продаже, а носят исключительно информационный характер