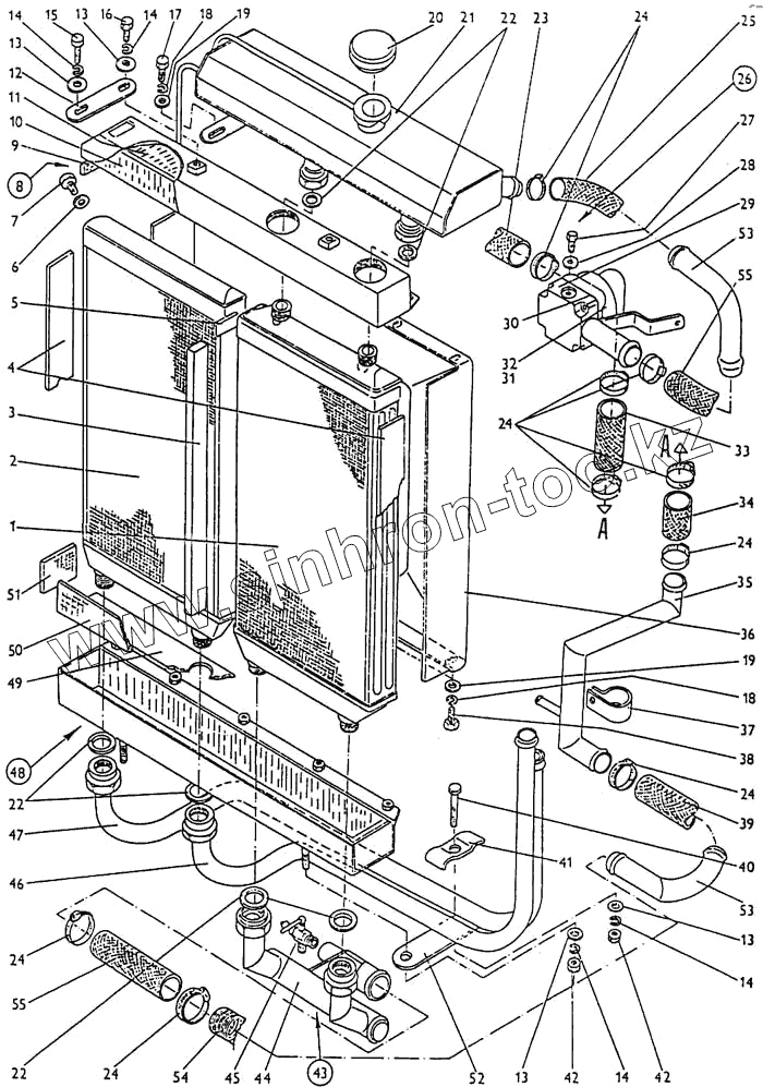
Каталог запасных частей к технике: ППС Детва УНС-061. Система охлаждения
1
2
3
4
5
6
7
8
9
10
11
12
13
13
13
13
14
14
14
14
15
16
17
18
18
19
19
20
21
22
22
22
23
24
24
24
24
24
24
25
26
27
28
29
30
31
32
33
34
35
36
37
38
39
40
41
42
42
43
44
45
46
47
48
49
50
51
52
53
53
54
55
55
| Позиция на иллюстрации | Заводской номер детали | Название детали | |
|---|---|---|---|
| 1 | 443 511 385 109 (9674.92) | Водоохладитель | |
| 2 | 443 512 306 109 (9677.11) | Маслоохладитель | |
| 3 | 533-0-62-22-155-1 | Уплотнение | |
| 4 | 533-0-62-22-156-1 | Уплотнение | |
| 5 | 533-0-62-22-010-1 | Уплотнение | |
| 6 | SТN 02 9310.2 | Кольцо уплотнительное 30х36 | |
| 7 | 533-0-62-22-125-1 | Пробка | |
| 8 | 533-9-62-22-030-3 | Держатель | |
| 9 | 533-0-62-22-038-1 | Уплотнение | |
| 10 | 533-0-62-22-039-1 | Уплотнение | |
| 11 | 533-0-62-22-036-1 | Уплотнение | |
| 12 | 533-0-62-22-201-1 | Консоль | |
| 13 | 02 1702.15 | Шайба 8,4 | |
| 14 | SТN 02 1740.05 | Шай6а 10 | |
| 15 | SТN 02 1103.25 | Винт М6х14 | |
| 16 | SТN 02 1105.25 | Винт М8х16 | |
| 17 | SТN 02 1103.25 | Винт М6х14 | |
| 18 | SТN 02 1740.15 | Шайба | |
| 19 | SТN 02 1702.15 | Шайба | |
| 20 | 408 8791.04 (ОNА 302630.1) | Пробка | |
| 21 | 533-9-62-22-045-1 | Компенсационный бачок | |
| 22 | 533-0-62-22-106-1 | Кольцо | |
| 23 | 533-0-62-22-095-1 | Шланг | |
| 24 | 548 241 571 533 | Металлический зажим шланга 6 32-50 | |
| 25 | 533-0-62-22-092-2 | Шланг | |
| 26 | 533-9-62-22-050-3 | Трубопровод | |
| 27 | 533-0-62-22-060-1 | Винт | |
| 28 | SТN 02 9310.2 | Кольцо уплотнительное 30х36 | |
| 29 | Трубопровод | Трубопровод | |
| 30 | 531 770 011 301 (4-7001 1306) | Уплотнение | |
| 31 | 533 960 011 301 (6001.1301-1) | Корпус термостата | |
| 32 | 443 900 000 001 (7001.1316) | Термостат | |
| 33 | 533-0-62-22-097-1 | Шланг | |
| 34 | 533-0-62-22-090-1 | Шланг | |
| 35 | 533-9-62-22-070-1 | Трубопровод | |
| 36 | 533-9-62-22-040-3 | Кожух | |
| 37 | 533-0-62-22-137-1 | Скобка | |
| 38 | SТN 02 1103.25 | Винт М6х14 | |
| 39 | 533-0-62-22-098-1 | Шланг ф32/43-480 | |
| 40 | SТN 02 1101.25 | Винт | |
| 41 | 533-0-62-19-755-1 | Скобка | |
| 42 | SТN 02 1401.15 | Гайка | |
| 43 | 533-9-62-22-080-3 | Колено | |
| 44 | Колено | Колено | |
| 45 | 443 761 351 600 | Выпускной клапан | |
| 46 | 533-9-62-22-100-3 | Трубопровод | |
| 47 | 533-9-62-22-115-2 | Трубопровод | |
| 48 | 533-9-62-22-001-1 | Держатель | |
| 49 | 533-0-62-22-022-1 | Уплотнение | |
| 50 | 533-0-62-22-039-1 | Уплотнение | |
| 51 | 533-0-62-22-023-3 | Уплотнение | |
| 52 | 533-0-62-22-154-1 | Держатель | |
| 53 | 533-9-62-22-500-1 | Колено | |
| 54 | 283 321 303 000 | Пружина | |
| 55 | 533-0-62-22-091-2 | Шланг |
Содержащиеся в справочниках-каталогах запасные части и детали не предлагаются к продаже, а носят исключительно информационный характер