Каталог запасных частей к технике: ППС Детва УНС-061. Привод гидрогенераторов
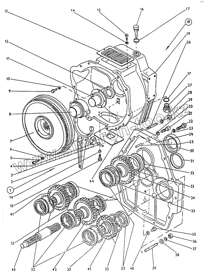
1
2
3
4
5
6
7
8
9
10
11
12
13
14
14
15
15
16
17
17
18
19
20
21
22
23
24
25
26
27
28
29
30
31
32
32
32
33
33
33
33
33
34
35
36
37
38
39
40
41
41
42
43
44
| Позиция на иллюстрации | Заводской номер детали | Название детали | |
|---|---|---|---|
| 1 | 4-6270-29-0 | Вилка в сборе | |
| 2 | 2-6270-23-0 | Вилка | |
| 3 | 4-8244-82-0 | Штифт | |
| 4 | 4-5770-22-0 | Камень | |
| 5 | SТN 02 1143.52 | Винт М10х30 | |
| 6 | SТN 02 1740.02 | Шайба 8 | |
| 7 | 1-8288-95-3 | Маховик с муфтой | |
| 8 | 4-8442-03 | Выключающий подшипник | |
| 9 | SТN 02 1103.12 | Винт М8х16 | |
| 10 | SТN 02 1740.02 | Шайба 8 | |
| 11 | 3-3985-06-0 | Направление сцепления | |
| 12 | SТN 02 9401 | Кольцо Гуферо 52х30х8 | |
| 13 | 3-1601-47-2 | Крышка | |
| 14 | SТN 02 1745.02 | Шайба 6,3 | |
| 15 | SТN 02 1103.15 | Винт М8х16 | |
| 16 | 4-5810-73 | Пробка для выпуска воздуха | |
| 17 | SТN 02 9310.2 | Кольцо уплотнительное 30х36 | |
| 18 | 1-5003-83-0 | Картер | |
| 19 | 1-5003-82-0 | Картер | |
| 20 | SТN 02 1740.05 | Шай6а 10 | |
| 21 | SТN 02 1143.52 | Винт М10х30 | |
| 22 | SТN 02 1101.15 | Винт М10х30 | |
| 23 | SТN 02 1740.05 | Шай6а 10 | |
| 24 | 1-5021-95-0 | Крышка | |
| 25 | SТN 02 2150.2 | Штифт 10х36 | |
| 26 | SТN 02 1176.25 | Винт М10х40 | |
| 27 | SТN 02 1914.21 | Пробка М20х1,5 | |
| 28 | SТN 02 1740.05 | Шай6а 10 | |
| 29 | SТN 02 1401.25 | Гайка М6 | |
| 30 | 4-3932-43-0 | Кольцо | |
| 31 | 4-1530-76-1 | Крышка | |
| 32 | SТN 02 4640 | Подшипник 6210 | |
| 33 | SТN 02 4605 | Кольцо 90 | |
| 34 | 3-3351-61-0 | Шестерня | |
| 35 | SТN 02 1103.15 | Винт М8х16 | |
| 36 | SТN 02 1401.25 | Гайка М6 | |
| 37 | SТN 02 1740. 85 | Шайба 14 | |
| 38 | SТN 02 1721.05 | Шайба 14 | |
| 39 | 1-0405-43-1 | Винт | |
| 40 | SТN 02 9310.2 | Кольцо уплотнительное 30х36 | |
| 41 | 3-3400-53-0 | Шестерня | |
| 42 | 3-3400-54 | Шестерня | |
| 43 | 3-2701-49 | Вал | |
| 44 | 4-1601-77-0 | Крышка |
Содержащиеся в справочниках-каталогах запасные части и детали не предлагаются к продаже, а носят исключительно информационный характер