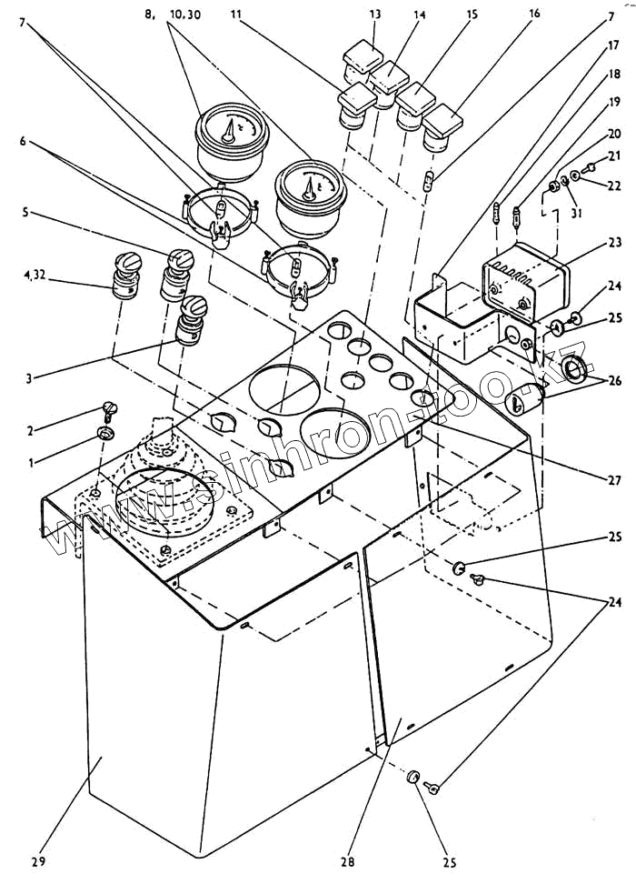
Каталог запасных частей к технике: ППС Детва УНС-061. Приборная панель левая
1
2
3
4
5
6
7
7
8
10
11
13
14
15
16
17
18
19
20
21
22
23
24
24
25
25
25
26
27
28
29
30
31
32
| Позиция на иллюстрации | Заводской номер детали | Название детали | |
|---|---|---|---|
| 1 | 548 425 013 012 | Шайба декоративная КR 6 952/11 | |
| 2 | SТN 02 1155.25 | Винт М6х20 | |
| 3 | SТN 30 4002 | Штепсельная розетка | |
| 4 | SТN 30 4002 | Штепсельная розетка | |
| 5 | SТN 30 4002 | Штепсельная розетка | |
| 6 | 443 924 101 151 | Хомут | |
| 7 | 347 225 232 402 | Лампа 12V/2W | |
| 8 | SТN 30 5100 | Термометр 12V | |
| 10 | SТN 02 1401.25 | Гайка М6 | |
| 11 | SТN 30 4002 | Штепсельная розетка | |
| 13 | SТN 30 4002 | Штепсельная розетка | |
| 14 | SТN 30 4002 | Штепсельная розетка | |
| 15 | SТN 30 4002 | Штепсельная розетка | |
| 16 | SТN 30 4002 | Штепсельная розетка | |
| 17 | 533-9-62-33-010-1 | Консоль | |
| 18 | SТN 30 4470 | Предохранительный вкладыш 8А | |
| 19 | SТN 30 4470 | Предохранительный вкладыш 8А | |
| 20 | SТN 02 1401.15 | Гайка | |
| 21 | SТN 02 1131.25 | Винт М5х16 | |
| 22 | SТN 02 1702.15 | Шайба | |
| 23 | 443 855 072 008 | Ящик предохранителей | |
| 24 | SТN 02 1151.25 | Винт М4х8 | |
| 25 | 548 300 952 001 | Шайба декоративная КR 4 952/11 | |
| 26 | SТN 30 4002 | Штепсельная розетка | |
| 27 | 533-9-62-33-003-1 | Панель левая | |
| 28 | 533-9-62-33-008-1 | Кожух | |
| 29 | 533-0-62-33-018-2 | Кожух | |
| 30 | SТN 02 1740.15 | Шайба | |
| 31 | SТN 02 1740.15 | Шайба | |
| 32 | 443 925 903 016 | Круговое кольцо |
Содержащиеся в справочниках-каталогах запасные части и детали не предлагаются к продаже, а носят исключительно информационный характер