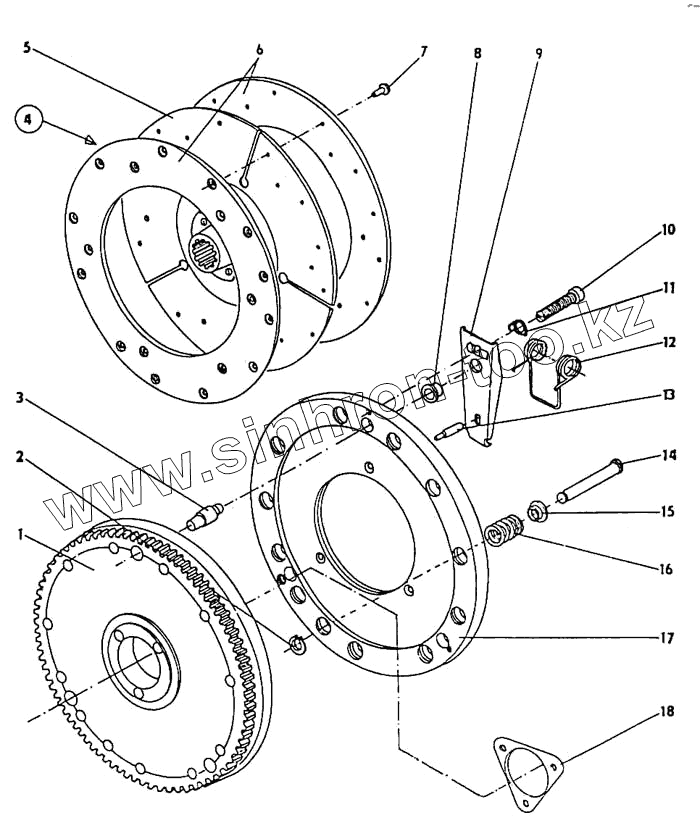
Каталог запасных частей к технике: ППС Детва УНС-061. Маховик с сцеплением
1
2
3
4
5
6
7
8
9
10
11
12
13
14
15
16
17
18
| Позиция на иллюстрации | Заводской номер детали | Название детали | |
|---|---|---|---|
| 1 | 3-5201-26-2 | Маховик с ободом | |
| 2 | SТN 02 2925 | Кольцо стопорное | |
| 3 | 4-3101-30-2 | Опорный штифт | |
| 4 | 2-7770-09-1 | Ведомый диск сцепления | |
| 5 | 2-5490-26-2 | Носитель обкладки | |
| 6 | 2-7811-08-0 | Обкладка сцепления | |
| 7 | SТN 02 2381.7 | Заклепка 5х10 | |
| 8 | 7001 11803 | Вкладыш | |
| 9 | 2-6280-33-2 | Выключающий рычаг | |
| 10 | SТN 02 1143.52 | Винт М10х30 | |
| 11 | 95 1118 | Шайба 3 | |
| 12 | 4-4540-07 | Пружина | |
| 13 | 4-3040-22-1 | Штифт | |
| 14 | 4-3140-73-1 | Цапфа пружины | |
| 15 | 4-7520-25-2 | Миска | |
| 16 | 4-4501-36 | Пружина | |
| 17 | 2-7391-16-2 | Разжимной диск | |
| 18 | 95-0318 | Предохранительное кольцо |
Содержащиеся в справочниках-каталогах запасные части и детали не предлагаются к продаже, а носят исключительно информационный характер