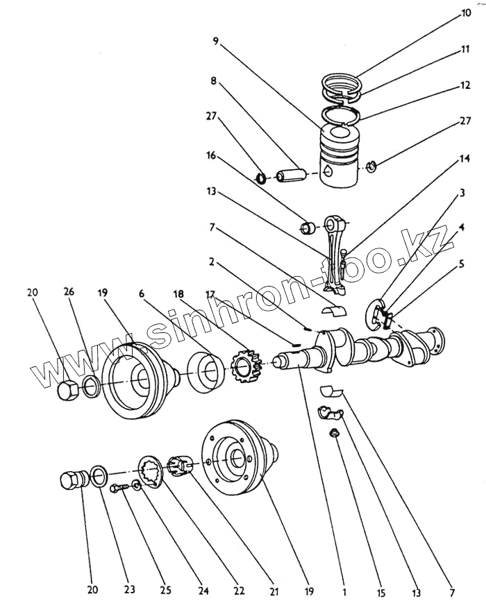
Каталог запасных частей к технике: ППС Детва УНС-061. Кривошипное устройство
1
2
3
4
5
6
7
7
8
9
10
11
12
13
13
14
15
16
17
18
19
19
20
20
21
22
23
24
25
26
27
27
| Позиция на иллюстрации | Заводской номер детали | Название детали | |
|---|---|---|---|
| 5501 0397 | 5501 0397 | Вкладыш шатуна для 3-й перешлифовки цапф | |
| 5501 0399 | 5501 0399 | Вкладьш шатуна для 1-й перешлифовки цапф | |
| 7101 0309 | 7101 0309 | Шатун в сборе | |
| 5501 0398 | 5501 0398 | Вкладыш шатуна для 2-й перешлифовки цапф | |
| 1 | 3001 0301 | Коленчатый вал | |
| 2 | 95 0301 | Пробка коленчатого вала | |
| 3 | 95 0302 | Противовес | |
| 4 | 95 0303 | Винт противовеса | |
| 5 | 95 0304 | Прокладка винта противовеса | |
| 6 | 5501 0303 | Маслоотражатель передний | |
| 7 | 5501 0304 | Вкладыш шатуна | |
| 8 | 6701 0332 | Поршневой палец | |
| 9 | 7201 0303 | Поршенъ | |
| 10 | 6901 0381 | Поршневое кольцо 102х2 | |
| 11 | 7101 0304 | Поршневое кольцо 102х3 | |
| 12 | 6901 0380 | Поршневое кольцо 102х5 | |
| 13 | 7101 0305 | Шатун | |
| 14 | 6901 0386 | Винт шатуна | |
| 15 | 6901 0373 | Гайка винта шатуна | |
| 16 | 95 0311 | Втулка шатуна | |
| 17 | 99 7908 | Шпонка 10h9х8х56 | |
| 18 | 6901 0399 | Распределительное колесо | |
| 19 | 95 0330 | Шкив мотора | |
| 20 | 5501 0310 | Гайка | |
| 21 | 6901 0393 | Конусный элемент | |
| 22 | 6901 0394 | Предохранительный лист | |
| 23 | 97 4513 | Кольцо 42х2 | |
| 24 | 99 4806 | Шайба 8,2 | |
| 25 | 99 9002 | Болт М8х14 | |
| 26 | 95 0321 | Шайба | |
| 27 | 97 0288 | Стопорное кольцо 35 |
Содержащиеся в справочниках-каталогах запасные части и детали не предлагаются к продаже, а носят исключительно информационный характер