Каталог запасных частей к технике: ППС Детва УНС-061. Коробка передач левая
1
2
2
2
3
3
4
4
4
5
5
5
6
7
7
7
8
8
8
9
9
9
10
10
11
11
12
13
13
14
15
16
17
18
18
18
19
20
21
22
23
24
25
26
27
28
29
30
30
31
32
33
34
35
36
37
37
38
39
40
41
42
43
44
45
46
47
48
49
49
50
51
52
53
54
55
56
57
58
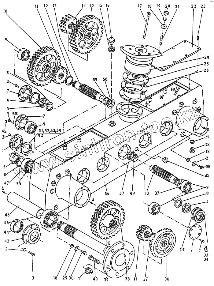
| Позиция на иллюстрации | Заводской номер детали | Название детали | |
|---|---|---|---|
| 1 | 533-0-34-09-053-3 | Крышка | |
| 2 | SТN 02 1740.05 | Шай6а 10 | |
| 3 | SТN 02 1103.55 | Винт М8х30 | |
| 4 | SТN 02 1103.25 | Винт М6х14 | |
| 5 | 533-0-34-09-120-1 | Гайка | |
| 6 | 533-0-34-09-084-2 | Распорное кольцо | |
| 7 | 533-0-34-09-089-4 | Крышка | |
| 8 | SТN 02 3640 | Шайба 8 | |
| 9 | SТN 02 4630 | Подшипник 6208 | |
| 10 | 533-0-34-09-076-3 | Шестерня | |
| 11 | 533-0-34-09-073-1 | Шестерня | |
| 12 | 533-0-34-09-087-2 | Кольцо | |
| 13 | 533-0-34-09-070-4 | Вал | |
| 14 | 533-0-34-09-075-1 | Шестерня | |
| 15 | SТN 02 9310.3 | Кольцо уплотнительное 26х32 | |
| 16 | 533-9-68-20-045-2 | Обезвоздушивающая пробка | |
| 17 | SТN 02 1143.55 | Винт М8х80 | |
| 18 | SТN 02 1702.15 | Шайба | |
| 19 | SТN 02 1740.05 | Шай6а 10 | |
| 20 | SТN 02 1401.55 | Гайка М14 | |
| 21 | SТN 02 1176.15 | Винт М14х35 | |
| 22 | 533-0-34-09-065-2 | Крышка | |
| 23 | SТN 02 1151.25 | Винт М4х8 | |
| 24 | 533-9-34-09-501-3 | Шестерня в сборе | |
| 25 | 533-0-34-09-082-1 | Ограничительное кольцо | |
| 26 | 533-0-34-09-085-1 | Ограничительное кольцо | |
| 27 | SТN 02 9310.3 | Кольцо уплотнительное 26х32 | |
| 28 | SТN 02 1914.15 | Пробка М20х1,5х10 | |
| 29 | 533-0-34-09-098-2 | Шайба | |
| 30 | SТN 02 1103.55 | Винт М8х30 | |
| 31 | 533-0-34-09-111-1 | Ограничительное кольцо 1 | |
| 32 | 533-0-34-09-112-1 | Ограничительное кольцо 0,5 | |
| 33 | 533-0-34-09-113-1 | Ограничительное кольцо 0,3 | |
| 34 | 533-0-41-01-044-1 | Ограничительная шайба 0,1 | |
| 35 | 533-0-34-09-083-2 | Распорное кольцо | |
| 36 | 533-0-34-09-072-2 | Шестерня | |
| 37 | 533-0-34-09-086-1 | Кольцо | |
| 38 | 533-0-34-09-074-2 | Шестерня | |
| 39 | 533-9-34-09-100-3 | Вал вторичный | |
| 40 | 533-0-34-09-090-1 | Винт М18х1,5х11х50 | |
| 41 | 533-0-34-09-091-1 | Гайка М18х1,5 | |
| 42 | 533-0-34-09-114-1 | Ограничительное кольцо 0,15 | |
| 43 | 533-0-34-09-056-2 | Крышка | |
| 44 | SТN 02 9401.0 | Кольцо Гуферо 50х80х13 | |
| 45 | SТN 02 4720 | Подшипник 32 210А | |
| 46 | 533-0-34-09-080-1 | Распорная трубка | |
| 47 | SТN 02 4720 | Подшипник 32 210А | |
| 48 | SТN 02 7486 | Маслоуказатель М24х1,5 | |
| 49 | 533-0-34-09-108-1 | Пружина | |
| 50 | 533-0-34-09-106-1 | Кольцо | |
| 51 | 533-0-34-09-088-1 | Ограничительное кольцо 0,1 | |
| 52 | 533-0-34-09-092-1 | Ограничительное кольцо 1 | |
| 53 | 533-0-34-09-094-1 | Ограннчительное кольцо 0,3 | |
| 54 | 533-0-34-09-095-1 | Ограничительное кольцо 0,5 | |
| 55 | 533-0-34-09-109-3 | Кольцо | |
| 56 | 533-0-34-09-051-3 | Левый корпус | |
| 57 | 533-0-34-09-107-1 | Кольцо | |
| 58 | SТN 02 1740.15 | Шайба |
Содержащиеся в справочниках-каталогах запасные части и детали не предлагаются к продаже, а носят исключительно информационный характер