Каталог запасных частей к технике: ППС Детва УНС-061. Картер мотора I
1
2
3
4
5
6
7
8
9
10
13
14
17
18
18
19
20
21
22
23
24
26
27
28
29
30
32
33
34
35
36
37
38
39
| Позиция на иллюстрации | Заводской номер детали | Название детали | |
|---|---|---|---|
| 5501 0187 | 5501 0187 | Упорный подшипник верхний для 2-й перешлифовки | |
| 5501 0197 | 5501 0197 | Вкладыш заднего подшипника верхний для 1-й перешлифовки | |
| 5501 0778 | 5501 0778 | Упорный подшипник ннжний для 3-й перешлифовки | |
| 5501 1084 | 5501 1084 | Упорный подшипник нижний для 2-й перешлифовки | |
| 5501 0186 | 5501 0186 | Упорный подшипник нижний для 2-й перешлифовки | |
| 5501 0194 | 5501 0194 | Упорный подшипник нижний для 1-й перешлифовки | |
| 5501 0192 | 5501 0192 | Упорный подшипник нижний для 1-й перешлифовки | |
| 5501 0179 | 5501 0179 | Упорный подшипник верхний для 3-й перешлифовки | |
| 5501 0193 | 5501 0193 | Упорный подшипник верхний для 2-й перешлифовки | |
| 5501 0195 | 5501 0195 | Упорный подшипник верхний для 1-й перешлифовки | |
| 5501 0185 | 5501 0185 | Упорный подшипник верхний для 1-й перешлифовки | |
| 6901 0181 | 6901 0181 | Резбовое присоединение | |
| 5501 0188 | 5501 0188 | Вкладыш заднего подшипника нижний для 1-й перешлифовки | |
| 5501 0189 | 5501 0189 | Вкладыш заднего подшипника верхний для 2-й перешлифовки | |
| 5501 0181 | 5501 0181 | Вкладыш заднего подшипника верхний для 3-й перешлифовки | |
| 5501 0182 | 5501 0182 | Вкладыш подшипника нижний для 3-й перешлифовки | |
| 5501 0196 | 5501 0196 | Вкладыш заднего подшипника нижний для 1-й перешлифовки | |
| 5501 0180 | 5501 0180 | Вкладыш заднего подшипника нижний для 3-й перешлифовки | |
| 5501 0199 | 5501 0199 | Вкладыш подшипника верхний для 1-й перешлифовки | |
| 5501 0191 | 5501 0191 | Вкладыш подшипника верхний для 2-й перешлифовки | |
| 5501 0183 | 5501 0183 | Вкладыш подшипника верхний для 3-й перешлифовки | |
| 5501 0167 | 5501 0167 | Вкладыш подшипника нижний для 1-й перешлифовки | |
| 5501 0190 | 5501 0190 | Вкладыш подшипника нижний для 2-й перешлифовки | |
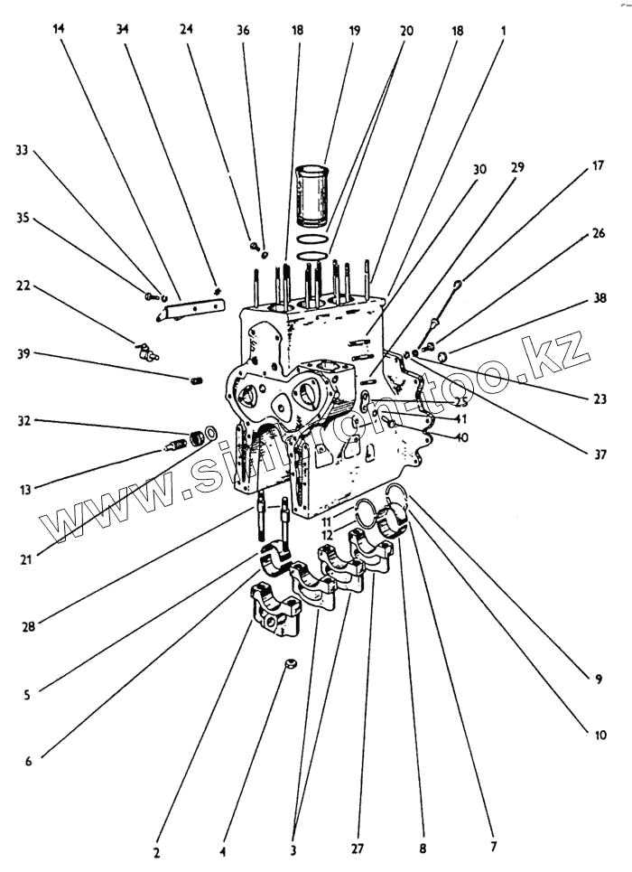
| 1 | 4901 0152 | Картер мотора | |
| 2 | 6901 0177 | Крышка переднего подшипника | |
| 3 | 6901 0178 | Крышка среднего подшипника | |
| 4 | 95 0105 | Гайка М14х1,5 | |
| 5 | 5501 0106 | Вкладыш подшипника верхний | |
| 6 | 5501 0107 | Вкладыш подшипника нижний | |
| 7 | 5501 0108 | Вкладыш заднего подшипника верхний | |
| 8 | 5501 0109 | Вкладыш заднего подшипника нижний | |
| 9 | 5501 0112 | Упорный подшипник верхний | |
| 10 | 5501 0113 | Упорный подшипник нижний | |
| 11 | 5501 0110 | Упорный подшипник верхний | |
| 12 | 5501 0111 | Упорный подшипник нижний | |
| 13 | 95 0114 | Винт смазки распределения | |
| 14 | 5901 0165 | Держатель алтернатора | |
| 17 | 5501 0116 | Измерительный шток масла | |
| 18 | 5501 0120 | Винт головки | |
| 19 | 6901 0168 | Вставленная мокрая гильза | |
| 20 | 7101 0102 | Уплотнение гильзы | |
| 21 | 95 0115 | Стопорная пластина | |
| 22 | 95 0118 | Выпускной кран | |
| 23 | 95 0122 | Уплотнительное кольцо | |
| 24 | 95 0124 | Пробка картера | |
| 25 | 6901 0171 | Петля | |
| 26 | 5501 0122 | Пробка масляного канала | |
| 27 | 6901 0179 | Крышка заднего подшипника | |
| 28 | 95 0132 | Винт подшипника | |
| 29 | 99 2544 | Болт М10х25 | |
| 30 | 99 2585 | Винт М10х30 | |
| 32 | 99 3771 | Гайка М10 | |
| 33 | 99 4807 | Шайба 10,2 | |
| 34 | 99 4807 | Шайба 10,2 | |
| 35 | 99 9027 | Винт М10х20 | |
| 36 | 6701 0127 | Кольцо уплотнительное | |
| 37 | 97 2140 | Кольцо уплоткительное 18х24 | |
| 38 | 6901 0155 | Пробка | |
| 39 | 97 2563 | Пробка со шлицом М18х1,5 | |
| 40 | 99 1477 | Винт М12х25 | |
| 41 | 99 4808 | Шайба 12 |
Содержащиеся в справочниках-каталогах запасные части и детали не предлагаются к продаже, а носят исключительно информационный характер