Каталог запасных частей к технике: ППС Детва УНС-061. Электроустановка
1
2
3
4
5
7
8
9
10
10
11
11
13
26
27
28
30
31
32
33
34
34
35
36
37
38
39
40
41
42
43
43
44
44
45
46
47
48
48
49
50
51
52
53
54
55
56
57
58
59
60
61
62
63
64
65
65
66
67
68
69
70
71
72
73
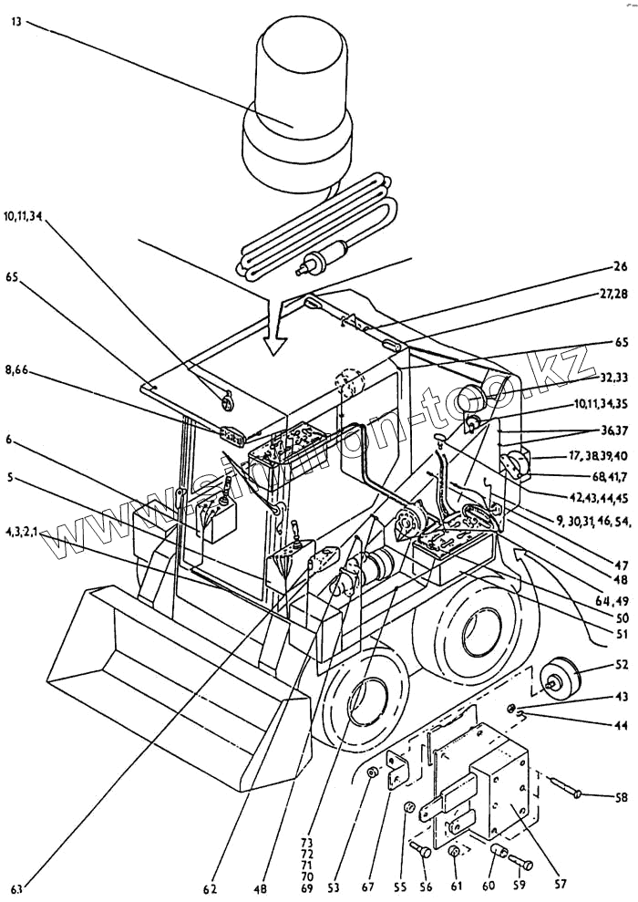
| Позиция на иллюстрации | Заводской номер детали | Название детали | |
|---|---|---|---|
| 1 | 533-9-62-33-031-1 | Пучок проводов | |
| 2 | 533-9-62-33-032-1 | Пучок проводов | |
| 3 | 533-9-62-33-033-1 | Пучок проводов кабины | |
| 4 | 533-9-62-33-034-1 | Проводы | |
| 5 | 533-9-62-33-002-1 | Приборная доска левая | |
| 6 | 533-9-62-33-005-1 | Приборная доска правая | |
| 7 | SТN 02 1103.25 | Винт М6х14 | |
| 8 | 443 311 614 109 | Рабочая фара передняя | |
| 9 | SТN 02 1103.25 | Винт М6х14 | |
| 10 | SТN 02 1740.05 | Шай6а 10 | |
| 11 | SТN 02 1401.15 | Гайка | |
| 13 | 533-9-62-43-086-1 | Маяк | |
| 26 | SТN 30 4002 | Штепсельная розетка | |
| 27 | 443 313 125 102 | Внутренний фонарь | |
| 28 | 347 226 232 512 | Лампа 12V/5W | |
| 30 | SТN 02 1740.15 | Шайба | |
| 31 | SТN 02 1103.55 | Винт М8х30 | |
| 32 | 443 311 605 109 | Рабочая фара задняя | |
| 33 | 347 221 224 512 | Лампа 12V/35W | |
| 34 | 443 321 607 000 | Звуковой сигнал 12V ВЕLМА | |
| 35 | SТN 02 1103.25 | Винт М6х14 | |
| 36 | ОNL 3450 | Перфолента | |
| 37 | ОNL 3451.1 | Кнопка | |
| 38 | 443 312 268.103 | Задний групповой фонарь | |
| 39 | 347 224 231 505 (Р25-2) | Лампа 12V/5W | |
| 40 | 347 223 252 240 (Р25-1) | Лампа 12V/21W | |
| 41 | 533-0-62-33-062-2 | Консоль | |
| 42 | 443 815 432 010 | Разъединитель аккумулятора | |
| 43 | SТN 02 1401.15 | Гайка | |
| 44 | SТN 02 1740.15 | Шайба | |
| 45 | SТN 02 1103.25 | Винт М6х14 | |
| 46 | 443 900 600 112 (1-76-126) | Провод на массу 30-23/250 | |
| 47 | 443 441 343 300 (N 701-26-670) | Привод указателя числа оборотов | |
| 48 | 443 429 110 050 | Датчик температуры | |
| 49 | 553 062 330 771 (SТN 36 4314) | Клемма аккумулятора (+) 17,5 | |
| 50 | 533 062 330 772 | Клемма аккумулятора (-) 15,9 | |
| 51 | 346 211 306 392 (РN 364309) | Аккумулятор | |
| 52 | 443 412 000 001 | Тахометр | |
| 53 | SТN 02 1403.20 | Гайка М16х1,5 | |
| 54 | SТN 02 1702.15 | Шайба | |
| 55 | SТN 02 1401.15 | Гайка | |
| 56 | SТN 02 1103.20 | Винт М10х25 | |
| 57 | 358 111 410 000 | Вилка для дополнительного источника | |
| 58 | SТN 02 1151.25 | Винт М4х8 | |
| 59 | SТN 02 1101.25 | Винт | |
| 60 | 533-0-62-33-070-1 | Трубка | |
| 61 | SТN 02 1401.15 | Гайка | |
| 62 | 443 852 021 020 | Кнопочный включатель | |
| 63 | 533-9-62-33-071-2 | Омыватель стекла | |
| 64 | 443 900 000 002 | Резиновый колпачок | |
| 65 | SТN 63 3881 | Резиновый проходной изолятор 8х2 | |
| 66 | 347 451 324 314 | Лампа 12V/55W | |
| 67 | 533-0-62-33-075-1 | Консоль | |
| 68 | SТN 02 1744.05 | Шайба 8,4 | |
| 69 | 533-0-62-33-251-1 | Скобка | |
| 70 | 672 054 000 907 (672-54-9-07) | Скобка | |
| 71 | SТN 02 1131.25 | Винт М5х16 | |
| 72 | SТN 02 1702.15 | Шайба | |
| 73 | SТN 02 1740.05 | Шай6а 10 |
Содержащиеся в справочниках-каталогах запасные части и детали не предлагаются к продаже, а носят исключительно информационный характер