Каталог запасных частей к технике: ППС Детва УНС-061. Двигатель с принадлежностями
1
2
3
4
5
6
6
7
7
7
7
7
7
8
9
10
11
12
13
13
13
13
13
13
13
14
14
14
14
15
15
15
16
16
16
16
16
17
17
17
17
18
19
20
21
21
22
22
23
24
25
26
26
26
27
27
28
29
30
31
32
33
34
34
35
37
38
38
39
40
40
41
42
43
43
44
45
46
47
48
49
50
51
52
53
54
55
56
57
58
59
60
61
62
63
64
65
66
67
68
69
70
71
72
72
73
75
76
77
78
78
79
80
81
82
83
84
85
86
87
87
87
87
88
89
90
91
92
93
94
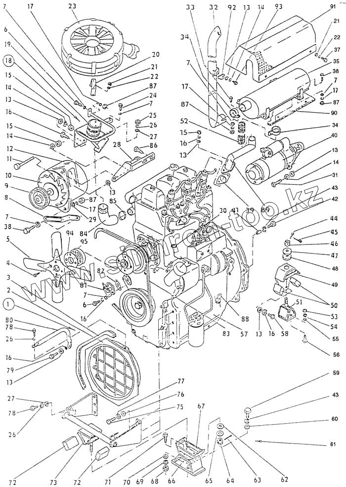
| Позиция на иллюстрации | Заводской номер детали | Название детали | |
|---|---|---|---|
| 1 | 533-9-62-07-085-4 | Крышка вентилятора | |
| 2 | Крышка вентилятора | Крышка вентилятора | |
| 3 | 533-0-62-07-168-1 | Уплотнение | |
| 4 | SТN 02 1103.25 | Винт М6х14 | |
| 5 | 533-9-62-07-206-1 | Вентилятор | |
| 6 | SТN 02 1103.55 | Винт М8х30 | |
| 7 | SТN 02 1702.15 | Шайба | |
| 8 | 533-9-62-07-169-1 | Консоль альтернатора | |
| 9 | 533-0-62-07-155-1 | Шкив альтернатора | |
| 10 | 3-44 935 226 780 | Вентилятор | |
| 11 | SТN 02 1101.25 | Винт | |
| 12 | 443 113 516 630 | Альтернатор 14V/55А | |
| 13 | SТN 02 1702.15 | Шайба | |
| 14 | SТN 02 1740.05 | Шай6а 10 | |
| 15 | SТN 02 1401.25 | Гайка М6 | |
| 16 | SТN 02 1740.05 | Шай6а 10 | |
| 17 | SТN 02 1740.05 | Шай6а 10 | |
| 18 | 533-9-62-07-001-2 | Консоль фильтра воздуха | |
| 19 | Консоль фильтра воздуха | Консоль фильтра воздуха | |
| 20 | 533-0-62-07-009-2 | Держатель фильтра | |
| 21 | SТN 02 1401.15 | Гайка | |
| 22 | SТN 02 1702.15 | Шайба | |
| 23 | 533-9-62-07-020-2 | Фильтр воздуха | |
| 24 | SТN 02 1103.25 | Винт М6х14 | |
| 25 | SТN 02 1401.15 | Гайка | |
| 26 | SТN 02 1740.05 | Шай6а 10 | |
| 27 | SТN 02 1702.15 | Шайба | |
| 28 | 533-1-62-07-002-2 | Консоль альтернатора | |
| 29 | SТN 02 1727.05 | Шайба 9,5 | |
| 30 | 533-9-62-07-310-1 | Диафрагма | |
| 31 | SТN 02 1103.25 | Винт М6х14 | |
| 32 | 533-9-62-07-500-1 | Трубопровод выхлопа | |
| 33 | SТN 02 1101.25 | Винт | |
| 34 | 533-0-62-07-040-1 | Муфта | |
| 35 | 533-9-62-07-500-2 | Выхлоп | |
| 36 | SТN 02 1702.15 | Шайба | |
| 37 | SТN 02 1103.25 | Винт М6х14 | |
| 38 | 533-0-62-07-308-1 | Винт | |
| 39 | 4.173.1-М-0-0-25 | Уплотнение | |
| 40 | Пускатель R 11.01 3,0 КВ/12В | Пускатель R 11.01 3,0 КВ/12В | |
| 40 | 443 115 516 722 | Пускатель КR 116 2,9 КВ/12В | |
| 41 | 4.173.1-М-0-0-31 | Центровочная трубка | |
| 42 | 4.173.1-М-0-0-32 | Винт | |
| 43 | SТN 02 1740.05 | Шай6а 10 | |
| 44 | 533-9-62-07-070-1 | Передний подвес | |
| 45 | SТN 02 1781.00 | Шплинт 3,2х25 | |
| 46 | SТN 02 1411.20 | Гайка М12 | |
| 47 | 533-0-62-07-081-1 | Шай6а | |
| 48 | 533-0-62-07-080-1 | Резиновый упор | |
| 49 | 533-9-62-07-071-1 | Упругое гнездо | |
| 50 | 533-0-62-07-079-1 | Резиновый куб | |
| 51 | 533-9-62-07-075-1 | Цоколь | |
| 52 | 533-0-62-07-650-1 | Упругий шланг | |
| 53 | SТN 02 1401.15 | Гайка | |
| 54 | SТN 02 1740.05 | Шай6а 10 | |
| 55 | SТN 02 1702.15 | Шайба | |
| 56 | SТN 02 1103.55 | Винт М8х30 | |
| 57 | 531 552 015 022 (ТР 27-050.1-01/90) | Двигатель Z 5201.22 | |
| 58 | SТN 02 1103.55 | Винт М8х30 | |
| 59 | SТN 02 1101.55 | Винт М12х30 | |
| 60 | SТN 02 1702.15 | Шайба | |
| 61 | 533-9-62-07-125-2 | Держатель | |
| 62 | 533-0-62-07-080-2 | Подвеска | |
| 63 | SТN 02 1781.05 | Шплинт | |
| 64 | SТN 02 1411.25 | Гайка М12 | |
| 65 | 533-0-62-07-081-1 | Шай6а | |
| 66 | 533-9-62-07-450-1 | Держатель | |
| 67 | 533-9-12-07-069-1 | Упругое гнездо | |
| 68 | SТN 02 1411.25 | Гайка М12 | |
| 69 | SТN 02 1740.05 | Шай6а 10 | |
| 70 | SТN 02 1702.15 | Шайба | |
| 71 | SТN 02 1103.55 | Винт М8х30 | |
| 72 | 533-0-62-07-079-1 | Резиновый куб | |
| 73 | 533-9-62-07-110-2 | Подвеска | |
| 75 | SТN 02 1101.55 | Винт М12х30 | |
| 76 | SТN 02 1702.15 | Шайба | |
| 77 | SТN 02 1740.05 | Шай6а 10 | |
| 78 | SТN 02 1103.25 | Винт М6х14 | |
| 79 | SТN 02 1103.25 | Винт М6х14 | |
| 80 | 533-0-12-07-131-1 | Держатель | |
| 81 | 443 449 015 020 | Колено перепускное | |
| 82 | 4.173.1-М-0-0-23 | Уплотнение | |
| 83 | SТN 02 3110 | Клиновидный ремень 17х11х1120 | |
| 84 | 533-0-62-07-140-1 | Шланг | |
| 85 | 548 241 571 533 | Металлический зажим шланга 6 32-50 | |
| 86 | 533-0-62-07-210-1 | Винт | |
| 87 | SТN 02 1401.25 | Гайка М6 | |
| 88 | 533-062-07-160-2 | Масляный измеритель | |
| 89 | 533-9-62-07-300-1 | Трубопровод выхлопа | |
| 90 | 533-9-62-07-630-1 | Изоляционная пластина | |
| 91 | 533-9-62-07-620-2 | Кожух | |
| 92 | 533-0-62-07-652-2 | Скобка | |
| 93 | SТN 02 1103.25 | Винт М6х14 | |
| 94 | 533-0-62-07-204-1 | Кольцо дистанционное |
Содержащиеся в справочниках-каталогах запасные части и детали не предлагаются к продаже, а носят исключительно информационный характер