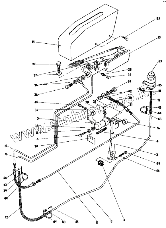
Каталог запасных частей к технике: ППС Детва УНС-060. Управление приводом насосов
533-9-34-21-600-2
533 934 081 716
2
3
4
4
5
5
6
6
8
8
9
9
10
10
11
11
12
12
13
13
14
14
15
16
16
19
19
24
24
25
26
27
27
28
28
29
29
30
30
31
32
32
33
34
35
36
37
38
39
40
41
42
43
43
43
44
44
44
45
45
45
46
| Позиция на иллюстрации | Заводской номер детали | Название детали | |
|---|---|---|---|
| 533-9-34-21-600-2 | 533-9-34-21-600-2 | Управление приводом насосов | |
| 533 934 081 716 | 533 934 081 716 | Управление приводом насосов | |
| 2 | 533-9-34-21-601-3 | Рычаг | |
| 3 | 533-0-34-21-605-2 | Промежуточная штука | |
| 4 | 533 034 082 116 | Пружина | |
| 4 | 533-0-34-21-604-1 | Пружина | |
| 5 | 533 034 082 416 | Лист | |
| 5 | 533-0-34-21-610-1 | Лист | |
| 6 | 533 034 082 516 | Болт | |
| 6 | 533-0-34-21-611-1 | Болт | |
| 8 | 533 034 082 716 | Трубка | |
| 8 | 533-0-34-21-614-1 | Трубка | |
| 9 | 533 934 082 816 | Трубка | |
| 9 | 533-9-34-21-615-2 | Трубка | |
| 10 | 533-9-34-21-618-2 | Трубка | |
| 10 | 533 934 083 116 | Трубка | |
| 11 | 533 934 083 316 | Трубка | |
| 11 | 533-9-34-21-620-2 | Трубка | |
| 12 | 533 034 083 516 | Шланг 8/13x500 | |
| 12 | 533-0-34-21-622-1 | Шланг 8/13x500 | |
| 13 | 533 934 083 616 | Рычаг в сборе | |
| 13 | 533-9-34-21-630-1 | Рычаг в сборе | |
| 14 | 533 934 084 216 | Кожух | |
| 14 | 533-9-34-21-650-2 | Кожух | |
| 15 | 533-0-34-21-680-1 | Гайка M10 | |
| 16 | 533 034 084 516 | Упор | |
| 16 | 533-0-34-21-656-1 | Упор | |
| 19 | 533-0-34-21-670-1 | Болт | |
| 19 | 533 034 084 716 | Болт | |
| 24 | 533 034 084 816 | Консоль | |
| 24 | 533-0-34-21-677-2 | Консоль | |
| 25 | CSN 02 1103.21 | Болт M6x12 | |
| 26 | 443 962 421 023 | Болт | |
| 27 | 533 034 084 916 | Болт | |
| 27 | 533-0-34-21-678-1 | Болт | |
| 28 | 443 962 421 025 | Обезвоздушная пробка | |
| 29 | 336 642 511 010 | Шланг | |
| 29 | 730 033 131-340 | Шланг | |
| 30 | 336 042 511 012 | Шланг | |
| 30 | 730 033 151-340 | Шланг | |
| 31 | 533-0-34-21-679-1 | Рабочий цилиндр d 22 | |
| 32 | 193595560 | Колпачок | |
| 33 | 443 611 076 000 | Бачок | |
| 34 | CSN 02 1740.01 | Шайба 6 | |
| 35 | CSN 02 1740.01 | Шайба 6 | |
| 36 | CSN 02 9310.2 | Уплотнительное кольцо 14x18 | |
| 37 | CSN 02 9310.2 | Уплотнительное кольцо 14x18 | |
| 38 | CSN 02 1403.21 | Гайка M10 | |
| 39 | CSN 02 1101.25 | Болт M10x40 | |
| 40 | CSN 02 1103.21 | Болт M6x12 | |
| 41 | CSN 02 1103.21 | Болт M6x12 | |
| 42 | CSN 02 9310.2 | Уплотнительное кольцо 14x18 | |
| 43 | CSN 02 2751.5 | Хомутик 9 | |
| 44 | CSN 02 2757 | Поясок 9x235 | |
| 45 | CSN 02 1781.00 | Шплинт 2x16 | |
| 46 | CSN 02 1740.00 | Шайба 12 |
Содержащиеся в справочниках-каталогах запасные части и детали не предлагаются к продаже, а носят исключительно информационный характер