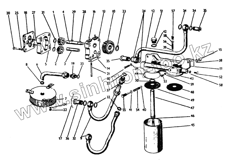
Каталог запасных частей к технике: ППС Детва УНС-060. Система смазки
1
2
3
4
5
6
7
8
9
10
11
12
13
14
15
16
17
18
19
20
21
22
23
24
25
26
27
28
29
30
31
32
32
32
33
34
34
34
35
35
36
37
38
39
40
41
42
43
44
45
46
47
48
49
50
51
52
53
54
55
56
57
58
58
59
| Позиция на иллюстрации | Заводской номер детали | Название детали | |
|---|---|---|---|
| 950 705 | 950 705 | Двухступенчатый топливный фильтр | |
| 40 010 797 | 40 010 797 | Масляный насос комплектный | |
| 1 | 40 010 704 | Насосное колесо ведущее | |
| 2 | 40 010 705 | Насосное колесо ведомое | |
| 3 | 40 010 708 | Цапфа насосного колеса | |
| 4 | 4 000 713 | Вал насоса | |
| 5 | 40 010 710 | Средняя часть корпуса масляного насоса | |
| 6 | 55 010 714 | Трубка всасывающей коробки комплектная | |
| 7 | 6901 0733 1 | Всасывающая коробка | |
| 8 | 55 010 716 | Уплотнение | |
| 9 | 47 010 730 | Нагнетательная трубка комплектная | |
| 10 | 950 702 | Колесо привода масляного насоса | |
| 11 | 950 706 | Уплотнение маслоочистительное | |
| 12 | 950 707 | Трубка маслоочистителя комплектная | |
| 13 | 950 708 | Передняя часть корпуса насоса | |
| 14 | 950 710 | Подкладка | |
| 15 | 950 711 | Уплотнительная трубка маcлоочистителя | |
| 16 | 950 712 | Центрировочная трубка масляного насоса | |
| 17 | 950 713 | Фиксирующая проволока | |
| 18 | 950 714 | Крышка корпуса масляного насоса | |
| 19 | 950 715 | Штуцер | |
| 20 | 990 156 | Винт M8x50 CSN 02 1101.10 | |
| 21 | 990 194 | Винт M10x130 CSN 02 1101.11 | |
| 22 | 993 610 | Гайка M8 CSN 02 1401.25 | |
| 23 | 970221 | Стопорное кольцо 12 CSN 02 2930 | |
| 24 | 994 636 | Шайба 8,4 CSN 02 1744.05 | |
| 25 | 994 706 | Шайба 8,4 CSN 02 1751.00 | |
| 26 | 994 807 | Шайба 10,2 CSN 02 1740.05 | |
| 27 | 996 360 | Штифт 6m6x45 CSN 02 2150 | |
| 28 | 997 842 | Шпонка 4h9x4x12 CSN 02 2562 | |
| 29 | 997 846 | Шпонка 4h9x4x20 CSN 02 2562 | |
| 30 | 999 028 | Винт M10x22 CSN 02 1103.15 | |
| 31 | 970 223 | Предохранительное кольцо 14 CSN 02 2930 | |
| 32 | 972 140 | Кольцо уплотнительное | |
| 33 | 972 151 | Уплотнительное кольцо 26x32 CSN 02 9310.3 | |
| 34 | 972 185 | Уплотнительное кольцо 18x24 CSN 02 9310.2 | |
| 35 | 972 473 | Винт 13 CSN 13 7993.22 | |
| 36 | 972 480 | Винт 13 CSN 13 7993.01 | |
| 37 | 972 495 | Штуцер 13 CSN 7854.02 | |
| 38 | 974 247 | Кольцо 16x12 CSN 02 9280.1 | |
| 39 | 970335 | Шарик 5/16 CSN 02 3680 | |
| 40 | 970 943 | Шарик 1/2 CSN 02 3680 | |
| 41 | 972 196 | Уплотнительное кольцо 16x20 CSN 02 9310.2 | |
| 42 | 972 197 | Уплотнительное кольцо 20x26 CSN 02 9310.3 | |
| 43 | 931101 | Крышка маслоочистителя | |
| 44 | 931 102 | Уплотнительное кольцо | |
| 45 | 931 103 | Колба | |
| 46 | 931 105 | Уплотнительное кольцо | |
| 47 | 931 106 | Отводная трубка | |
| 48 | 931 107 | Фильтр 1 - полнопроточный | |
| 49 | 931 108 | Фильтр II -обводный | |
| 50 | 931109 | Kольцо уплотнительноe | |
| 51 | 931 110 | Гайка | |
| 52 | 931 112 | Пробка M12x1,5 Sp 3 | |
| 53 | 931113 | Пробка M14x1,5 Sp 3 | |
| 54 | 931 114 | Пружина | |
| 55 | 931 115 | Винт | |
| 56 | 931 116 | Пружина | |
| 57 | 931 117 | Винт | |
| 58 | 972 182 | Кольцо уплотнительное 12x16 CSN 02 9310.2 | |
| 59 | 972 179 | Кольцо уплотнительное 14x18 CSN 02 9310.3 |
Содержащиеся в справочниках-каталогах запасные части и детали не предлагаются к продаже, а носят исключительно информационный характер