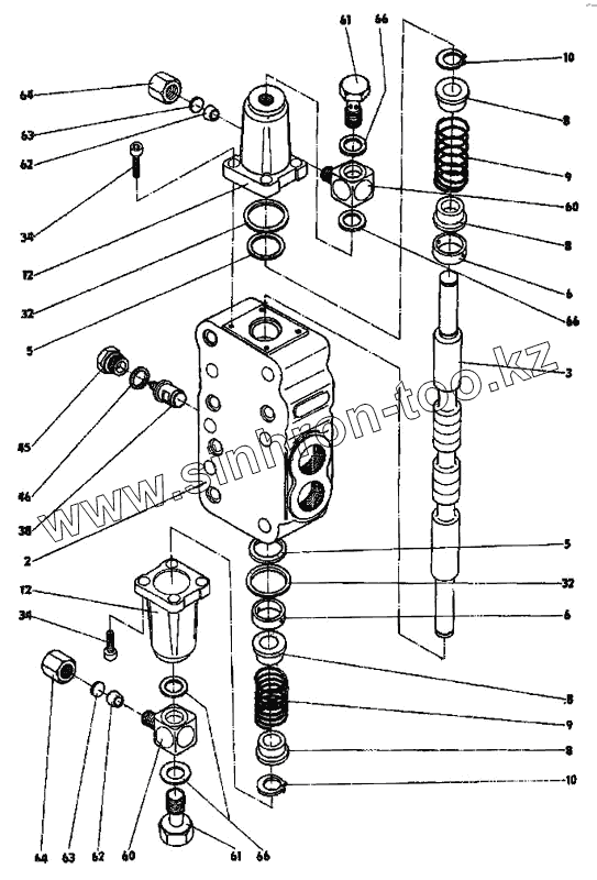
Каталог запасных частей к технике: ППС Детва УНС-060. Секция
63.1477
2
3
5
5
6
6
8
8
8
8
9
9
10
10
12
12
32
32
34
34
38
38
45
46
60
60
61
61
62
62
63
63
64
64
66
66
66
| Позиция на иллюстрации | Заводской номер детали | Название детали | |
|---|---|---|---|
| 63.1477 | 63.1477 | Секция распределителя RS-16D4 | |
| 2 | 63.705-2 | Корпус секции | |
| 3 | 63.1222 | Золотник | |
| 5 | 63.313 | Шайба | |
| 6 | 63.1220 | Кольцо | |
| 8 | 63.1116 | Опора пружины | |
| 9 | 63.1221 | Пружина | |
| 10 | CSN 02 2930 | Кольцо 13 | |
| 12 | 63.327-1 | Крышка нижняя | |
| 32 | CSN 02 9281.2 | Уплотнительное кольцо 12x2 | |
| 34 | CSN 02 1143.53 | Болт M6x12 | |
| 38 | 336 908 000 350 | Обратный клапан | |
| 38 | 63.0971-1 | Обратный клапан | |
| 39 | 63.632 | Седло клапана | |
| 40 | 63.633.1 | Клапан | |
| 41 | 63.635 | Пружина | |
| 42 | CSN 02 1702.11 | Шайба A 6,4 | |
| 43 | СSN 02 2929.02 | Кольцо 3,2 | |
| 45 | 63.634-1 | Затвор | |
| 46 | CSN 02 9280 | Кольцо 25x21 | |
| 60 | 56.49 | Кольцо | |
| 61 | 56.50 | Болт полый | |
| 62 | 56.53-1 | Кольцо 8 | |
| 63 | 60.96 | Уплотнение | |
| 64 | 56.48 | Гайка перекидная M16x1,5 | |
| 66 | 23.667 | Уплотнение |
Содержащиеся в справочниках-каталогах запасные части и детали не предлагаются к продаже, а носят исключительно информационный характер