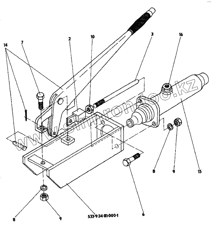
Каталог запасных частей к технике: ППС Детва УНС-060. Рычаг в сборе
533-9-34-21-630-1
533-9-34-81-000-1
533 934 083 616
2
2
3
3
6
7
8
8
9
9
10
14
15
15
16
16
| Позиция на иллюстрации | Заводской номер детали | Название детали | |
|---|---|---|---|
| 533-9-34-21-630-1 | 533-9-34-21-630-1 | Рычаг в сборе | |
| 533-9-34-81-000-1 | 533-9-34-81-000-1 | Кабина | |
| 533 934 083 616 | 533 934 083 616 | Рычаг в сборе | |
| 2 | 533 934 083 716 | Вилка | |
| 2 | 533-9-34-21-636-1 | Вилка | |
| 3 | 533 034 084 016 | Тяга | |
| 3 | 533-0-34-21-640-1 | Тяга | |
| 6 | CSN 02 1103.25 | Болт M6x16 | |
| 7 | CSN 02 1103.25 | Болт M6x16 | |
| 8 | CSN 02 1740.01 | Шайба 6 | |
| 9 | CSN 02 1401.21 | Гайка M8 | |
| 10 | CSN 02 1403.21 | Гайка M10 | |
| 14 | 443 611 401 002 | Рычаг тормоза | |
| 15 | 443 611 012 000 | Главный цилиндр d 22 | |
| 15 | 311-195010 | Главный цилиндр d 22 | |
| 16 | 533 034 084 116 | Штуцер | |
| 16 | 533-0-34-21-643-1 | Штуцер |
Содержащиеся в справочниках-каталогах запасные части и детали не предлагаются к продаже, а носят исключительно информационный характер