Вернуться на главную
Поиск
Каталоги запчастей к технике
Спецтехника
ППС Детва
УНС-060
Рама комплектная
Каталог запасных частей к технике: ППС Детва УНС-060. Рама комплектная
zoom-in
zoom-out
enlarge
shrink
circle-right
circle-left
file-text2
info
cart
Тип техники
Не выбрано
Легковые автомобили
Грузовые автомобили и прицепы
Автобусы
Сельхозтехника
Спецтехника
Двигатели
Мототехника
Марка
Не выбрано
Ammann
BOMAG
CARMIX
CASE IH
Changlin
ChengGong
Dimex
Doosan
DYNAPAC
Foton
HAMM
Hidromek
Hitachi
Hyundai
JCB
JLG
John Deere
Komatsu
LIEBHERR
LiuGong
Lonking (LongGong)
Luneng
MANITOU
Mitsuber
New Holland
PENGPU
RM-Terex
SANY
SDLG
SEM
Shantui
Shehwa HBXG
Soosan
TIGARBO
VOGELE
Volvo
WAY
WIRTGEN
XCMG
XGMA
Xiamen
YTO
Yuchai
Zoomlion
Автокран
АЗСМ
Алтайлесмаш
Амкодор
АОМЗ
Атек
АТЗ
Балканкар Рекорд
БелАЗ
Беловеж
Борекс
Брянский Арсенал
Булат
ВЭКС
ГАЗ
Геомаш
Гидромаш
Донекс
Дормаш
Дормашина
Дорэлектромаш
ДЭЗ
ЕлАЗ
ЗЗГТ
Ижнефтемаш
Канаш-электрокар
КЗКТ
ККЗ
Клевер
Клинцовский автокрановый завод
КМЗ
КМЗ 1 Мая
Ковровец
Коммаш
Кранэкс
КЭЗ
КЭМЗ
ЛЗА
МАЗ
МЗИК
МЗКМ
МЗКТ
Михневский РМЗ
МоАЗ
Мозырский МЗ
МТЗ
ОЗП
Онежец
ПАО "ТЗА"
ППС Детва
Промтрактор
ПТЗ
Раскат
СпецАгрегат
ТВЭКС
ТТМ
УВЗ
Угличмаш
УЗТМ
ХТЗ
ЧЗКМ
ЧСДМ
ЧТЗ
ЭКСКО
ЭКСМАШ
ЮрМаш
Модель
Не выбрано
УНС-060 (1988)
УНС-061
Схема
>
Не выбрано
Кузов
Кабина
Панель приборная левая
Приборная доска правая
Сидение
Крыло
Отопление
Двигатель с принадлежностями
Картер мотора
Картер мотора
Коленчатый вал
Кулачковый вал
Головка цилиндра
Система смазки
Крышка
Подшипник 52 CSN 02 2931
Воздушный фильтр
Фильтр предварительной очистки воздуха
Топливная система
Топливная система
Двухступенчатый топливный фильтр
Впрыскивающий насос
Управление впрыскивающим насосом
Регулятор
Фильтр топливный
Насос подающий
Впрыскиватель
Система охлаждения
Водяной насос
Маховик со сцеплением
Коробка передач правая
Коробка передач левая
Шестерня в сборе правая (левая)
Рама комплектная
Колесо в сборе
Управление
Управление распределителя
Рычаг управления
Управление стояночным тормозом
Стартер
Генератор
Электропроводка
Привод насосов
Гидравлическая система
Гидравлическая система
Гидравлическая система
Гидравлическая система
Гидравлическая система
Гидрогенератор
Гидродвигатель
Распределитель
Секция
Предохранительный клапан
Гидравлический бак
Гидравлический цилиндр
Гидравлический цилиндр
Гидравлический цилиндр
Управление приводом насосов
Рычаг в сборе
Главный цилиндр
Рабочий цилиндр
Рабочее оборудование
Ковш
Ковш с зубьями
Подвесная подкопная установка
Подвесная подкопная установка
Подвесная подкопная установка
Гидромотор
Решетковый ковш
Ковш для легких материалов
Ковш
Грейфер
Вилы для поддонов
Вилы с складкодержателем
Накидная подкопная установка
Накидная подкопная установка
Гидромотор
Управление
Гидравлика
Гидравлика
Лемех
Ковш для дренажных работ
Ковш для дренажных работ
Разрыхлитель
Сверловочное оборудование
Сверло
Сверло
Коробка передач
Универсальный торцовый погрузчик
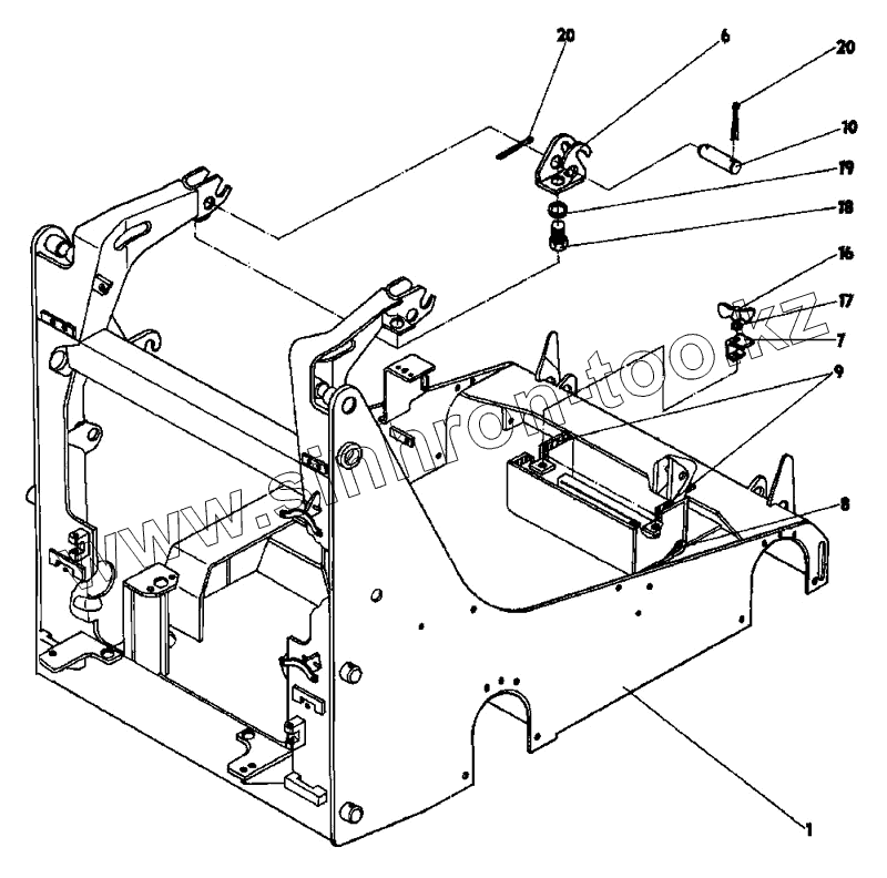
533-9-34-02-000-1
1
6
7
8
9
10
16
17
18
19
20
20
Позиция на иллюстрации
Заводской номер детали
Название детали
533-9-34-02-000-1
533-9-34-02-000-1
Рама комплектная
1
533-9-34-02-001-1
Рама
6
533-9-34-02-201-1
Зажимной захват
7
533-0-34-02-204-1
Держатель аккумулятора
8
533-0-34-02-205-1
Нижняя изоляционная доска
9
533-0-34-02-208-1
Торцевая изоляционная доска
10
533-0-34-02-209-1
Палец
16
CSN 02 1665.00
Гайка М8
17
CSN 02 1702.11
Шайба A 6,4
18
CSN 02 1103.20
Болт M16x30
19
CSN 02 1740.00
Шайба 12
20
CSN 02 1781.00
Шплинт 2x16
Содержащиеся в справочниках-каталогах запасные части и детали не предлагаются к продаже, а носят исключительно информационный характер
Дополнительная информация
×
Название:
Номер:
Примечание: