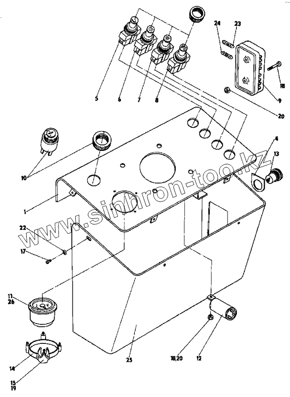
Каталог запасных частей к технике: ППС Детва УНС-060. Приборная доска правая
533-9-34-33-005-2
533 934 113 516
1
1
4
4
5
6
7
8
9
10
11
12
13
15
17
18
18
19
20
20
22
23
24
25
26
| Позиция на иллюстрации | Заводской номер детали | Название детали | |
|---|---|---|---|
| 533-9-34-33-005-2 | 533-9-34-33-005-2 | Приборная доска правая | |
| 533 934 113 516 | 533 934 113 516 | Приборная доска правая | |
| 1 | 533 934 113 616 | Панель правая | |
| 1 | 533-9-34-33-006-1 | Панель правая | |
| 4 | 533 034 115 116 | Щиток 12V | |
| 4 | 533-0-05-33-118-2 | Щиток 12V | |
| 5 | 443 851 111 001 | Выключатель стеклоочистителя | |
| 6 | 443 851 113 001 | Выключатель рабочих фар | |
| 7 | 443 851 110 001 | Выключатель маяка | |
| 8 | 433 853 115 033 | Выключатель | |
| 9 | 443 855 O11 008 | Шкаф предохранителей | |
| 10 | CSN 30 4410.2 | Включательная коробка Б | |
| 11 | 443 414 073 060 | Термометр 12V | |
| 12 | 443 319 604 000 | Прерыватель ламп указателя поворота | |
| 13 | 443 857 Р02 010 | Штепсельная розетка | |
| 15 | 443 924 101 151 | Хомут | |
| 17 | CSN 02 1151.25 | Винт 5x16 | |
| 18 | CSN 02 1131.25 | Винт 4x16 | |
| 19 | CSN 02 1401.25 | Гайка M6 | |
| 20 | CSN 02 1401.25 | Гайка M6 | |
| 22 | 95211 | Декоративная шайба | |
| 23 | CSN 30 4470 | Предохранитель 8A | |
| 24 | CSN 30 4470 | Предохранитель 8A | |
| 25 | 533-0-34-33-017-1 | Кожух | |
| 26 | Ba 9s | Лампа 12V/2W |
Содержащиеся в справочниках-каталогах запасные части и детали не предлагаются к продаже, а носят исключительно информационный характер