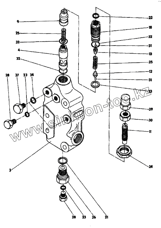
Каталог запасных частей к технике: ППС Детва УНС-060. Предохранительный клапан
64-1074
336 908 000 290
3
4
9
10
11
12
13
21
22
23
23
24
25
25
26
27
28
28
29
30
31
31
32
32
32
33
34
| Позиция на иллюстрации | Заводской номер детали | Название детали | |
|---|---|---|---|
| 64-1074 | 64-1074 | Предохранительный клапан PS 16S | |
| 336 908 000 290 | 336 908 000 290 | Клапан предохранительный PS 16S | |
| 3 | 64.343 | Kорпус | |
| 4 | 64.0174-2 | Втулка с поршнем | |
| 9 | 64.381.2 | Седло | |
| 10 | 64.38V | Наставка | |
| 11 | 66.45 | Регулировочный болт | |
| 12 | 66.46.1 | Опора | |
| 13 | 66-47 | Колпачок | |
| 21 | CSN 02 9281.9 | Кольцо 20x2 | |
| 22 | 9942 | Уплотнительное кольцо 20x24 | |
| 23 | 9952 | Уплотнительное кольцо 12x16 | |
| 24 | 64.383 | Гайка M36x1,5 | |
| 25 | 66.53 | Пружина | |
| 26 | 48.325 | Пробка M22x1,5 | |
| 27 | 48.290 | Пробка M16x1,5 | |
| 28 | 48.288 | Пробка M12x1,5 | |
| 29 | 64.35 | Гайка | |
| 30 | CSN 02 1403.23 | Гайка M20x1,5 | |
| 31 | CSN 02 3680 | Шарик II 12,7mm | |
| 32 | CSN 02 9281.9 | Кольцо 20x2 | |
| 33 | CSN 02 9280.3 | Кольцо 32x24 | |
| 34 | 9944 | Уплотнительное кольцо 16x20 |
Содержащиеся в справочниках-каталогах запасные части и детали не предлагаются к продаже, а носят исключительно информационный характер