Каталог запасных частей к технике: ППС Детва УНС-060. Отопление
533-9-34-37-000-2
533 934 126 016
1
1
2
2
4
4
5
5
6
6
6
7
7
8
8
9
9
10
10
11
11
12
12
13
13
14
14
15
15
16
17
18
19
19
20
21
21
21
21
22
22
23
23
24
25
26
27
27
28
28
29
29
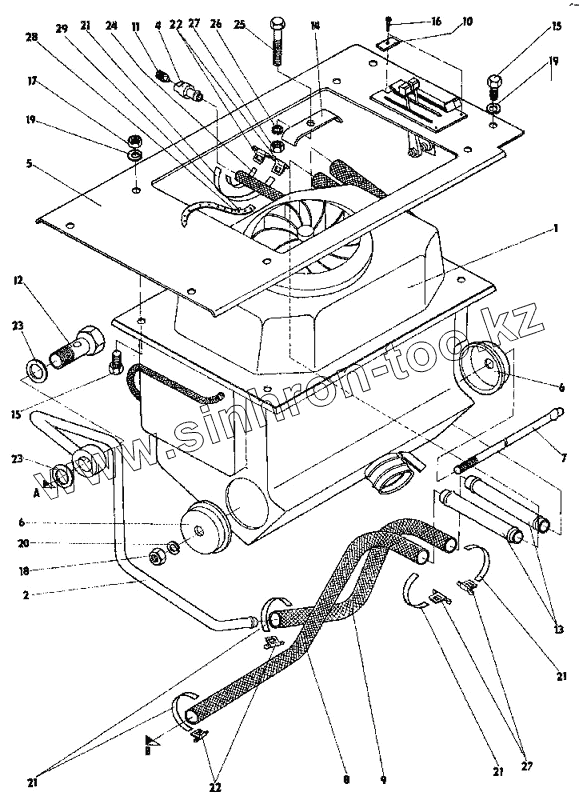
| Позиция на иллюстрации | Заводской номер детали | Название детали | |
|---|---|---|---|
| 533-9-34-37-000-2 | 533-9-34-37-000-2 | Отопление | |
| 533 934 126 016 | 533 934 126 016 | Отопление | |
| 1 | 533-9-34-37-001-2 | Отделка отопления | |
| 1 | 533 934 126 116 | Отделка отопления | |
| 2 | 533 934 126 216 | Трубопровод | |
| 2 | 533-9-34-37-010-1 | Трубопровод | |
| 4 | 533 034 126 416 | Пробка | |
| 4 | 533-0-34-37-029-1 | Пробка | |
| 5 | 533 034 126 516 | Угольник | |
| 5 | 533-0-34-37-030-2 | Угольник | |
| 6 | 533 034 126 616 | Крышка | |
| 6 | 533-0-34-37-031-1 | Крышка | |
| 7 | 533 034 126 716 | Проволока | |
| 7 | 533-0-34-37-032-1 | Проволока | |
| 8 | 533 034 126 816 | Шланг | |
| 8 | 533-0-34-37-033-1 | Шланг | |
| 9 | 533 034 126 916 | Шланг | |
| 9 | 533-0-34-37-034-1 | Шланг | |
| 10 | 533 034 127 016 | Washer | |
| 10 | 533-0-34-37-035-1 | Шайба | |
| 11 | 533 034 127 116 | Болт | |
| 11 | 533-0-34-37-036-1 | Болт | |
| 12 | 533 005 420 716 | Болт | |
| 12 | 533-0-05-37-008-2 | Болт | |
| 13 | 533 034 127 216 | Трубка | |
| 13 | 533-0-34-37-037-1 | Трубка | |
| 14 | 533 034 127 316 | Зажим | |
| 14 | 533-0-34-37-038-1 | Зажим | |
| 15 | CSN 02 1103.25 | Болт M6x16 | |
| 16 | CSH 02 1131.25 | Болт M4x8 | |
| 17 | CSN 02 1401.25 | Гайка M6 | |
| 18 | CSN 02 1401.25 | Гайка M6 | |
| 19 | CSN 02 1740.05 | Шайба 4 | |
| 20 | CSN 02 1740.05 | Шайба 4 | |
| 21 | CSN 02 2757 | Поясок 9x235 | |
| 22 | CSN 02 2751.5 | Хомутик 9 | |
| 23 | CSN 02 9310.3 | Уплотнительное кольцо 26x32 | |
| 24 | CSN 02 2757 | Поясок 9x235 | |
| 25 | CSN 02 1103.25 | Болт M6x16 | |
| 26 | CSN 02 1740.05 | Шайба 4 | |
| 27 | CSN 02 1401.25 | Гайка M6 | |
| 28 | 283 429 600 185 | Лента | |
| 28 | ONL 3450 | Лента | |
| 29 | 321 840 811 005 | Кнопка | |
| 29 | OHL 3451.1 | Кнопка |
Содержащиеся в справочниках-каталогах запасные части и детали не предлагаются к продаже, а носят исключительно информационный характер