Каталог запасных частей к технике: ППС Детва УНС-060. Накидная подкопная установка
533-9-34-72-000-1
2
2
3
3
5
5
10
10
11
11
12
12
13
13
13
14
14
15
15
15
16
16
17
17
18
18
19
19
26
26
27
27
28
28
28
29
29
29
31
31
31
31
31
32
32
32
33
33
33
33
33
34
34
34
44
44
44
44
44
44
44
47
48
49
56
56
56
56
56
56
56
56
57
57
57
57
57
57
57
58
58
65
65
65
65
65
65
65
65
| Позиция на иллюстрации | Заводской номер детали | Название детали | |
|---|---|---|---|
| 533-9-34-72-000-1 | 533-9-34-72-000-1 | Накидная подкопная установка | |
| 533 934 221 516 | 533 934 221 516 | Подшипник | |
| 533-9-34-72-050-1 | 533-9-34-72-050-1 | Подшипник | |
| 533 934 221 616 | 533 934 221 616 | Доска | |
| 533-9-34-72-051-1 | 533-9-34-72-051-1 | Доска | |
| 533 934 163 716 | 533 934 163 716 | Подшипник поворотного механизма | |
| 533-9-34-52-002-1 | 533-9-34-52-002-1 | Подшипник поворотного механизма | |
| CSN 02 1103.50 | CSN 02 1103.50 | Винт M16x40 | |
| CSN 02 1740.00 | CSN 02 1740.00 | Шайба 12 | |
| CSN 02 2150 .2 | CSN 02 2150 .2 | Штифт 12x50 | |
| 533 034 223 416 | 533 034 223 416 | Стойка правая задняя | |
| 533-9-34-72-150-1 | 533-9-34-72-150-1 | Стойка правая задняя | |
| 533 034 223 516 | 533 034 223 516 | Втулка | |
| 533-9-34-72-151-1 | 533-9-34-72-151-1 | Втулка | |
| 533 934 173 016 | 533 934 173 016 | Стойка | |
| 533-9-34-52-155-1 | 533-9-34-52-155-1 | Стойка | |
| 533 934 224 616 | 533 934 224 616 | Трубопровод | |
| 533-9-34-72-165-1 | 533-9-34-72-165-1 | Трубопровод | |
| 533 034 224 816 | 533 034 224 816 | Палец | |
| 533-0-34-72-175-1 | 533-0-34-72-175-1 | Палец | |
| 533 034 224 916 | 533 034 224 916 | Крышка | |
| 533-0-34-72-176-1 | 533-0-34-72-176-1 | Крышка | |
| 533 034 225 016 | 533 034 225 016 | Патрубок | |
| 533-0-34-72-177-1 | 533-0-34-72-177-1 | Патрубок | |
| 533 034 098 916 | 533 034 098 916 | Промежуточное кольцо | |
| 533-0-34-25-281-1 | 533-0-34-25-281-1 | Промежуточное кольцо | |
| 533 034 054 916 | 533 034 054 916 | Винт | |
| 533-0-34-19-656-1 | 533-0-34-19-656-1 | Винт | |
| 533 034 040 216 | 533 034 040 216 | Гайка | |
| 533-0-34-19-255-1 | 533-0-34-19-255-1 | Гайка | |
| 533 034 055 116 | 533 034 055 116 | Пробка | |
| 533-0-34-19-658-1 | 533-0-34-19-658-1 | Пробка | |
| PNM 11 9102 | PNM 11 9102 | Гидромотор H63/32/250-1-1-1-1-1-1 | |
| CSN 02 7421.3 | CSN 02 7421.3 | Масленка КМ 10x1 | |
| CSN 02 1103.10 | CSN 02 1103.10 | Винт 6x12 | |
| CSN 02 1740.00 | CSN 02 1740.00 | Шайба 12 | |
| CSN 02 2930 | CSN 02 2930 | Кольцо 13 | |
| PN 0512-02-7421 | PN 0512-02-7421 | Кожух масленки | |
| CSN 02 1781.05 | CSN 02 1781.05 | Шплинт 3,2x20 | |
| CSN 02 9310.2 | CSN 02 9310.2 | Уплотнительное кольцо 14x18 | |
| 533-9-34-72-180-1 | 533-9-34-72-180-1 | Стойка левая задняя | |
| 533 934 225 216 | 533 934 225 216 | Втулка | |
| 533-9-34-72-181-1 | 533-9-34-72-181-1 | Втулка | |
| 533 934 225 316 | 533 934 225 316 | Стойка | |
| 533-9-34-72-185-1 | 533-9-34-72-185-1 | Стойка | |
| 533 934 224 616 | 533 934 224 616 | Трубопровод | |
| 533-9-34-72-165-1 | 533-9-34-72-165-1 | Трубопровод | |
| 533 034 224 816 | 533 034 224 816 | Палец | |
| 533-0-34-72-175-1 | 533-0-34-72-175-1 | Палец | |
| 533 034 224 975 | 533 034 224 975 | Крышка | |
| 533-0-34-72-176-1 | 533-0-34-72-176-1 | Крышка | |
| 533 034 275 016 | 533 034 275 016 | Патрубок | |
| 533-0-34-72-177-1 | 533-0-34-72-177-1 | Патрубок | |
| 533 034 098 916 | 533 034 098 916 | Промежуточное кольцо | |
| 533-0-34-25-281-1 | 533-0-34-25-281-1 | Промежуточное кольцо | |
| 533 034 054 916 | 533 034 054 916 | Винт | |
| 533-0-34-19-656-1 | 533-0-34-19-656-1 | Винт | |
| 533 034 040 216 | 533 034 040 216 | Гайка | |
| 533-0-34-19-255-1 | 533-0-34-19-255-1 | Гайка | |
| 533 034 055 116 | 533 034 055 116 | Пробка | |
| 533-0-34-19-658-1 | 533-0-34-19-658-1 | Пробка | |
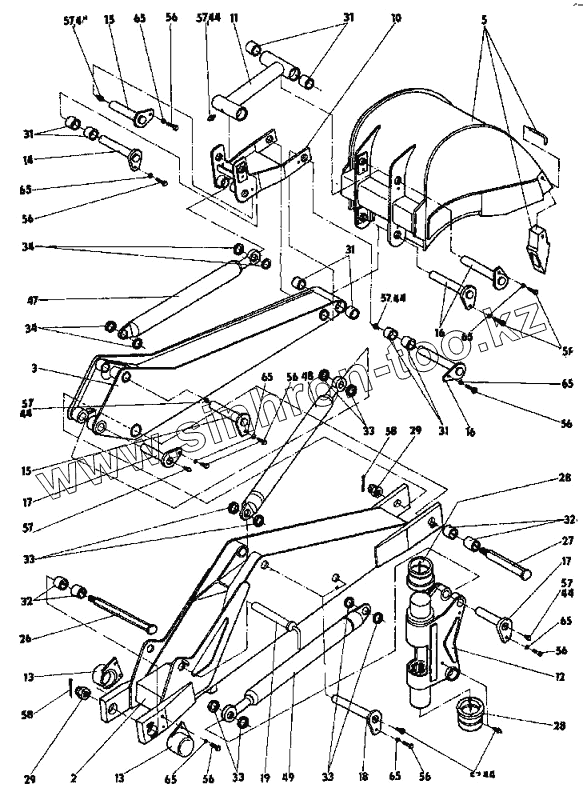
| 1 | 533 934 220 116 | Рама | |
| 1 | 533-9-34-72-001-1 | Рама | |
| 2 | 533.934.164 616 | Стрела | |
| 2 | 533-9-34-52-135-1 | Стрела | |
| 3 | 533 934 164 716 | Плечо | |
| 3 | 533-9-34-52-180-1 | Плечо | |
| 5 | 533 934 164 816 | Ковш 0,4 | |
| 5 | 533-9-34-52-205-1 | Ковш 0,4 | |
| 7 | 533-9-34-72-155-1 | Стойка | |
| 9 | 533 934 225 316 | Стойка | |
| 9 | 533-9-34-72-185-1 | Стойка | |
| 10 | 533 934 164 916 | Рычаг | |
| 10 | 533-9-34-52-240-1 | Рычаг | |
| 11 | 533 934 165 016 | Тяга | |
| 11 | 533-9-34-52-250-1 | Тяга | |
| 12 | 533 934 222 916 | Подвеска | |
| 12 | 533-9-34-72-095-1 | Подвеска | |
| 13 | 533 934 166 016 | Упор | |
| 13 | 533-9-34-52-280-1 | Упор | |
| 14 | 533 934 166 216 | Палец с предохранителем | |
| 14 | 533-9-34-52-300-1 | Палец с предохранителем | |
| 15 | 533 934 166 316 | Палец с предохранителем | |
| 15 | 533-9-34-52-305-1 | Палец с предохранителем | |
| 16 | 533-9-34-52-310-1 | Палец с предохранителем | |
| 17 | 533 934 166 516 | Палец с предохранителем | |
| 17 | 533-9-34-52-315-1 | Палец с предохранителем | |
| 18 | 533 934 166 616 | Палец с предохранителем | |
| 18 | 533-9-34-52-320-1 | Палец с предохранителем | |
| 19 | 533 934 166 716 | Палец с предохранителем | |
| 19 | 533-9-34-52-925-1 | Палец | |
| 20 | 533 934 225 416 | Сидение | |
| 20 | 533-9-34-72-190-1 | Сидение | |
| 21 | 533 934 226 416 | Управление | |
| 21 | 533-9-34-72-400-1 | Управление | |
| 22 | 533 934 228 116 | Гидравлическая система | |
| 22 | 533-9-34-72-500-1 | Гидравлическая система | |
| 26 | 533 034 166 816 | Палец | |
| 26 | 533-0-34-52-330-1 | Палец | |
| 27 | 533 034 166 916 | Палец | |
| 27 | 533-0-34-52-331-1 | Палец | |
| 28 | 533 034 167 016 | Втулка | |
| 28 | 533-0-34-52-332-1 | Втулка | |
| 29 | 533 034 167 116 | Гайка | |
| 29 | 533-0-34-52-333-1 | Гайка | |
| 31 | 533 034 167 216 | Втулка | |
| 31 | 533-0-34-52-335-1 | Втулка | |
| 32 | 533 034 167 316 | Втулка | |
| 32 | 533-0-34-52-33(5-1 | Втулка | |
| 33 | 533 034 167 416 | Кольцо | |
| 33 | 533-0-34-52-337-1 | Кольцо | |
| 34 | 533 034 173 116 | Промежуточное кольцо | |
| 34 | 533-0-34-52-281-1 | Промежуточное кольцо | |
| 35 | 533 034 224 816 | Палец | |
| 35 | 533-0-34-72-175-1 | Палец | |
| 36 | 533 034 224 916 | Крышка | |
| 36 | 533-0-34-72-176-1 | Крышка | |
| 37 | 533 034 222 716 | Призма | |
| 37 | 533-0-34-72-082-1 | Призма | |
| 38 | 533 034 222 816 | Винт | |
| 38 | 533-0-34-72-083-1 | Винт | |
| 44 | 562 811 028 001 | Кожух масленки | |
| 44 | PN 051202-7271 | Кожух масленки | |
| 45 | 3200180 HK1-0-0001 | Гидродвигатель | |
| 46 | РNМ 119102 | Цилиндр гидравлический H63/32/250-1-1-1-1-1-1 | |
| 47 | PNM 119102 | Цилиндр гидравлический H63/32/160-1-1-1-1-1-1 | |
| 48 | PNM 119102 | Цилиндр гидравлический H63/32/160-1-1-1-1-1-1 | |
| 49 | PNM 119102 | Цилиндр гидравлический H63/32/160-1-1-1-1-1-1 | |
| 54 | CSN 02 1103.50 | Винт M16x40 | |
| 55 | CSN 02 1740.00 | Шайба 12 | |
| 56 | CSN 02 1103.22 | Винт M8x20 | |
| 57 | CSN 02 7421.3 | Масленка КМ 10x1 | |
| 58 | CSN 02 1781.00 | Шплинт 2x16 | |
| 59 | CSN 02 2930 | Кольцо 13 | |
| 60 | CSN 63 5820 | Пружина 12 | |
| 61 | CSN 02 1740.00 | Шайба 12 | |
| 62 | CSN 02 1103.22 | Винт M8x20 | |
| 63 | CSN 02 1740.00 | Шайба 12 | |
| 65 | CSN 02 1740.00 | Шайба 12 | |
| 66 | CSN 02 1401.20 | Гайка M8 | |
| 67 | CSN 02 1740.00 | Шайба 12 |
Содержащиеся в справочниках-каталогах запасные части и детали не предлагаются к продаже, а носят исключительно информационный характер