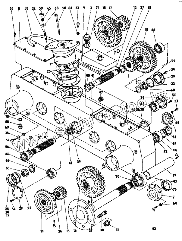
Каталог запасных частей к технике: ППС Детва УНС-060. Коробка передач левая
533-9-34-09-500-1
533 934 019 116
1
1
3
4
4
5
5
7
7
8
8
9
9
12
12
14
14
15
15
15
16
16
17
18
18
19
19
20
22
23
25
26
26
27
28
28
29
29
29
30
31
33
34
34
35
35
36
37
37
37
37
39
40
41
41
42
43
44
46
46
46
46
47
48
50
51
52
53
53
53
54
54
54
55
58
60
60
61
64
64
64
65
66
66
67
68
68
70
71
75
| Позиция на иллюстрации | Заводской номер детали | Название детали | |
|---|---|---|---|
| 533-9-34-09-500-1 | 533-9-34-09-500-1 | Коробка передач левая | |
| 533 934 019 116 | 533 934 019 116 | Коробка передач левая | |
| 1 | 533-9-34-09-501-1 | Шестерня в сборе | |
| 1 | 533 934 019 316 | Шестерня в сборе | |
| 3 | 533-9-03-11-115-4 | Обезвоздушивающая пробка | |
| 4 | 533 034 021 016 | Левый корпус | |
| 4 | 533-0-34-09-051-1 | Левый корпус | |
| 5 | 533 034 021 116 | Крышка | |
| 5 | 533-0-34-09-053-1 | Крышка | |
| 7 | 533 034 021 216 | Крышка | |
| 7 | 533-0-34-09-056-1 | Крышка | |
| 8 | 533 034 021 316 | Крышка | |
| 8 | 533-0-34-09-065-2 | Крышка | |
| 9 | 533 034 021 416 | Собиратель | |
| 9 | 533-9-34-09-057-2 | Собиратель | |
| 12 | 533 034 021 716 | Вал | |
| 12 | 533-0-34-09-070-2 | Вал | |
| 14 | 533 034 021 816 | Шестерня | |
| 14 | 533-0-34-09-072-2 | Шестерня | |
| 15 | 533-0-34-09-073-1 | Шестерня | |
| 15 | 533 034 021 916 | Шестерня | |
| 16 | 533 034 022 016 | Шестерня | |
| 16 | 533-0-34-09-074-2 | Шестерня | |
| 17 | 533-0-34-09-075-1 | Шестерня | |
| 18 | 533 034 022 216 | Шестерня | |
| 18 | 533-0-34-09-076-2 | Шестерня | |
| 19 | 533 034 022 316 | Распорная трубка | |
| 19 | 533-0-34-09-080-1 | Распорная трубка | |
| 20 | 533-0-34-09-081-1 | Кольцо | |
| 22 | 533-0-34-09-083-1 | Распорное кольцо | |
| 23 | 533-0-34-09-084-1 | Распорное кольцо | |
| 25 | 533-0-34-09-085-1 | Ограничительное кольцо | |
| 26 | 533-0-34-09-086-2 | Кольцо | |
| 27 | 533-0-34-09-087-2 | Кольцо | |
| 28 | 533-0-34-09-088-1 | Ограничительное кольцо 0,1 | |
| 29 | 533-0-34-09-089-3 | Крышка | |
| 30 | 533-0-34-09-090-1 | Винт М18х1,5х11х50 | |
| 31 | 533-0-34-09-091-1 | Гайка М18х1,5 | |
| 33 | 533-0-34-09-093-1 | Шланг | |
| 34 | 533-0-34-09-094-1 | Ограннчительное кольцо 0,3 | |
| 35 | 533-0-34-09-095-1 | Ограничительное кольцо 0,5 | |
| 36 | 533-0-34-09-093-1 | Шланг | |
| 37 | 533-9-34-09-100-1 | Выходной вал | |
| 37 | 533-0-34-09-101-1 | Вал | |
| 37 | 533-0-34-09-102-1 | Фланец | |
| 37 | 533-0-34-09-103-1 | Шпонка | |
| 38 | 533-0-34-09-105-1 | Шайба | |
| 39 | 533-0-34-09-106-1 | Кольцо | |
| 40 | 533-0-34-09-107-1 | Кольцо | |
| 41 | 533-0-34-09-108-1 | Пружина | |
| 42 | 533-0-34-09-109-1 | Кольцо | |
| 43 | CSN 02 4705 | Подшипник 22 210 | |
| 44 | CSN 02 4705 | Подшипник 22 210 | |
| 46 | CSN 02 4630 | Подшипник 6308 | |
| 47 | CSN 02 7486 | Масло указатель M24x1,54 | |
| 48 | CSN 02 1914.15 | Пробка M20x1,5x10 | |
| 49 | CSN 02 1103.55 | Болт M8x20 | |
| 50 | CSN 02 1143.55 | Болт M8x80 | |
| 51 | CSN 02 1103.55 | Болт M8x20 | |
| 52 | CSN 02 1176.15 | Болт M12x35 | |
| 53 | CSN 02 1103.55 | Болт M8x20 | |
| 54 | CSN 02 1151.25 | Винт 5x16 | |
| 55 | CSN 02 1151.25 | Винт 5x16 | |
| 58 | CSN 02 1401.55 | Гайка M12 | |
| 60 | CSN 02 3630 | Гайка KM7 | |
| 61 | CSN 02 3630 | Гайка KM7 | |
| 63 | CSN 02 1753.05 | Шайба 17 | |
| 64 | CSN 02 1740.05 | Шайба 4 | |
| 65 | CSN 02 1740.05 | Шайба 4 | |
| 66 | CSN 02 3640 | Шайба MB 8 | |
| 67 | CSN 02 3640 | Шайба MB 8 | |
| 68 | CSN 02 1702.15 | Шайба 13 | |
| 70 | CSN 02 9310.3 | Уплотнительное кольцо 26x32 | |
| 71 | CSN 02 9310.3 | Уплотнительное кольцо 26x32 | |
| 75 | CSN 02 9401.0 | Кольцо Гуферо GP 60x80x13 |
Содержащиеся в справочниках-каталогах запасные части и детали не предлагаются к продаже, а носят исключительно информационный характер