Каталог запасных частей к технике: ППС Детва УНС-060. Коробка передач
533-9-34-98-001-1
7
8
9
10
10
11
13
13
14
15
16
16
17
18
20
21
21
22
26
26
27
27
28
28
29
29
31
32
34
35
36
36
37
37
39
40
41
42
43
43
44
44
45
46
47
48
49
50
50
51
52
53
54
55
56
58
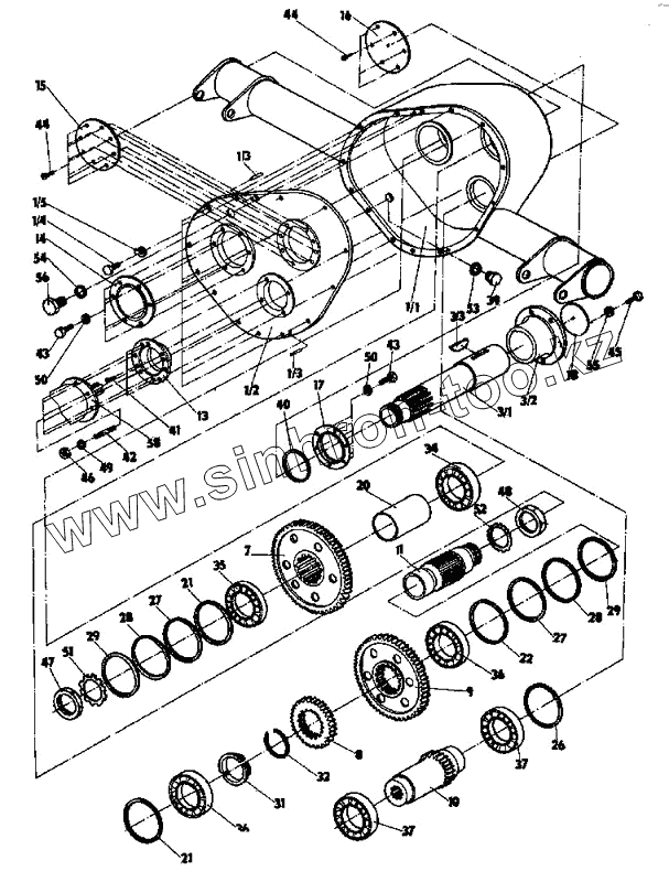
| Позиция на иллюстрации | Заводской номер детали | Название детали | |
|---|---|---|---|
| 533-9-34-98-002-1 | 533-9-34-98-002-1 | Шкаф | |
| 533-9-34-98-001-1 | 533-9-34-98-001-1 | Коробка передач | |
| 533-0-34-09-103-1 | 533-0-34-09-103-1 | Шпонка | |
| 533-0-34-98-032-1 | 533-0-34-98-032-1 | Фланец | |
| 533 034 208 616 | 533 034 208 616 | Фланец | |
| 533-0-34-09-101-1 | 533-0-34-09-101-1 | Вал | |
| 533-9-31-98-030-1 | 533-9-31-98-030-1 | Вал вторичный | |
| CSN 02 1751.05 | CSN 02 1751.05 | Шайба 8,4 | |
| CSN 02 2150.1 | CSN 02 2150.1 | Штифт 5x25 | |
| 533-9-34-98-025-1 | 533-9-34-98-025-1 | Крышка | |
| 533 934 208 316 | 533 934 208 316 | Крышка | |
| 533-9-34-98-003-1 | 533-9-34-98-003-1 | Шкаф | |
| 533 934 208 216 | 533 934 208 216 | Шкаф | |
| CSN 02 1103.55 | CSN 02 1103.55 | Болт M8x20 | |
| 7 | 533-0-34-09-074-2 | Шестерня | |
| 8 | 533-0-34-09-075-1 | Шестерня | |
| 9 | 533-0-34-09-076-2 | Шестерня | |
| 10 | 533 034 208 716 | Вал первичный | |
| 10 | 533-0-34-98-036-1 | Вал первичный | |
| 11 | 533-0-34-09-070-2 | Вал | |
| 13 | 533 034 208.816 | Фланец | |
| 13 | 533-0-34-98-037-1 | Фланец | |
| 14 | 533-0-34-09-053-1 | Крышка | |
| 15 | 533-0-34-09-089-1 | Крышка | |
| 16 | 533 034 208 916 | Крышка | |
| 16 | 533-0-34-98-035-1 | Крышка | |
| 17 | 533-0-34-09-056-1 | Крышка | |
| 18 | 533-0-34-09-105-1 | Шайба | |
| 20 | 533-0-34-09-080-1 | Распорная трубка | |
| 21 | 533-0-34-09-083-1 | Распорное кольцо | |
| 22 | 533-0-34-09-084-1 | Распорное кольцо | |
| 26 | 533-0-34-98-047-1 | Кольцо ограничительное 0,1 | |
| 26 | 533 034 209 016 | Кольцо ограничительное 0,1 | |
| 27 | 533-0-34-09-088-1 | Ограничительное кольцо 0,1 | |
| 28 | 533-0-34-09-094-1 | Ограннчительное кольцо 0,3 | |
| 29 | 533-0-34-09-095-1 | Ограничительное кольцо 0,5 | |
| 31 | 533-0-34-09-087-2 | Кольцо | |
| 32 | 533-0-34-09-108-1 | Пружина | |
| 34 | CSN 02 4705 | Подшипник 22 210 | |
| 35 | CSN 02 4705 | Подшипник 22 210 | |
| 36 | CSN 02 4630 | Подшипник 6308 | |
| 37 | CSN 02 4630 | Подшипник 6308 | |
| 39 | CSN 02 1915.11 | Пробка M20x1,5x12 | |
| 40 | CSN 02 9401.0 | Кольцо Гуферо GP 60x80x13 | |
| 41 | CSN 02 1143.55. | Винт M8x16 | |
| 42 | CSN 02 1174.25 | Болт M8x20 | |
| 43 | CSN 02 1103.55 | Болт M8x20 | |
| 44 | CSN 02 1151.25 | Винт 5x16 | |
| 45 | CSN 02 1103.55 | Болт M8x20 | |
| 46 | CSN 02 1401.55 | Гайка M12 | |
| 47 | CSN 02 3630 | Гайка KM7 | |
| 48 | CSN 02 3630 | Гайка KM7 | |
| 49 | CSN 02 1740.05 | Шайба 4 | |
| 50 | CSN 02 1740.05 | Шайба 4 | |
| 51 | CSN 02 3640 | Шайба MB 8 | |
| 52 | CSN 02 3640 | Шайба MB 8 | |
| 53 | CSN 02 9310.3 | Уплотнительное кольцо 26x32 | |
| 54 | CSN 02 9310.3 | Уплотнительное кольцо 26x32 | |
| 55 | CSN 02 1753.05 | Шайба 17 | |
| 56 | 533-05-04-070-1 | Пробка для выпуска воздуха | |
| 58 | Гидродвигатель | Гидродвигатель |
Содержащиеся в справочниках-каталогах запасные части и детали не предлагаются к продаже, а носят исключительно информационный характер