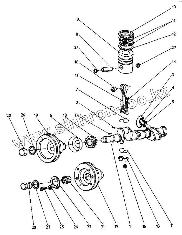
Каталог запасных частей к технике: ППС Детва УНС-060. Коленчатый вал
30 010 399
1
2
3
4
5
6
7
7
7
7
8
9
10
11
12
13
13
14
15
16
17
18
19
19
20
20
21
22
23
24
25
26
27
27
| Позиция на иллюстрации | Заводской номер детали | Название детали | |
|---|---|---|---|
| 30 010 399 | 30 010 399 | Коленчатый вал комплектный | |
| 1 | 30010301 | Коленчатый вал | |
| 2 | 950 301 | Пробка коленчатого вала | |
| 3 | 950 302 | Противовес | |
| 4 | 950 303 | Винт противовеса | |
| 5 | 950 304 | Прокладка винта противовеса | |
| 6 | 55 010 303 | Маслоотражатель передний | |
| 7 | 55 010 304 | Вкладыш шатуна | |
| 7 | 55 010 399 | Вкладыш шатуна для 1-й перешлифовки цапф | |
| 7 | 55 010 398 | Вкладыш шатуна для 2-й перешлифовки цапф | |
| 7 | 55 010 397 | Вкладыш шатуна для 3-й перешлифовки цапф | |
| 8 | 67010332 | Поршневой палец | |
| 9 | 69 010 374 | Поршень | |
| 10 | 69 010 375 | Поршневое кольцо d 102x3x4,3 | |
| 11 | 69 010 376 | Поршневое кольцо d 102x3 | |
| 12 | 69 010 378 | Поршневое кольцо d 102x5x4,1 | |
| 13 | 69 010 389 | Шатун в сборе | |
| 13 | 69 010 388 | Шатун | |
| 14 | 69 010 386 | Винт шатуна | |
| 15 | 69 010 373 | Гайка винта шатуна | |
| 16 | 950311 | Втулка шатуна | |
| 17 | 997 908 | Шпонка 10h9x8x56 CSN 02 2562 | |
| 18 | 69 010 399 | Распределительное колесо | |
| 19 | 950330 | Шкив мотора | |
| 20 | 55 010 310 | Гайка | |
| 21 | 69 010 393 | Конусный элемент | |
| 22 | 69 010 394 | Предохранительный лист | |
| 23 | 974 513 | Кольцо 42x2 CSN 02 9281.2 | |
| 24 | 994 806 | Шайба 8,2 CSN 02 1740.05 | |
| 25 | 999 002 | Болт M8x14 CSN 02 1103.15 | |
| 26 | 950321 | Шайба | |
| 27 | 970 288 | Стопорное кольцо 35 CSN 02 2931 |
Содержащиеся в справочниках-каталогах запасные части и детали не предлагаются к продаже, а носят исключительно информационный характер