Каталог запасных частей к технике: ППС Детва УНС-060. Картер мотора
49 010 151
1
2
3
4
5
5
5
5
6
6
6
6
7
7
7
7
8
8
8
8
9
9
9
9
10
10
10
10
11
11
11
12
12
12
13
14
17
18
18
19
20
21
22
23
24
25
26
27
28
29
30
32
33
34
35
36
37
38
39
40
41
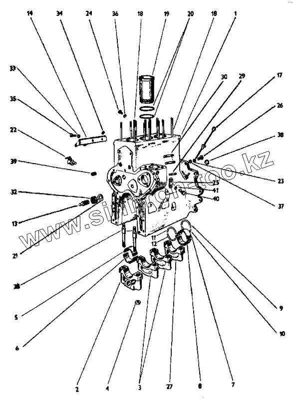
| Позиция на иллюстрации | Заводской номер детали | Название детали | |
|---|---|---|---|
| 49 010 151 | 49 010 151 | Картер мотора с крышками подшипников | |
| 69 010 181 | 69 010 181 | Резьбовое присоединение | |
| 1 | 49 010 152 | Картер мотора | |
| 2 | 69 010 177 | Крышка переднего подшипника | |
| 3 | 69 010 178 | Крышка среднего подшипника | |
| 4 | 950 105 | Гайка M14x1,5 | |
| 5 | 55 010 191 | Вкладыш подшипника верхний для 2-й перешлифовки | |
| 5 | 55 010 106 | Вкладыш подшипника верхний | |
| 5 | 55 010 183 | Вкладыш подшипника верхний для 3-й перешлифовки | |
| 5 | 55 010 199 | Вкладыш подшипника верхний для 1-й перешлифовки | |
| 6 | 55 010 107 | Вкладыш подшипника нижний | |
| 6 | 55 010 182 | Вкладыш подшипника нижний для 3-й перешлифовки | |
| 6 | 55 010 190 | Вкладыш подшипника нижний для 2-й перешлифовки | |
| 6 | 55 010 167 | Вкладыш подшипника нижний для 1-й перешлифовки | |
| 7 | 55 010 108 | Вкладыш заднего подшипника верхний | |
| 7 | 55 010 181 | Вкладыш заднего подшипника верхний для 3-й перешлифовки | |
| 7 | 55 010 189 | Вкладыш заднего подшипника верхний для 2-й перешлифовки | |
| 7 | 55 010 197 | Вкладыш заднего подшипника верхний для 1-й перешлифовки | |
| 8 | 55 010 109 | Вкладыш заднего подшипника нижний | |
| 8 | 55 010 180 | Вкладыш заднего подшипника нижний для 3-й перешлифовки | |
| 8 | 55 010 188 | Вкладыш заднего подшипника нижний для 2-й перешлифовки | |
| 8 | 55 010 196 | Вкладыш заднего подшипника нижний для 1-й перешлифовки | |
| 9 | 55 010 112 | Упорный подшипник верхний | |
| 9 | 55 010 179 | Упорный подшипник верхний для 3-й перешлифовки | |
| 9 | 55 010 187 | Упорный подшипник верхний для 2-й перешлифовки | |
| 9 | 55 010 195 | Упорный подшипник верхний для 1-й перешлифовки | |
| 10 | 55 010 113 | Упорный подшипник нижний | |
| 10 | 55 010 778 | Упорный подшипник нижний для 3-й перешлифовки | |
| 10 | 55 010 186 | Упорный подшипник нижний для 2-й перешлифовки | |
| 10 | 55 010 194 | Упорный подшипник нижний для 1-й перешлифовки | |
| 11 | 55010110 | Упорный подшипник верхний | |
| 11 | 55010193 | Упорный подшипник верхний для 2-й перешлифовки | |
| 11 | 55 010 185 | Упорный подшипник верхний для 1-й перешлифовки | |
| 12 | 55 010 111 | Упорный подшипник нижний | |
| 12 | 55 010 192 | Упорный подшипник нижний для 1-й перешлифовки | |
| 12 | 55 011 084 | Упорный подшипник нижний для 2-й перешлифовки | |
| 13 | 950 114 | Винт смазки распределения | |
| 14 | 59 010 165 | Держатель альтернатора | |
| 17 | 55 010 116 | Измерительный шток масла | |
| 18 | 55 010 120 | Винт головки | |
| 19 | 69 010 168 | Вставленная мокрая гильза | |
| 20 | 67 010 125 | Уплотнение гильзы | |
| 21 | 950 115 | Стопорная пластина | |
| 22 | 950 118 | Выпускной кран | |
| 23 | 950 122 | Уплотнительное кольцо | |
| 24 | 950 124 | Пробка картера | |
| 25 | 6901. 0171 | Петля | |
| 26 | 55 010 122 | Пробка масляного канала | |
| 27 | 69 010 179 | Крышка заднего подшипника | |
| 28 | 950 132 | Винт подшипника | |
| 29 | 992 544 | Болт M10x25 CSN 02 1176.25 | |
| 30 | 992 585 | Винт M10x30 CSN 02 1176.25 | |
| 32 | 993 771 | Гайка M10x30 CSN 02 1430.20 | |
| 33 | 994807 | Шайба 10,2 CSN 02 1740.05 | |
| 34 | 994807 | Шайба 10,2 CSN 02 1740.05 | |
| 35 | 999 027 | Винт M10x20 CSN 1103.15 | |
| 36 | 67 010 127 | Кольцо уплотнительное | |
| 37 | 972 140 | Кольцо уплотнительное | |
| 38 | 69 010 155 | Пробка | |
| 39 | 972 563 | Пробка со шлицом M18x1,5 PN 32 0203 | |
| 40 | 991 477 | Винт M12x25 CSN 02 1103.55 | |
| 41 | 994 808 | Шайба 12 CSN 02 1740.05 |
Содержащиеся в справочниках-каталогах запасные части и детали не предлагаются к продаже, а носят исключительно информационный характер