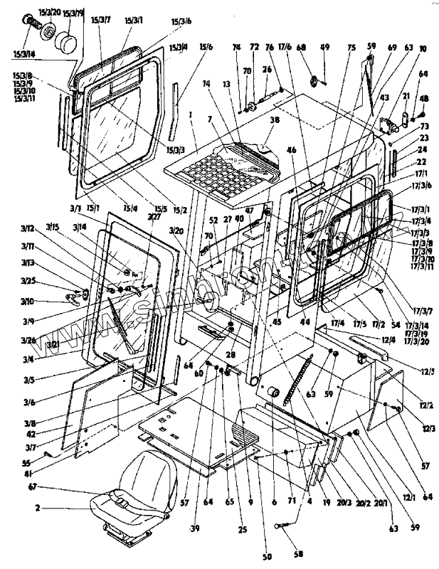
Каталог запасных частей к технике: ППС Детва УНС-060. Кабина
533-9-34-81-000-1
1
2
2
4
6
7
9
9
10
13
14
19
19
21
21
22
22
23
23
24
24
25
25
26
27
28
38
39
39
40
40
41
41
42
42
43
43
44
44
45
45
46
46
47
47
48
49
50
52
54
55
57
57
58
59
59
59
60
63
63
63
64
64
64
64
65
67
68
68
69
70
70
71
72
73
74
75
76
| Позиция на иллюстрации | Заводской номер детали | Название детали | |
|---|---|---|---|
| 533-9-34-81-000-1 | 533-9-34-81-000-1 | Кабина | |
| 533 934 149 016 | 533 934 149 016 | Дверь | |
| 533-9-34-81-300-2 | 533-9-34-81-300-2 | Дверь | |
| 533 934 149 116 | 533 934 149 116 | Рама дверей | |
| 533-9-34-81-301-1 | 533-9-34-81-301-1 | Рама дверей | |
| 533 034 150 416 | 533 034 150 416 | Дверное стекло | |
| 533-0-34-81-350-1 | 533-0-34-81-350-1 | Дверное стекло | |
| 533 034 150 516 | 533 034 150 516 | Профиль | |
| 533-0-34-81-351-1 | 533-0-34-81-351-1 | Профиль | |
| 533 034 150 616 | 533 034 150 616 | Клинок | |
| 533-0-34-81-352-1 | 533-0-34-81-352-1 | Клинок | |
| 533 034 150 716 | 533 034 150 716 | Уплотнение | |
| 533-0-34-81-353-1 | 533-0-34-81-353-1 | Уплотнение | |
| 533 034 150 816 | 533 034 150 816 | Уплотнение | |
| 533-0-34-81-354-1 | 533-0-34-81-354-1 | Уплотнение | |
| 533 034 150 916 | 533 034 150 916 | Ручка | |
| 533-0-34-81-355-1 | 533-0-34-81-355-1 | Ручка | |
| 533 034 151 016 | 533 034 151 016 | Ручка с гильзой | |
| 533-0-34-81-356-1 | 533-0-34-81-356-1 | Ручка с гильзой | |
| 533 034 151 116 | 533 034 151 116 | Палец | |
| 533-0-34-81-357-1 | 533-0-34-81-357-1 | Палец | |
| 533 034 151 216 | 533 034 151 216 | Втулка | |
| 533-0-34-81-358-1 | 533-0-34-81-358-1 | Втулка | |
| 533 034 151 316 | 533 034 151 316 | Шайба | |
| 533-0-34-81-359-1 | 533-0-34-81-359-1 | Шайба | |
| 533-0-34-81-360-1 | 533-0-34-81-360-1 | Лист | |
| 533-0-34-81-362-1 | 533-0-34-81-362-1 | Пружина | |
| 443 122 100 001 | 443 122 100 001 | Стеклоочистительный механизм 12V18A | |
| 443 123 168 027 | 443 123 168 027 | Стеклоочиститель | |
| CSN 02 1151.25 | CSN 02 1151.25 | Винт 5x16 | |
| CSN 02 1131.25 | CSN 02 1131.25 | Винт 4x16 | |
| CSN 02 1740.05 | CSN 02 1740.05 | Шайба 4 | |
| 533-9-34-81-470-1 | 533-9-34-81-470-1 | Упругое гнездо | |
| 533 934 155 616 | 533 934 155 616 | Крышка | |
| 533-9-34-81-510-1 | 533-9-34-81-510-1 | Крышка | |
| 533 934 155 716 | 533 934 155 716 | Крышка | |
| 533-9-34-81-511-1 | 533-9-34-81-511-1 | Крышка | |
| 533 034 156 416 | 533 034 156 416 | Накладка верхняя IZOMAT | |
| 533-0-34-81-520-1 | 533-0-34-81-520-1 | Накладка верхняя IZOMAT | |
| 533 034 156 516 | 533 034 156 516 | Накладка правая IZOMAT | |
| 533-0-34-81-521-1 | 533-0-34-81-521-1 | Накладка правая IZOMAT | |
| 533 034 156 616 | 533 034 156 616 | Накладка левая IZOMAT | |
| 533-0-34-81-522-1 | 533-0-34-81-522-1 | Накладка левая IZOMAT | |
| 533 034 156 716 | 533 034 156 716 | Уплотнение | |
| 533-0-34-81-523-1 | 533-0-34-81-523-1 | Уплотнение | |
| 533-9-34-81-380-2 | 533-9-34-81-380-2 | Окно правое | |
| 533 934 151 516 | 533 934 151 516 | Рамка окна | |
| 533-9-34-81-381-1 | 533-9-34-81-381-1 | Рамка окна | |
| 533-0-34-81-562-1 | 533-0-34-81-562-1 | Стекло нижнее | |
| 533-9-34-81-550-1 | 533-9-34-81-550-1 | Окно правое | |
| 533-0-34-81-551-1 | 533-0-34-81-551-1 | Рамка окна | |
| 533-0-34-81-560-1 | 533-0-34-81-560-1 | Нижняя планка | |
| 533-0-34-81-561-1 | 533-0-34-81-561-1 | Поперечина | |
| 533-0-34-81-563-1 | 533-0-34-81-563-1 | Неподвижное стекло | |
| 533-0-34-81-564-1 | 533-0-34-81-564-1 | Передвижное стекло | |
| 533-0-34-81-565-1 | 533-0-34-81-565-1 | Уплотнение | |
| 533-0-34-81-566-1 | 533-0-34-81-566-1 | Профиль U | |
| 533-0-35-81-567-1 | 533-0-35-81-567-1 | Профиль U | |
| 533-0-34-81-568-1 | 533-0-34-81-568-1 | Профиль L | |
| CSN 02 1155.81 | CSN 02 1155.81 | Винт M6x20 | |
| 5278 | 5278 | Рукоятка | |
| 5286 | 5286 | Шайба | |
| 533 034 152 516 | 533 034 152 516 | Профиль | |
| 533-0-34-81-393-1 | 533-0-34-81-393-1 | Профиль | |
| 533 034 152 616 | 533 034 152 616 | Клин | |
| 533-0-34-81-394-1 | 533-0-34-81-394-1 | Клин | |
| 533 034 152 716 | 533 034 152 716 | Уплотнение | |
| 533-0-34-81-395-1 | 533-0-34-81-395-1 | Уплотнение | |
| 533-9-34-81-400-2 | 533-9-34-81-400-2 | Левое окно | |
| 533 934 152 916 | 533 934 152 916 | Рамка окна | |
| 533-9-34-81-401-1 | 533-9-34-81-401-1 | Рамка окна | |
| 533-0-34-81-562-1 | 533-0-34-81-562-1 | Стекло нижнее | |
| 533-9-34-81-580-1 | 533-9-34-81-580-1 | Левое окно | |
| 533-0-34-81-581-1 | 533-0-34-81-581-1 | Рамка окна | |
| 533-0-34-81-585-1 | 533-0-34-81-585-1 | Нижняя планка | |
| 533-0-34-81-561-1 | 533-0-34-81-561-1 | Поперечина | |
| 533-0-34-81-563-1 | 533-0-34-81-563-1 | Неподвижное стекло | |
| 533-0-34-81-564-1 | 533-0-34-81-564-1 | Передвижное стекло | |
| 533-0-34-81-565-1 | 533-0-34-81-565-1 | Уплотнение | |
| 533-0-34-81-566-1 | 533-0-34-81-566-1 | Профиль U | |
| 533-0-34-81-567-1 | 533-0-34-81-567-1 | Профиль U | |
| 533-0-34-81-568-1 | 533-0-34-81-568-1 | Профиль L | |
| CSN 02 1155.81 | CSN 02 1155.81 | Винт M6x20 | |
| 5278 | 5278 | Рукоятка | |
| 5286 | 5286 | Шайба | |
| 533 034 152 516 | 533 034 152 516 | Профиль | |
| 533-0-34-81-393-1 | 533-0-34-81-393-1 | Профиль | |
| 533 034 152 616 | 533 034 152 616 | Клин | |
| 533-0-34-81-394-1 | 533-0-34-81-394-1 | Клин | |
| 533 034 152 716 | 533 034 152 716 | Уплотнение | |
| 533-0-34-81-395-1 | 533-0-34-81-395-1 | Уплотнение | |
| 533 934 157 116 | 533 934 157 116 | Внутренняя плита | |
| 533-9-34-81-645-1 | 533-9-34-81-645-1 | Внутренняя плита | |
| 533 034 157 216 | 533 034 157 216 | Плита | |
| 533-0-34-81-646-1 | 533-0-34-81-646-1 | Плита | |
| 533 034 157 316 | 533 034 157 316 | Накладка | |
| 533-0-34-81-647-1 | 533-0-34-81-647-1 | Накладка | |
| 533 034 157 416 | 533 034 157 416 | Галантерельный гранитоль | |
| 533-0-34-81-648-1 | 533-0-34-81-648-1 | Галантерельный гранитоль | |
| 1 | 533-9-34-81-001- | Рама кабины | |
| 2 | 533 934 148 816 | Сиденье | |
| 2 | 533-9-34-81-280-1 | Сиденье | |
| 4 | 533-0-34-81-658-1 | Пружина | |
| 6 | 533-9-34-81-430-1 | Упругое гнездо | |
| 7 | 533-0-34-81-552-1 | Верхнее стекло | |
| 9 | 533 934 153 816 | Стопорная цапфа | |
| 9 | 533-9-34-81-460-1 | Стопорная цапфа | |
| 10 | 533 934 154 116 | Упругое гнездо | |
| 13 | 533-0-34-81-126-1 | Профиль | |
| 14 | 533-0-34-81-127-1 | Клинок | |
| 19 | 533 934 156 816 | Ящик | |
| 19 | 533-9-34-81-640-1 | Ящик | |
| 21 | 533 034 157 516 | Шайба | |
| 21 | 533-0-34-81-650-1 | Шайба | |
| 22 | 533 034 157 616 | Заднее стекло | |
| 22 | 533-0-34-81-651-1 | Заднее стекло | |
| 23 | 533 034 157 716 | Профиль | |
| 23 | 533-0-34-81-652-1 | Профиль | |
| 24 | 533 034-157 816 | Клин | |
| 24 | 533-0-34-01-653-1 | Клин | |
| 25 | 533 034 157 916 | Половая резина | |
| 25 | 533-0-34-81-654-1 | Половая резина | |
| 26 | 533-0-34-81-655-2 | Вал | |
| 27 | 533-0-34-81-656-2 | Лист | |
| 28 | 533-0-34-81-689-1 | Уплотнение | |
| 38 | 533-0-34-81-690-1 | Накладка | |
| 39 | 533 034 158 316 | Нижняя плита | |
| 39 | 533-0-34-81-691-1 | Нижняя плита | |
| 40 | 533 034 158 416 | Задняя плита | |
| 40 | 533-0-34-81-692-1 | Задняя плита | |
| 41 | 533 034 158 516 | Правая плита | |
| 41 | 533-0-34-81-693-1 | Правая плита | |
| 42 | 533 034 158 616 | Левая плита | |
| 42 | 533-0-34-81-694-1 | Левая плита | |
| 43 | 533 034 158 716 | Нижняя плита правая | |
| 43 | 533-0-34-81-695-1 | Нижняя плита правая | |
| 44 | 533 034 158 816 | Нижняя плита левая | |
| 44 | 533-0-34-81-696-1 | Нижняя плита левая | |
| 45 | 533 034 158 916 | Нижняя плита | |
| 45 | 533-0-34-81-697-1 | Нижняя плита | |
| 46 | 533 034 159 016 | Плита правая боковая | |
| 46 | 533-0-34-81-698-1 | Плита правая боковая | |
| 47 | 533 034 159 116 | Плита левая боковая | |
| 47 | 533-0-34-81-699-1 | Плита левая боковая | |
| 48 | CSN 02 1103.55 | Болт M8x20 | |
| 49 | CSN 02 1151.25 | Винт 5x16 | |
| 50 | CSN 02 1814.00 | Шуруп M4x16 | |
| 52 | CSN 02 1227.05 | Болт M5x12 | |
| 54 | CSN 02 1103.25 | Болт M6x16 | |
| 55 | CSN 02 1151.25 | Винт 5x16 | |
| 57 | CSN 02 1103.25 | Болт M6x16 | |
| 58 | CSN 02 1319.25 | Винт M6x30 | |
| 59 | CSN 02 1401.25 | Гайка M6 | |
| 60 | CSN 02 1401.25 | Гайка M6 | |
| 63 | CSN 02 1740.05 | Шайба 4 | |
| 64 | CSN 02 1740.05 | Шайба 4 | |
| 65 | CSN 02 1702.15 | Шайба 13 | |
| 67 | 95-201-000 TPF-01-8595-77 | Предохранительный пояс | |
| 68 | 321 840 889 029 | Вешалка | |
| 68 | 2099 | Вешалка | |
| 69 | 443 123 068 027 | Стеклоочиститель | |
| 70 | CSN 02 1702.15 | Шайба 13 | |
| 71 | 92515 | Декоративная шайба | |
| 72 | 551 912 018 714 | Маховик | |
| 73 | 93 1111 SH30 | Кольцо | |
| 74 | CSN 02 1131.25 | Винт 4x16 | |
| 75 | CSN 63 3881.1 | Резиновой проходной изолятор 15x4 | |
| 76 | CSN 02 2929.02 | Кольцо 5 |
Содержащиеся в справочниках-каталогах запасные части и детали не предлагаются к продаже, а носят исключительно информационный характер