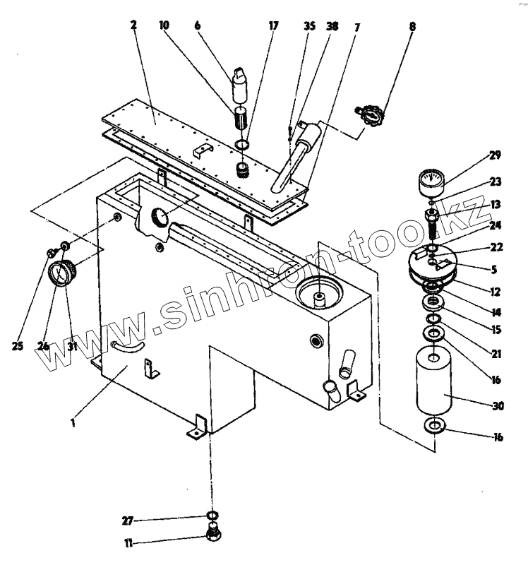
Каталог запасных частей к технике: ППС Детва УНС-060. Гидравлический бак
533-9-34-19-050-3
533 934 030 316
1
1
2
5
5
6
6
7
7
8
10
10
11
12
12
13
13
14
14
15
15
16
16
16
17
21
22
23
24
25
26
27
29
29
30
30
31
35
38
| Позиция на иллюстрации | Заводской номер детали | Название детали | |
|---|---|---|---|
| 533-9-34-19-050-3 | 533-9-34-19-050-3 | Гидравлический бак | |
| 533 934 030 316 | 533 934 030 316 | Гидравлический бак | |
| 1 | 533-9-34-19-051-2 | Гидравлический бак | |
| 1 | 533 934 030 416 | Гидравлический бак | |
| 2 | 533-9-34-19-150-3 | Крышка | |
| 5 | 533 934 035 716 | Крышка | |
| 5 | 533-9-34-19-167-1 | Крышка | |
| 6 | 533 034 036 016 | Трубка | |
| 6 | 533-0-34-19-172-1 | Трубка | |
| 7 | 533 034 036 116 | Уплотнение | |
| 7 | 533-0-34-19-173-1 | Уплотнение | |
| 8 | 533-9-34-15-025-1 | Пробка | |
| 10 | 533 034 036 516 | Гильза | |
| 10 | 533-0-34-19-180-1 | Гильза | |
| 11 | CSN 02 1914.21 | Пробка | |
| 12 | 533 034 036 716 | Уплотнение | |
| 12 | 533-0-34-19-182-1 | Уплотнение | |
| 13 | 533 034 066 816 | Винт | |
| 13 | 533-0-34-19-183-1 | Винт | |
| 14 | 533-0-34-19-184-1 | Пружина | |
| 14 | 533 034 036 916 | Пружина | |
| 15 | 533 034 037 016 | Гильза | |
| 15 | 533-0-34-19-185-1 | Гильза | |
| 16 | 533 034 037 116 | Шайба | |
| 16 | 533-0-34-19-186-1 | Шайба | |
| 17 | CSN 02 9281.2 | Уплотнительное кольцо 12x2 | |
| 21 | CSN 02 9281.2 | Уплотнительное кольцо 12x2 | |
| 22 | CSN 02 9281.3 | Кольцо 8x2 | |
| 23 | CSN 02 9310.2 | Уплотнительное кольцо 14x18 | |
| 24 | CSN 02 9310.2 | Уплотнительное кольцо 14x18 | |
| 25 | CSN 02 1915.1 | Пробка M12x1,5 | |
| 26 | CSN 02 9310.2 | Уплотнительное кольцо 14x18 | |
| 27 | CSN 02 9310.3 | Уплотнительное кольцо 26x32 | |
| 29 | 336 028 404 761 | Вакуумметр 13358 | |
| 29 | DHP 404761 | Вакуумметр 13359 | |
| 30 | 627 936 510 397 | Чистильная гильза JIPAP 627 | |
| 30 | 962110422 | Чистильная гильза JIPAP 627 | |
| 31 | CSN 02 7486 | Масло указатель M24x1,54 | |
| 35 | CSN 02 1103.20 | Болт M16x30 | |
| 38 | CSN 02 1702.11 | Шайба A 6,4 |
Содержащиеся в справочниках-каталогах запасные части и детали не предлагаются к продаже, а носят исключительно информационный характер