Каталог запасных частей к технике: PENGPU PengPu PD-320. RIPPER PIPING PD320Y-2
1
1
1
1
1
1
1
1
1
1
1
1
1
2
3
3
3
3
3
3
3
3
3
3
4
4
4
4
4
4
4
4
4
4
4
4
4
5
6
7
8
9
9
9
9
9
9
9
9
9
9
9
9
9
9
9
9
10
11
12
13
14
15
16
17
18
19
19
20
20
21
21
22
22
22
22
22
22
23
23
23
23
23
23
24
25
26
27
28
28
29
29
30
31
32
32
33
33
33
33
34
35
35
35
35
36
36
36
36
36
37
37
37
37
37
38
38
39
40
41
41
42
43
44
45
45
46
47
48
49
50
52
53
54
55
56
57
58
59
60
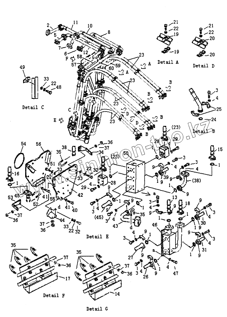
| Позиция на иллюстрации | Заводской номер детали | Название детали | |
|---|---|---|---|
| 1 | 07000-23038 | O-RING | |
| 2 | T14B.78.1.1 | TUBE | |
| 3 | GB5783 | BOLT | |
| 4 | GB93 | WASHER | |
| 5 | T14B.78.1.2 | TUBE | |
| 6 | T14B.78.1.3 | TUBE | |
| 7 | T14B.78.1.4 | TUBE | |
| 8 | T14B.78.1.5 | HOSE | |
| 9 | 07371-01255 | FLANGE | |
| 10 | T14B.78.1.6 | HOSE | |
| 11 | T14B.78.1.7 | HOSE | |
| 12 | T14B.78.1.8 | HOSE | |
| 13 | T14B.78.1.9 | HOSE | |
| 14 | T14B.78.1.10 | BRACKET | |
| 15 | T14B.78.1.11 | HOSE | |
| 16 | T14B.78.1.12 | HOSE | |
| 17 | T14B.78.1.13 | BRACKET | |
| 18 | T14B.78.1.23 | HOSE | |
| 19 | 78-45 | CLIP | |
| 20 | 78-46 | CLIP | |
| 21 | GB5782 | BOLT | |
| 22 | GB93 | WASHER | |
| 23 | 07114-01015 | HOSE | |
| 24 | 07000-13032 | O-RING | |
| 25 | 07371-31049 | FLANGE | |
| 26 | 78-58 | TUBE L.H | |
| 27 | 78-56 | TUBE L.H | |
| 28 | 78-51 | NIPPLE | |
| 29 | GB5782 | BOLT | |
| 30 | 78-57 | TUBE R.H | |
| 31 | 78-59 | TUBE R.H | |
| 32 | GB5783 | BOLT | |
| 33 | GB97 | WASHER | |
| 34 | 78-66 | BRACKET R.H | |
| 35 | 07283-23442 | CLIP | |
| 36 | 01599-01011 | NUT | |
| 37 | GB97 | WASHER | |
| 38 | T14B.78.1.14 | TUBE | |
| 39 | 78-54 | TUBE R.H | |
| 40 | GB5783 | BOLT | |
| 41 | GB93 | WASHER | |
| 42 | 78-64 | PLATE | |
| 43 | 78-52 | PIPE | |
| 44 | 78-55 | BRACKET | |
| 45 | T14B.78.1.18 | PIPE | |
| 46 | T14B.78.1.15 | SHUNT | |
| 47 | GB5783 | BOLT | |
| 48 | GB5783 | BOLT | |
| 49 | 78-61 | CLIP | |
| 50 | T14B.78.1.16 | SHUNT | |
| 51 | GB5783 | BOLT | |
| 52 | 07283-24346 | CLIP | |
| 53 | 78-65 | BRACKET L.H | |
| 54 | 07000-05195 | O-RING | |
| 55 | GB5783 | BOLT | |
| 56 | T14B.78.1.17 | PLATE | |
| 57 | T14B.78.1.19 | TUBE | |
| 58 | T14B.78.1.22 | TUBE | |
| 59 | T14B.78.1.20 | TUBE | |
| 60 | T14B.78.1.21 | TUBE |
Содержащиеся в справочниках-каталогах запасные части и детали не предлагаются к продаже, а носят исключительно информационный характер