Каталог запасных частей к технике: PENGPU PengPu PD-320. RECOIL SPRING PD320Y-1 PD320Y-2
1
2
3
4
4
5
6
7
8
9
9
10
10
10
11
11
12
13
14
15
16
17
18
19
19
20
21
22
23
24
25
26
27
28
29
30
31
32
33
34
35
36
37
38
39
40
41
42
43
44
45
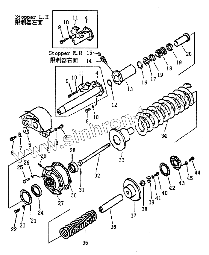
| Позиция на иллюстрации | Заводской номер детали | Название детали | |
|---|---|---|---|
| 1 | 176-30-44110 | YOKE, IDLER | |
| 2 | 01010-52095 | BOLT M20x95 | |
| 3 | 01602-22060 | WASHER | |
| 4 | 175-30-34210 | SHAFT | |
| 5 | 195-30-14150 | WASHER | |
| 6 | 01010-52460 | BOLT | |
| 7 | 195-30-14160 | PLATE, LOCK | |
| 8 | 01010-51650 | BOLT М16x50 | |
| 9 | 01010-51655 | BOLT | |
| 10 | 01602-21648 | WASHER | |
| 11 | 175-30-34160 | STOPPER 51 | |
| 12 | 07000-15090 | O-RING | |
| 13 | 175-30-24222 | CYLINDER | |
| 14 | 195-30-13191 | LUBTICATOR | |
| 15 | 07020-00000 | FITTING | |
| 16 | 04064-07525 | RING | |
| 17 | 175-30-24242 | PACKING | |
| 18 | 170-30-14211 | PISTON | |
| 19 | 170-30-14230 | PLATE | |
| 20 | 175-30-24361 | PLUG | |
| 21 | 175-30-24270 | PLATE | |
| 22 | 01010-51225 | BOLT | |
| 23 | 01602-21236 | WASHER, SPRING | |
| 24 | 07019-00130 | SEAL | |
| 25 | 01010-52460 | BOLT | |
| 26 | 01602-22472 | WASHER | |
| 27 | 175-30-34252 | COVER | |
| 28 | 170-30-14221 | BUSHING | |
| 29 | 07020-00675 | FITTING | |
| 30 | 175-30-34260 | WASHER | |
| 31 | 04020-01024 | PIN, DOWEL | |
| 32 | 175-30-34311 | BOLT | |
| 33 | 175-30-34140 | PILOT | |
| 34 | 175-30-34180 | SPRING | |
| 35 | 175-30-34190 | SPRING | |
| 36 | 175-30-34320 | SLEEVE | |
| 37 | 175-30-34150 | PILOT | |
| 38 | 175-30-14351 | NUT | |
| 39 | 175-30-14312 | PLATE, LOCK | |
| 40 | 01010-51020 | BOLT | |
| 41 | 01602-21030 | WASHER, SPRING | |
| 42 | 170-30-14341 | GASKET | |
| 43 | 175-30-34331 | COVER | |
| 44 | 01010-51235 | BOLT | |
| 45 | 01602-21236 | WASHER, SPRING |
Содержащиеся в справочниках-каталогах запасные части и детали не предлагаются к продаже, а носят исключительно информационный характер