Каталог запасных частей к технике: PENGPU PengPu PD-320. POEWR TAKE OFF PD320Y-1 PD320Y-2
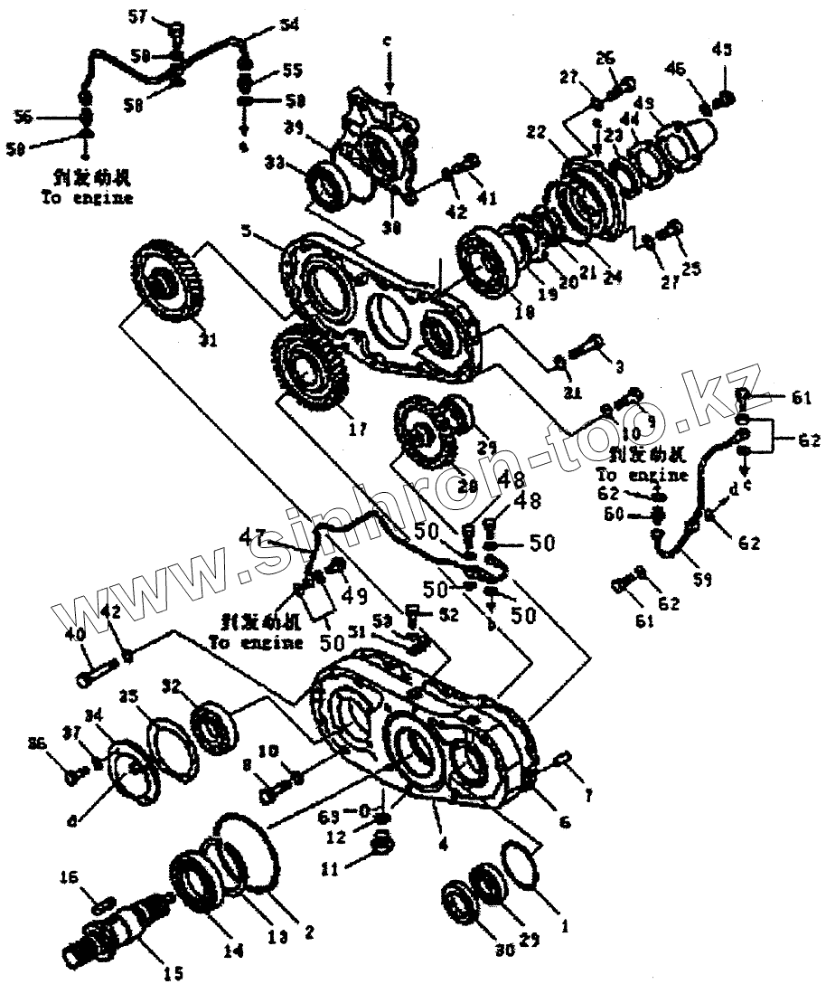
1
2
3
3a
4
5
6
7
8
9
10
10
11
12
13
14
15
16
17
18
19
20
21
22
23
24
25
26
27
27
28
29
29
30
31
32
33
34
35
36
37
38
39
40
41
42
42
43
44
45
46
47
48
48
49
50
50
50
50
50
51
52
53
54
55
56
57
58
58
58
58
59
60
61
61
62
62
62
62
63
| Позиция на иллюстрации | Заводской номер детали | Название детали | |
|---|---|---|---|
| 1 | 07000-02105 | O-RING | |
| 2 | 07000-05195 | O-RING | |
| 3 | 01011-51205 | BOLT | |
| 3a | 01602-21236 | WASHER, SPRING | |
| 4 | 154-01-12111 | CASE | |
| 5 | 175-38-11110 | CASE | |
| 6 | 154-01-12130 | GASKET, CASE | |
| 7 | 04020-01024 | PIN, DOWEL | |
| 8 | 01010-51275 | BOLT | |
| 9 | 01010-51250 | BOLT | |
| 10 | 01602-21236 | WASHER, SPRING | |
| 11 | 07044-12412 | PLUG | |
| 12 | 07002-02434 | O-RING | |
| 13 | 150-21-22180 | RING, SNAP | |
| 14 | 154-01-12280 | BEARING | |
| 15 | 154-01-12221 | SHAFT | |
| 16 | 04000-02050 | KEY | |
| 17 | 154-01-12230 | GEAR | |
| 18 | 06040-06314 | BEARING, ROLLER | |
| 19 | 154-01-12240 | COLLAR | |
| 20 | 01658-16823 | WASHER, LOCK | |
| 21 | 01530-06814 | NUT | |
| 22 | 154-01-12250 | COVER | |
| 23 | 07012-00060 | SEAL, OIL | |
| 24 | 07000-05150 | O-RING | |
| 25 | 01010-51230 | BOLT | |
| 26 | 01010-51230 | BOLT | |
| 27 | 01602-21236 | WASHER, SPRING | |
| 28 | 154-01-12310 | GEAR | |
| 29 | 06040-06209 | BEARING, BALL | |
| 30 | 154-01-12320 | RING | |
| 31 | 175-38-11120 | GEAR | |
| 32 | 06040-06212 | BEARING, ROLLER | |
| 33 | 06040-06312 | BEARING | |
| 34 | 154-01-12420 | COVER | |
| 35 | 154-01-12430 | GASKET | |
| 36 | 01010-51025 | BOLT | |
| 37 | 01602-21030 | WASHER, SPRING | |
| 38 | 175-38-11130 | CAGE | |
| 39 | 07000-05150 | O-RING | |
| 40 | 01011-51205 | BOLT | |
| 41 | 01010—51255 | BOLT | |
| 42 | 01602-21236 | WASHER, SPRING | |
| 43 | 154-01-12260 | COVER | |
| 44 | 154-01-12270 | TUBE | |
| 45 | 01010-51025 | BOLT | |
| 46 | 01602-21030 | WASHER, SPRING | |
| 47 | 154-01-12530 | TUBE | |
| 48 | 6600-01-3860 | BOLT, JOINT | |
| 49 | 07206-10610 | JOINT | |
| 50 | 07005-01012 | GASKET | |
| 51 | 08036-10614 | CLIP | |
| 52 | 01010-51220 | BOLT | |
| 53 | 01602-21236 | WASHER, SPRING | |
| 54 | 154-01-12541 | TUBE | |
| 55 | 154-01-12520 | NIPPLE | |
| 56 | 07211-50610 | NIPPLE | |
| 57 | 6600-01-3860 | BOLT, JOINT | |
| 58 | 07005-01012 | GASKET | |
| 59 | 154-01-12552 | TUBE | |
| 60 | 07211-50610 | NIPPLE | |
| 61 | 6600-01-3860 | BOLT, JOINT | |
| 62 | 07005-01012 | GASKET | |
| 63 | 07000-03030 | O-RING |
Содержащиеся в справочниках-каталогах запасные части и детали не предлагаются к продаже, а носят исключительно информационный характер