Вернуться на главную
Поиск
Каталоги запчастей к технике
Спецтехника
PENGPU
PengPu PD-165
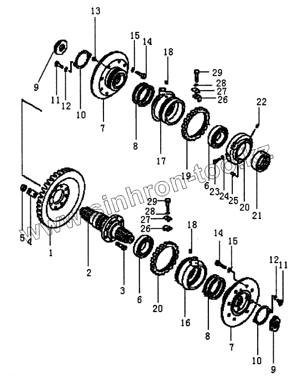
BEVEL GEAR AND SHAFT (PD165Y,PD165YS)
Каталог запасных частей к технике: PENGPU PengPu PD-165. BEVEL GEAR AND SHAFT (PD165Y,PD165YS)
zoom-in
zoom-out
enlarge
shrink
circle-right
circle-left
file-text2
info
cart
Тип техники
Не выбрано
Легковые автомобили
Грузовые автомобили и прицепы
Автобусы
Сельхозтехника
Спецтехника
Двигатели
Мототехника
Марка
Не выбрано
Ammann
BOMAG
CARMIX
CASE IH
Changlin
ChengGong
Dimex
Doosan
DYNAPAC
Foton
HAMM
Hidromek
Hitachi
Hyundai
JCB
JLG
John Deere
Komatsu
LIEBHERR
LiuGong
Lonking (LongGong)
Luneng
MANITOU
Mitsuber
New Holland
PENGPU
RM-Terex
SANY
SDLG
SEM
Shantui
Shehwa HBXG
Soosan
TIGARBO
VOGELE
Volvo
WAY
WIRTGEN
XCMG
XGMA
Xiamen
YTO
Yuchai
Zoomlion
Автокран
АЗСМ
Алтайлесмаш
Амкодор
АОМЗ
Атек
АТЗ
Балканкар Рекорд
БелАЗ
Беловеж
Борекс
Брянский Арсенал
Булат
ВЭКС
ГАЗ
Геомаш
Гидромаш
Донекс
Дормаш
Дормашина
Дорэлектромаш
ДЭЗ
ЕлАЗ
ЗЗГТ
Ижнефтемаш
Канаш-электрокар
КЗКТ
ККЗ
Клевер
Клинцовский автокрановый завод
КМЗ
КМЗ 1 Мая
Ковровец
Коммаш
Кранэкс
КЭЗ
КЭМЗ
ЛЗА
МАЗ
МЗИК
МЗКМ
МЗКТ
Михневский РМЗ
МоАЗ
Мозырский МЗ
МТЗ
ОЗП
Онежец
ПАО "ТЗА"
ППС Детва
Промтрактор
ПТЗ
Раскат
СпецАгрегат
ТВЭКС
ТТМ
УВЗ
Угличмаш
УЗТМ
ХТЗ
ЧЗКМ
ЧСДМ
ЧТЗ
ЭКСКО
ЭКСМАШ
ЮрМаш
Модель
Не выбрано
PengPu PD-165 (2010)
PengPu PD-220 (2010)
PengPu PD-320 (2010)
Схема
>
Не выбрано
ENGINE MOUNT (PD165Y, PD165YS)
FAN AND BELT (PD165Y, PD165YS)
INTAKE ASSY (PD165Y, PD165YS)
EXHAUST ASSY (PD165Y, PD165YS)
RADIATOR ASSY (PD165Y, PD165YS)
POWER TAKE OFF (PD165, PD165YS)
FUEL TANK (PD165Y-1)
FUEL PIPING (PD165Y-1)
FUEL TANK (PD165YS)
FUEL PIPING (PD165YS)
ELECTRICAL SYSTEM (PD165Y-1)
GAUGE PANEL (PD165Y-1)
ELECTRICAL SYSTEM (PD165YS) (1/2)
ELECTRICAL SYSTEM (PD165YS) (2/2)
GAUGE PANEL (PD165YS)
ELECTRICAL SYSTEM (PD165YS-1) (1/2)
GAUGE PANEL (PD165YS-1) (2/2)
TORQUE CONVERTER HOUSING (PD165Y, PD165YS)
TURBINE AND STATOR (PD165Y, PD165YS)
RELIEF VALVE AND SCAVENGE PUMP (PD165Y, PD165YS)
TORQUE CONVERTER SUCTION LINE (PD165Y, PD165YS)
UNIVERSAL JOINT (PD165Y, PD165YS)
POWER SHIFT TRANSMISSION CASE (PD165Y, PD165YS)
POWER SHIFT TRANSMISSION REAR COVER (PD165Y, PD165YS)
TRANSMISSION CASE COVER (PD165Y, PD165YS)
TRANSMISSION CONTROL LEVER (PD165Y, PD165YS)
FORWARD CLUTCH (PD165Y, PD165YS)
REVERSE CLUTCH (PD165Y, PD165YS)
1ST CLUTCH (PD165Y, PD165YS)
2ND CLUTCH AND 3RD CLUTCH (PD165Y, PD165YS)
LUBRICATION VALVE (PD165Y, PD165YS)
TRANSMISSION CONTROL VALVE (PD165Y, PD165YS) (1/2)
TRANSMISSION CONTROL VALVE (PD165Y, PD165YS) (2/2)
FINAL DRIVE SHAFT AND HUB (PD165Y)
FINAL DRIVE SHAFT AND HUB (PD165S)
FINAL DRIVE GEAR (PD165Y)
FINAL DRIVE GEAR (PD165S)
FINAL DRIVE CASE AND SPROCKET (PD165Y)
FINAL DRIVE CASE AND SPROCKET (PD165S)
STEERING CASE AND MAIN FRAME (PD165Y,PD165YS)
BEVEL GEAR AND SHAFT (PD165Y,PD165YS)
BRAKE (PD165Y,PD165YS) (1/2)
BRAKE (PD165Y,PD165YS) (2/2)
STEERING CLUTCH (PD165Y,PD165YS)
STEERING VALVE (PD165Y,PD165YS)
OIL FILTER (PD165Y,PD165YS)
TRANSMISSION OIL FILTER (PD165Y,PD165YS)
TORQUE CONVERTER PIPING (PD165Y,PD165YS) (1/3)
TORQUE CONVERTER PIPING (PD165Y,PD165YS) (2/3)
TORQUE CONVERTER PIPING (PD165Y,PD165YS) (3/3)
STEERING OIL PIPING (PD165Y,PD165YS) (1/3)
STEERING OIL PIPING (PD165Y,PD165YS) (2/3)
STEERING OIL PIPING (PD165Y,PD165YS) (3/3)
FUEL CONTROL LEVER (PD165Y-1) (1/2)
FUEL CONTROL LINKAGE (PD165Y-1) (2/2)
DECELERATOR PEDAL (PD165Y-1)
FUEL CONTROL LEVER (PD165Y-1) (1/2)
FUEL CONTROL LEVER (PD165Y-1) (2/2)
FUEL CONTROL LEVER (PD165YS-1) (1/2)
FUEL CONTROL LINKAGE (PD165YS-1) (2/2)
DECELERATOR PEDAL (PD165YS-1)
FUEL CONTROL LEVER (PD165YS-1) (1/2)
FUEL CONTROL LEVER (PD165YS-1) (2/2)
GEARSHIFT LEVER (PD165Y-1,PD165YS) (1/2)
GEARSHIFT LOCK LEVER (PD165Y-1,PD165YS) (1/2)
STEERING CONTROL LEVER (PD165Y-1,PD165YS)
STEERING AND BRAKE LINKAGE (PD165Y-1,PD165YS) (2/2)
BREAK PEDAL (PD165Y-1, PD165YS)
PARKING BRAKE LEVER (PD165Y-1, PD165YS)
TRACK FRAME (PD165Y, PD165YS)
RECOIL SPRING (PD165Y, PD165YS)
TRACK FRAME COVER (PD165Y, PD165YS)
FRONT IDLER (PD165Y, PD165YS)
CARRIER ROLLER (PD165Y, PD165YS)
TRACK ROLLER (PD165Y, PD165YS)
TRACK (PD165Y)
TRACK (PD165YS)
EQUALIZER BAR (PD165Y, PD165YS)
ENGINE HOOD AND GUARD (PD165Y-1)
FENDER (PD165Y-1)
BOX AND FLOOR (PD165Y-1)
UNDER GUARD (PD165Y-1)
ENGINE HOOD AND GUARD (PD165YG)
FENDER (PD165YG)
BOX AND FLOOR (PD165YG)
UNDER GUARD (PD165YG)
ENGINE HOOD AND GUARD (PD165YS-1)
FENDER (PD165YS-1)
BOX AND FLOOR (PD165YS-1)
UNDER GUARD (PD165YS-1)
OPERATOR SEAT (PD165Y, PD165YS)
CAB (PD165Y,PD165YS)
CAB (PD165Y-1,PD165YS)
CAB (PD165Y-1,PD165YS)
ROPS FRAME (1/2) (PD165YG)
ROPS FRAME (1/2) (PD165YG)
ROPS FRAME (1/2) (PD165Y-1)
ROPS FRAME (2/2) (PD165Y-1)
REAR GUARD (PD165YS, PD165YG)
DRAWBAR (PD165Y, PD165YS)
CYLINDER SEAT (PD165Y, PD165YS)
ANGEL BLADE (PD165Y-1, PD165YG)
C-FRAME (PD165Y-1, PD165YG)
ANGEL BLADE (PD165Y-1)
C-FRAME (PD165Y-1)
STRAIGHT TILT BLADE (PD165YG)
STRAIGHT TILT FRAME (PD165YG)
U-TYPE TILT FRAME (РD165Y-1)
U-TYPE TILT FRAME (PD165Y-1)
STRAIGHT TILT FRAME (РD165Y-1)
STRAIGHT TILT FRAME (PD165Y-1)
STRAIGHT TILT BLADE (1/2) (PD165YS)
STRAIGHT TILT FRAME (2/2) (PD165YS)
RIPPER SHANK BEAM & LINK (PD165Y, PD165YS)
HYDRAULIC PIPING (HYDRAULIC TANK TO RIPPER CYLINDER)
HYDRAULIC PIPING (PUMPТО HYDRAULIC TANK) (PD165YG)
HYDRAULIC PIPING (TANK ТО LIFT CYLINDER) (PD165YG)
HYDRAULIC PIPING (TANK TO LIFT CYLINDER) (1/2) (PD165YG)
HYDRAULIC PIPING (TANK TO TILT CYLINDER) (2/2) (PD165YG)
HYDRAULIC PIPING (PUMP TO HYDRAULIC TANK) (PD165Y-1)
HYDRAULIC PIPING (VALVE TO VALVE) (PD165Y-1)
HYDRAULIC PIPING (VALVE TO OIL FILTER) (PD165Y-1)
HYDRAULIC PIPING (VALVE ТО PUMP) (PD165Y-1)
HYDRAULIC PIPING (VALVE TO LIFT CYLINDER) (PD165Y-1)
HYDRAULIC PIPING (VALVE TO LIFT CYLINDER) (1/2) (PD165Y-1)
HYDRAULIC PIPING (VALVE TO LIFT CYLINDER) (2/2) (PD165Y-1)
HYDRAULIC TANK (PD165Y-1)
HYDRAULIC PIPING (PUMP TO HYDRAULIC TANK) (PD165YS)
HYDRAULIC PIPING (TANK TO LIFT CYLINDER) (PD165YS)
HYDRAULIC PIPIING (TANK ТО TILT CYLINDER) (1/2) (PD165YS)
HYDRAULIC PIPIING (TANK TO TILT CYLINDER) (1/2) (PD165YS)
HYDRAULIC PIPIING (PUMP TO HYDRAULIC TANK) (PD165YS-1)
HYDRAULIC PIPHNG (VALVE TO VALVE) (PD165YS-1)
HYDRAULIC PIPIING (VALVE TO OIL FILTER) (PD165YS-1)
HYDRAULIC PIPIING (VALVE TO PUMP) (PD165YS-1)
HYDRAULIC PIPIING (VALVE TO LIFT CYLINDER) (PD165YS-1)
HYDRAULIC PIPIING (VALVE TO LIFT CYLINDER) (1/2) (PD165YS-1)
HYDRAULIC PIPIING (VALVE TO LIFT CYLINDER) (2/2) (PD165YS-1)
HYDRAULIC TANK (PD165YS-1)
BLADE CONTROL VALVE ASSY (1/2) (PD165Y, PD165YS)
BLADE CONTROL VALVE ASSY (2/2) (PD165Y, PD165YS)
RIPPER CONTROL VALVE (PD165Y,PD165YS)
BLADE LIFT CYLINDER (PD165Y,PD165YS)
TILT CYLINDER (PD165Y,PD165YS)
RIPPER CYLINDER (PD165Y,PD165YS)
1
2
3
4
5
6
6
7
7
8
8
9
9
10
10
11
11
12
12
13
14
14
15
15
16
17
18
18
19
20
20
21
22
23
24
25
26
26
27
27
28
28
29
29
Позиция на иллюстрации
Заводской номер детали
Название детали
1
T24.21-24
GEAR, BEVEL
2
T24.21-9
SHAFT
3
T24.21-22
BOLT
4
T24.21-23
PLATE, LOCK
5
GB6171
NUT
6
GB297
BEARING
7
T24.21-26
HUB
8
T24.21-25
RING, SEAL
9
T24.21-10
NUT
10
T24.21-11
PLATE, LOCK
11
GB5783
BOLT
12
GB93
WASHER
13
07043-00108
PLUG
14
GB5783
BOLT
15
GB93
WASHER
16
T24.21-12
CAGE, BEARING L.H
17
T24.21-19
CAGE, BEARING R.H
18
T24.21-13
PIN, DOWEL
19
T24.21-17
NUT
20
T24.21-21
FLANGE
21
T24.21-20
BUSHING
22
GB897
PIN, DOWEL
23
GB5783
BOLT
24
GB93
WASHER
25
GB119
PIN
26
T24.21-15
PLATE
27
T24.21-16
PLATE
28
GB97.1
WASHER
29
GB5783
BOLT
Содержащиеся в справочниках-каталогах запасные части и детали не предлагаются к продаже, а носят исключительно информационный характер
Дополнительная информация
×
Название:
Номер:
Примечание: