Каталог запасных частей к технике: ПАО "ТЗА" Автобетоноcмеситель 58140В. Ролик опорный
1
2
4
5
5
6
7
7
9
13
13
14
14
16
18
19
20
21
22
23
24
25
26
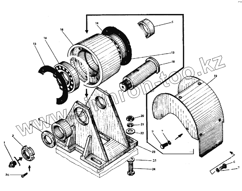
| Позиция на иллюстрации | Заводской номер детали | Название детали | |
|---|---|---|---|
| 1 | Масленка2.2.45Ц6 | Масленка | |
| 2 | СБ-172-1.01.07.005 | Гайка | |
| 4 | СБ-172-1.01.07.002 | Шайба | |
| 5 | СБ-172-1.01.07.003 | Втулка | |
| 6 | БолтM6-6gx10.59.019 | Болт | |
| 7 | Шаиба6.65Г.019 | Шаиба | |
| 9 | БолтM6-6gx25.59.019 | Болт | |
| 13 | СБ-172-1.01.07.200 | Крышка | |
| 14 | ТУ37.006.162089 | Подшипник | |
| 16 | СБ-172-1.01.07.001 | Ролик | |
| 18 | СБ-172-1.01.07.004 | Ось | |
| 19 | СБ-172-1.01.07.006 | Кожух | |
| 20 | ГайкаМ20-6Н.5.019 | Гайка | |
| 21 | Шаиба20.65Г.019 | Шаиба | |
| 22 | Шайба20.02.Ст3кп.019 | Шайба | |
| 23 | СБ-172-1.01.07.100 | Опора | |
| 24 | БолтM20-6gx55.59.019 | Болт | |
| 25 | Шайба20.02.Ст3кп.019 | Шайба | |
| 26 | АM5-6gx14.58.019 | Винт |
Содержащиеся в справочниках-каталогах запасные части и детали не предлагаются к продаже, а носят исключительно информационный характер