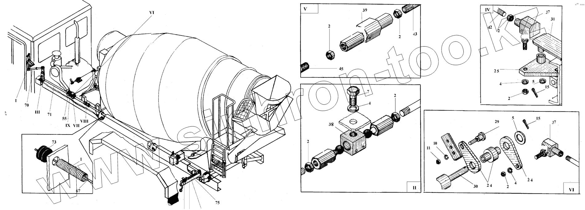
Каталог запасных частей к технике: ПАО "ТЗА" Автобетоноcмеситель 58140В. Органы управления
1
2
2
2
2
2
2
2
4
4
4
5
5
7
16
16
24
24
25
55
67
70
71
73
75
| Позиция на иллюстрации | Заводской номер детали | Название детали | |
|---|---|---|---|
| 1 | СБ-159А.01.09.013 | Чехол | |
| 2 | ГайкаМ10-6Н.5.019 | Гайка М10-6Н.5.019 | |
| 3 | Шплинт4x40.019 | Шплинт | |
| 4 | Шайба10.65Г.019 | Шайба 10.65Г.019 | |
| 5 | Шайба16.02.Ст3кп.019 | Шайба | |
| 6 | Шайба10.02.Ст3кп.019 | Шайба | |
| 7 | БолтМ10-6дх15.58.019 | Болт | |
| 15 | СБ-159А.01.09.001 | Ось | |
| 16 | Шплинт2,5x20 | Шплинт | |
| 17 | СБ-159А.01.09.007 | Ось | |
| 18 | СБ-159А.01.09.100 | Рычаг | |
| 19 | СБ-92-1А.01.10.012 | Ручка | |
| 20 | СБ-159А.01.09.450 | Рычаг | |
| 21 | Заклепка3x8 | Заклепка | |
| 22 | СБ-159А.01.09.154 | Пластина | |
| 23 | СБ-159А.01.09.150 | Кронштейн | |
| 24 | БолтМ8х35 | Болт | |
| 25 | Шайба8.65Г | Шайба | |
| 26 | Шайба8.02.Ст3кп.019 | Шайба | |
| 27 | ГайкаМ8 | Гайка | |
| 40 | СБ-159А.01.09.004 | Ось | |
| 41 | СБ-159А.01.09.500 | Рычаг | |
| 52 | Шпонка8x7x18 | Шпонка | |
| 53 | СБ-159А.01.09.600 | Ось | |
| 54 | СБ-159А.01.09.400 | Рычаг | |
| 55 | СБ-214.01.06.011 | Планка | |
| 56 | СБ-172-1.04.00.007 | Ось | |
| 57 | СБ-172-1.04.00.008 | Ось | |
| 58 | СБ-172-1.04.04.000 | Шарнир | |
| 59 | СБ-172-1.04.03.002 | Палец | |
| 60 | СБ-89Б18.07.001 | Палец | |
| 61 | СБ-159А.01.09.550 | Ось | |
| 62 | СБ-172-1.04.01.000 | Кронштейн | |
| 63 | СБ-172-1.04.03.000 | Шарнир | |
| 64 | СБ-172-1.04.05.000 | Тяга | |
| 65 | СБ-172-1.04.06.000 | Рычаг | |
| 66 | СБ-214.01.06.200 | Тяга | |
| 67 | 23-588.11.300.12-120 | Трос управления | |
| 68 | СБ-89Б.18.06.000 | Рычаг | |
| 69 | СБ-89Б18.07.000 | Шарнир | |
| 70 | СБ-172-1.04.09.000 | Тяга | |
| 71 | СБ-172-1.04.10.000 | Тяга | |
| 72 | СБ-92-1А.01.04.102 | Кольцо | |
| 73 | СБ-92-1А.01.10.003 | Втулка | |
| 74 | СБ-92-1А.01.10.014 | Стержень | |
| 75 | СБ-92-1А.01.10.015 | Пружина | |
| 76 | СБ-172-1.04.00.001 | Тяга | |
| 77 | СБ-172-1.04.00.001-01 | Тяга |
Содержащиеся в справочниках-каталогах запасные части и детали не предлагаются к продаже, а носят исключительно информационный характер