Каталог запасных частей к технике: ПАО "ТЗА" Автобетоноcмеситель 58140В. Лестница
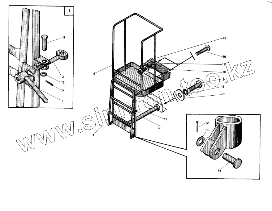
1
2
3
4
6
8
9
10
11
12
12
13
13
14
15
16
17
18
| Позиция на иллюстрации | Заводской номер детали | Название детали | |
|---|---|---|---|
| 1 | СБ-159А.01.07.500 | Ручка | |
| 2 | СБ-159А.01.07.001 | Болт откидной | |
| 3 | СБ-159А.01.07.002 | Ось | |
| 4 | СБ-172-1.01.08.200 | Лестница | |
| 6 | СБ-172-1.01.08.100 | Лестница с площадкой | |
| 8 | БолтМ12-6gх35.56.019 | Болт | |
| 9 | Шайба12.65Г.019 | Шайба 12.65Г.019 | |
| 10 | ГайкаМ12-6Н.5.019 | Гайка М12-6Н.5.019 | |
| 11 | СБ-172-1.01.08.300 | Упор | |
| 12 | Шплинт2,5х20.019 | Шплинт | |
| 13 | Шайба12.02Ст3кп.019 | Шайба | |
| 14 | СБ-172-1.01.08.001 | Ось | |
| 15 | ГайкаМ16-6Н.5.019 | Гайка М16-6Н.5.019 | |
| 16 | БолтМ16-6gх35.56.019 | Болт | |
| 17 | Шайба16.65Г.019 | Шайба 16.65Г.019 | |
| 18 | Шайба16.02Ст3кп.019 | Шайба |
Содержащиеся в справочниках-каталогах запасные части и детали не предлагаются к продаже, а носят исключительно информационный характер