Вернуться на главную
Поиск
Каталоги запчастей к технике
Спецтехника
ОЗП
ТО-30
ТО-30.44.40.000. Бак
Каталог запасных частей к технике: ОЗП ТО-30. ТО-30.44.40.000. Бак
zoom-in
zoom-out
enlarge
shrink
circle-right
circle-left
file-text2
info
cart
Тип техники
Не выбрано
Легковые автомобили
Грузовые автомобили и прицепы
Автобусы
Сельхозтехника
Спецтехника
Двигатели
Мототехника
Марка
Не выбрано
Ammann
BOMAG
CARMIX
CASE IH
Changlin
ChengGong
Dimex
Doosan
DYNAPAC
Foton
HAMM
Hidromek
Hitachi
Hyundai
JCB
JLG
John Deere
Komatsu
LIEBHERR
LiuGong
Lonking (LongGong)
Luneng
MANITOU
Mitsuber
New Holland
PENGPU
RM-Terex
SANY
SDLG
SEM
Shantui
Shehwa HBXG
Soosan
TIGARBO
VOGELE
Volvo
WAY
WIRTGEN
XCMG
XGMA
Xiamen
YTO
Yuchai
Zoomlion
Автокран
АЗСМ
Алтайлесмаш
Амкодор
АОМЗ
Атек
АТЗ
Балканкар Рекорд
БелАЗ
Беловеж
Борекс
Брянский Арсенал
Булат
ВЭКС
ГАЗ
Геомаш
Гидромаш
Донекс
Дормаш
Дормашина
Дорэлектромаш
ДЭЗ
ЕлАЗ
ЗЗГТ
Ижнефтемаш
Канаш-электрокар
КЗКТ
ККЗ
Клевер
Клинцовский автокрановый завод
КМЗ
КМЗ 1 Мая
Ковровец
Коммаш
Кранэкс
КЭЗ
КЭМЗ
ЛЗА
МАЗ
МЗИК
МЗКМ
МЗКТ
Михневский РМЗ
МоАЗ
Мозырский МЗ
МТЗ
ОЗП
Онежец
ПАО "ТЗА"
ППС Детва
Промтрактор
ПТЗ
Раскат
СпецАгрегат
ТВЭКС
ТТМ
УВЗ
Угличмаш
УЗТМ
ХТЗ
ЧЗКМ
ЧСДМ
ЧТЗ
ЭКСКО
ЭКСМАШ
ЮрМаш
Модель
Не выбрано
ТО-30 (2005)
Схема
>
Не выбрано
У7810.7.00.00.000. Кабина
У7810.7.00.00.000. Кабина
У7810.7.00.00.000. Кабина
У7810.7.02.00.000, У7810.7.03.00.000. Дверь (левая), Дверь (правая)
ТО-30.70.04.000. Сиденье
У7810.7.04.00.000. Отопитель кабины
ТО-30.14.00.000. Установка отопителей
ТО-30.70.05.000. Установка трубопроводов отопителя
ТО-30.70.06.000. Вал
ТО-30.70.07.000. Установка трубопроводов отопителя
ТО-30.61.00.000. Облицовка
ТО-30.61.00.000. Облицовка
ТО-30.61.00.000. Облицовка
ТО-30.41.00.000. Установка силовая
ТО-30.41.04.000. Система подогрева дизеля
ТО-30.41.00.000. Система топливная
ТО-30.41.04.100. Бак топливный
ТО-30.41.02.000. Система охлаждения
ТО-30.41.02.400. Шторка
ТО-30.35.00.000. Установка гидромеханической коробки передач (ГМКП) и карданных валов
ТО-30.35.00.000. Установка ГМКП
ТО-30.35.00.000. Установка ГМКП
ТО-30.35.00.000. Установка ГМКП
ТО-30.35.00.000. Установка ГМКП
ТО-30.35.00.000. Установка ГМКП
ТО-30.35.00.000. Установка ГМКП
ТО-30.35.00.000. Установка ГМКП
ТО-30.35.00.000. Установка ГМКП
ТО-30.34.00.000. Редуктор отбора мощности
ТО-30.34.00.000. Редуктор отбора мощности
ТО-30.34.00.000. Редуктор отбора мощности
ТО-30.34.00.000. Демпфер
ТО-6А.35.00.050. Вал карданный
ТО-30.35.00.500. Редуктор отбора мощности на аварийный насос
ТО-30.35.00.700. Вал карданный
ТО-30.35.00.800. Опора кардана
605.03.000. Корпус золотника
605.04.000. Регулятор давления
605.05.000. Клапан поддерживающий
ТО-30.21.00.000. Мост ведущий неуправляемый
ТО-30.21.00.000. Мост ведущий неуправляемый
ТО-30.21.00.000. Мост ведущий неуправляемый
ТО-30.21.00.000. Мост ведущий неуправляемый
ТО-30.21.00.000. Мост ведущий неуправляемый
ТО-30.22.00.000. Мост ведущий
ТО-30.22.00.000. Мост ведущий
ТО-30.22.00.000. Мост ведущий
ТО-30.11.00.000. Рама
ТО-30.11.00.000. Рама
ТО-30.21.00.000. Подвеска балансирная
У20104Б-21.06.000. Колесо
ТО-30.70.00.000. Место рабочее
ТО-30.70.00.000. Место рабочее
ТО-30.70.03.000. Колонка
ТО-30.72.00.000. Управление
ТО-30.72.00.000. Управление
ТО-30.72.00.000. Управление
ТО-30.72.00.000. Управление
ТО-30.41.04.300. Электросистема
ТО-30.42.00.000. Электросистема
ТО-30.42.00.000. Электросистема
ТО-30.42.01.000. Установка аккумуляторных батарей
ТО-30.42.02.000. Установка приборов кабины
ТО-30.42.03.000. Электросистема подкабинника
ТО-30.42.03.100. Панель управления
ТО-30.42.03.250. Панель реле
У7810.7.05.00.000. Электросистема кабины
ТО-30.43.00.000. Пневмосистема
ТО-30.43.00.000. Пневмосистема
ТО-30.43.00.000. Пневмосистема
ТО-30.43.01.000. Установка воздушных баллонов
ТО-30.43.02.000. Установка компрессора
ТО-30.43.02.000. Установка компрессора
ТО-30.44.00.000. Гидросистема погрузочного оборудования
ТО-30.44.00.000. Гидросистема погрузочного оборудования
ТО-30.44.00.000. Гидросистема погрузочного оборудования
ТО-30.44.10.000. Цилиндр ковшовый
ТО-30.44.20.000. Цилиндр стреловой
ТО-30.44.40.000. Бак
ТО-30.44.50.000. Блок предохранительный
ТО-30.45.00.000. Гидросистема ГМК
ТО-30.45.00.000. Гидросистема ГМК
ТО-30.45.00.000. Гидросистема ГМК
ТО-30.46.00.000. Гидросистема рулевого управления
ТО-30.46.00.000. Гидросистема рулевого управления
ТО-30.46.01.000, ЭО-30.46.01.000-01. Цилиндр рулевой
ТО-30.46.02.100. Руль гидравлический
ТО-30.48.00.000. Гидросистема рулевого управления
ТО-30.48.00.000. Гидросистема рулевого управления
ТО-30.48.02.100. Руль гидравлический
ТО-30.60.00.000. Оборудование погрузочное
ТО-30.60.00.000. Оборудование погрузочное
ТО-30.00.00.000. Погрузчик одноковшовый фронтальный
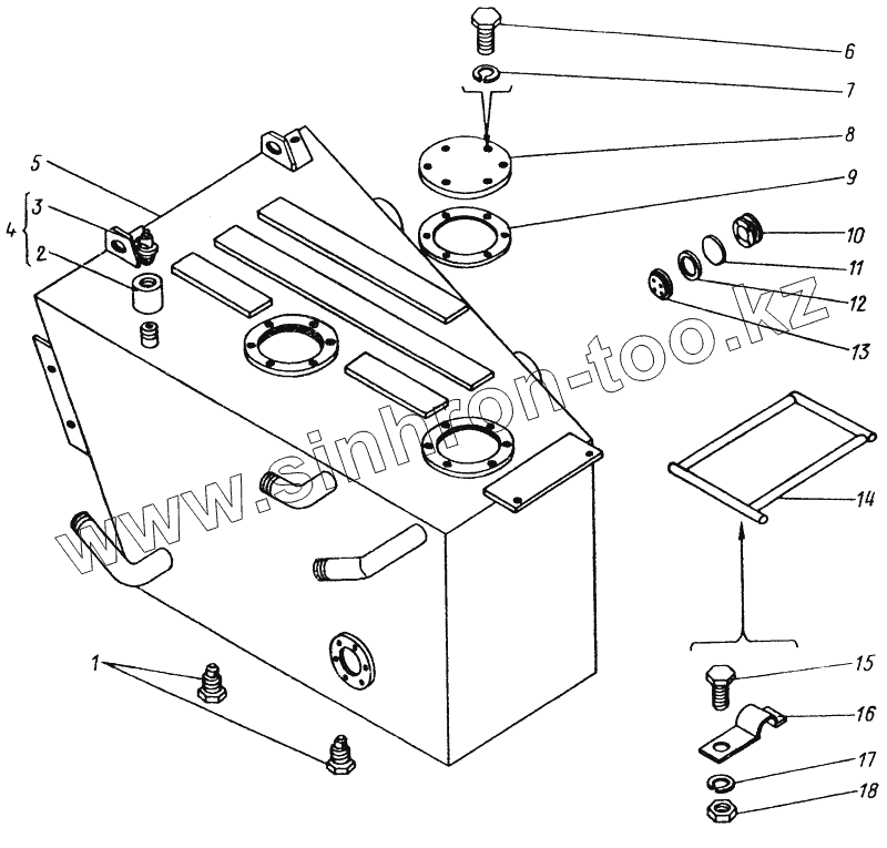
ТО-30.44.40.000
1
2
3
4
5
6
7
8
9
10
11
12
13
14
15
16
17
18
Позиция на иллюстрации
Заводской номер детали
Название детали
ТО-30.44.40.000
ТО-30.44.40.000
Бак
1
Д-561В.44.02.103
Штуцер
2
Д-561В.44.02.107
Бобышка
3
7.900-П
Сапун
4
Г 45-22
Фильтр воздушный
5
ТО-30.44.40.100
Бак
6
М6х16.7798
Болт
7
6.6402
Шайба
8
ТО-30.44.40.001
Крышка
9
Д-561В.44.02.106
Прокладка
10
ТО-6А.44.02.104
Экран
11
ТО-6А.44.02.105
Кольцо
12
ТО-6А.44.02.106
Стекло смотровое
13
ТО-6А.44.02.107
Гайка
14
ТО-30.41.01.110
Подножка
15
М8х20.7798
Болт
16
ТО-30.41.01.102
Клипса
17
8.6402
Шайба
18
М8.5915
Гайка
Содержащиеся в справочниках-каталогах запасные части и детали не предлагаются к продаже, а носят исключительно информационный характер
Дополнительная информация
×
Название:
Номер:
Примечание: