Каталог запасных частей к технике: ОЗП ТО-30. ТО-30.41.04.000. Система подогрева дизеля
ТО-30.41.04.000
1
1
1
1
1
2
3
4
4
4
4
4
4
4
5
5
6
7
8
9
10
11
12
13
14
15
16
17
18
19
20
21
22
23
24
24
24
25
25
25
26
26
26
26
27
28
29
30
31
32
33
34
35
36
37
38
39
40
41
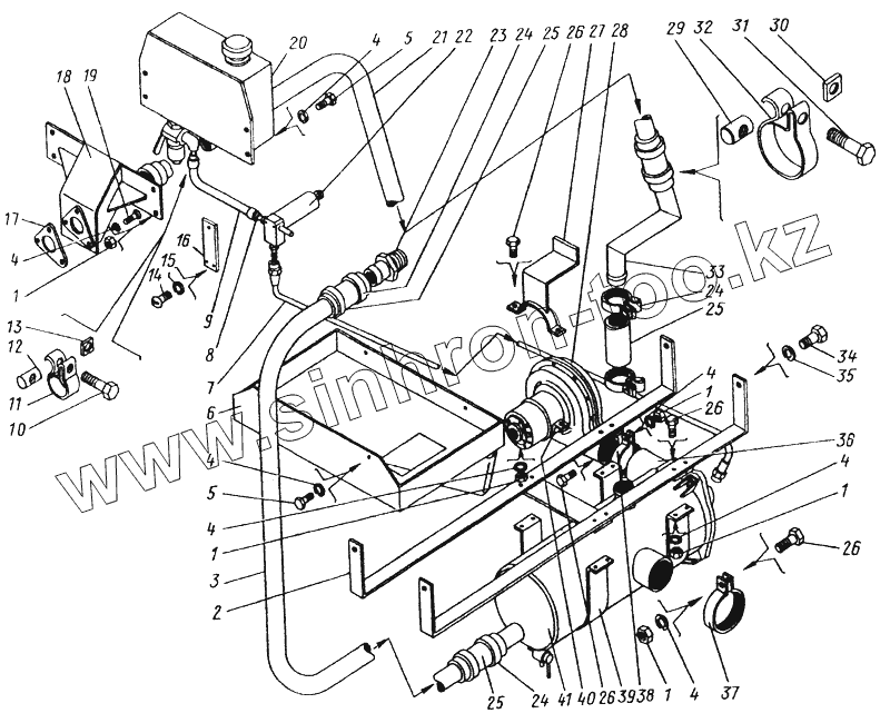
| Позиция на иллюстрации | Заводской номер детали | Название детали | |
|---|---|---|---|
| ТО-30.41.04.000 | ТО-30.41.04.000 | Система подогрева дизеля | |
| 1 | М8.5915 | Гайка | |
| 2 | ТО-30.41.04.500 | Кронштейн | |
| 3 | ТО-30.41.04.001 | Труба | |
| 4 | 8.6402 | Шайба | |
| 5 | М8х 16.7796 | Болт | |
| 6 | ТО-30.41.04.600 | Поддон | |
| 7 | ТО-30.41.04.400 | Топливопровод | |
| 8 | ТО-30.41.01.400 | Хомут стяжной | |
| 9 | 8x16-10.10362 | Рукав | |
| 10 | М6х25.7798 | Болт | |
| 11 | ТО-30.41.01.403 | Хомут | |
| 12 | ТО-30.41.01.402 | Гайка | |
| 13 | ТО-30.41.01.401 | Шайба | |
| 14 | БМ6х12.17473 | Винт | |
| 15 | 6.6402 | Шайба | |
| 16 | ТО-30.41.04.008 | Планка | |
| 17 | ТО-30.41.04.003 | Прокладка | |
| 18 | ТО-30.41.04.200 | Кронштейн | |
| 19 | М8Х20.7796 | Болт | |
| 20 | ТО-30.41.04.100 | Бак топливный | |
| 21 | ТО-30.41.04.004 | Труба | |
| 22 | ЭМК-12 | Клапан электромагнитный | |
| 23 | ТО-30.41.04.002 | Штуцер | |
| 24 | ТО-30.41.02.500 | Хомут стяжной | |
| 25 | 32x41,5-63.10362 | Рукав | |
| 26 | М8х25.7796 | Болт | |
| 27 | ТО-30.41.04.750 | Кронштейн | |
| 28 | ИЖБ300-1015200 | Вентилятор | |
| 29 | ТО-30.41.02.502 | Гайка | |
| 30 | ТО-30.41.02.501 | Шайба | |
| 31 | М8х35.7798 | Болт | |
| 32 | ТО-30.41.02.503 | Хомут | |
| 33 | ТО-30.41.04.700 | Колено | |
| 34 | М10x20.7796 | Болт | |
| 35 | 10.6402 | Шайба | |
| 36 | 42x52-38.10362 | Рукав | |
| 37 | ТО-30.41.04.011 | Хомут | |
| 38 | ТО-30.41.04.009 | Хомут | |
| 39 | ТО-30.41.04.007 | Скоба | |
| 40 | ТО-30.41.04.006 | Скоба | |
| 41 | ПЖБ200Г-1015010-А | Котел пускового подогревателя |
Содержащиеся в справочниках-каталогах запасные части и детали не предлагаются к продаже, а носят исключительно информационный характер