Каталог запасных частей к технике: ОЗП ТО-30. ТО-30.22.00.000. Мост ведущий
ТО-30.22.00.000
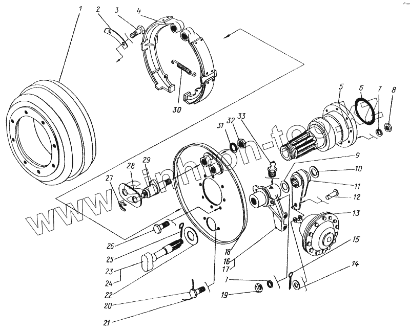
1
2
3
4
5
6
7
7
8
9
10
11
12
13
14
15
16
17
18
19
20
21
22
23
24
25
26
27
28
29
30
31
32
33
| Позиция на иллюстрации | Заводской номер детали | Название детали | |
|---|---|---|---|
| ТО-30.22.00.000 | ТО-30.22.00.000 | Мост ведущий | |
| 1 | 120-35.020.70 | Барабан тормозной | |
| 2 | ТО-30.21.00.023 | Пластина | |
| 3 | М20х40.7798 | Болт | |
| 4 | 120-35.02.090-А | Колодка | |
| 5 | ТО-30.21.00.002 | Цапфа | |
| 6 | 100-110-58.9833 | Кольцо | |
| 7 | 16.6402 | Шайба | |
| 8 | М16x1,5.5915 | Гайка | |
| 9 | 120-35.01.111-В | Шайба регулировочная | |
| 10 | 120-35.01.118 | Шайба | |
| 11 | 120-35.02.136 | Рычаг регулировочный | |
| 12 | 21.00.019 | Палец | |
| 13 | 100-35.19.210 | Камера тормозная | |
| 14 | 12.11371 | Шайба | |
| 15 | 3,2x20.397 | Шплинт | |
| 16 | ТО-6А.21.00.006 | Кронштейн | |
| 17 | ТО-6А.21.00.006 -01 | Кронштейн | |
| 18 | У20104Б-21.05.000 | Диск | |
| 19 | М16.5915 | Гайка | |
| 20 | 3М16x45.7796 | Болт | |
| 21 | 3-1.3282 | Проволока | |
| 22 | 120-35.01.130 | Шайба опорная | |
| 23 | 121-35.01.110 | Кулак разжимной правый | |
| 24 | 121-35.01.111 | Кулак разжимной левый | |
| 25 | 5x36.397 | Шплинт | |
| 26 | 21.00.008 | Болт | |
| 27 | 120-35.01.134 | Чека | |
| 28 | 120-35.01.133 | Накладка | |
| 29 | 120-35.02.132 | Ось колодки | |
| 30 | 120-35.01.035 | Пружина | |
| 31 | 20.6402 | Шайба | |
| 32 | М20.5915 | Гайка | |
| 33 | 1.3.19853 | Масленка |
Содержащиеся в справочниках-каталогах запасные части и детали не предлагаются к продаже, а носят исключительно информационный характер