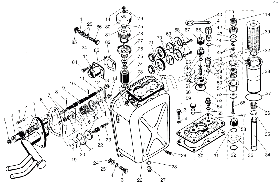
Каталог запасных частей к технике: Онежец ТЛТ-100 "Онежец". 95-4515 Гидробак
1
1
2
3
3
3
4
4
4
4
5
6
7
7
8
9
10
11
11
11
12
13
14
14
15
16
16
17
18
19
20
21
22
23
24
24
25
25
26
27
28
29
30
31
32
32
33
34
35
36
37
38
39
40
41
42
43
44
45
46
47
48
49
50
51
52
53
54
55
56
57
58
59
60
61
62
63
64
65
66
67
68
69
70
71
72
73
74
75
75
76
77
78
79
80
81
82
83
84
85
86
| Позиция на иллюстрации | Заводской номер детали | Название детали | |
|---|---|---|---|
| А.70.02.000 | А.70.02.000 | Уровнемер | |
| А.70.03.000 | А.70.03.000 | Сапун | |
| 95-3852030Б | 95-3852030Б | Колпачок с лентой | |
| ТБМ-7414040 | ТБМ-7414040 | Крышка с клапаном | |
| А.28.04.00.000 | А.28.04.00.000 | Фильтр сливной ФСВ 25-80-063 | |
| ТБМ-7414050 | ТБМ-7414050 | Патрубок всасывающий с затвором | |
| 8.20.000 | 8.20.000 | Клапан | |
| 1 | М10.6Н.8 | Гайка | |
| 2 | ТБМ-7414051 | Рукоятка | |
| 3 | М12.6gх30.88.35 | Болт | |
| 4 | 12.65Г | Шайба | |
| 5 | 95-4615060 | Патрубок всасывающий | |
| 6 | ТБМ-7414016 | Прокладка | |
| 7 | 014-018-25-1-2 | Кольцо | |
| 8 | 2,5х25 | Шплинт | |
| 9 | ТБМ-7414081 | Стержень | |
| 10 | ТБМ-7414082 | Палец | |
| 11 | 10.65Г | Шайба | |
| 12 | ТБМ-7414083 | Пластина | |
| 13 | ТБМ-7414088 | Шайба контровочная | |
| 14 | М10.6Н.6 | Гайка | |
| 15 | ТБМ-7414084 | Стакан | |
| 16 | 5.10.325-1 | Пружина | |
| 17 | 14.01.08КП | Шайба | |
| 18 | 10.01.08КП | Шайба | |
| 19 | ТБМ-7414087 | Прокладка | |
| 20 | ТБМ-7414087-01 | Прокладка | |
| 21 | 55-0010012 | Чашка | |
| 22 | ТБМ-7414086 | Обойма | |
| 23 | ТБМ-7414085 | Палец | |
| 24 | 55-0000103Б | Прокладка | |
| 25 | 12.01.08КП | Шайба | |
| 26 | ТБМ-7414020Б | Корпус бака | |
| 27 | 55А-47-290 | Пробка спускная магнитная | |
| 28 | 40М-47-261 | Прокладка | |
| 29 | 55-26-027 | Штуцер | |
| 30 | ТБМ-7414014 | Прокладка | |
| 31 | 040-045-30-1-2 | Кольцо | |
| 32 | 040-048-46-1-2 | Кольцо | |
| 33 | А28.04.00.005 | Ограничитель | |
| 34 | А.28.04.00.004 | Труба | |
| 35 | ТБМ-7414122 | Шайба | |
| 36 | 151.37.619-1 | Пружина | |
| 37 | 114-120-36-1-2 | Кольцо | |
| 38 | А.28.04.20.000 | Корпус | |
| 39 | 761-00-00-00 | Элемент фильтрующий | |
| 40 | 95-3852038 | Лента | |
| 41 | 95-3852032 | Колпачок | |
| 42 | ТБМ-7414112 | Опора пружина | |
| 43 | ТБМ-7414126 | Прокладка | |
| 44 | ТБМ-7414124 | Кольцо запорное | |
| 45 | М6.6Н.6 | Гайка | |
| 46 | 8.20.005 | Крестовина | |
| 47 | 8.20.007 | Кольцо | |
| 48 | 95-3852020 | Клапан | |
| 49 | 008-012-25-1-2 | Кольцо | |
| 50 | 8.20.002 | Пружина | |
| 51 | 8.20.001 | Чашка | |
| 52 | 8.20.004 | Клапан | |
| 53 | 072-080-46-2-2 | Кольцо | |
| 54 | 95-3852006 | Штуцер | |
| 55 | 022-027-30-1-2 | Кольцо | |
| 56 | В1М6.6gх40 | Винт | |
| 57 | ТБМ-7414102А | Крышка фильтра | |
| 58 | А28.04.00.006 | Втулка | |
| 59 | ТБМ-7414106 | Пробка | |
| 60 | ТБМ-7414041 | Крышка | |
| 61 | 77.63.127 | Пружина редукционного клапана | |
| 62 | 15,000-200 | Шарик | |
| 63 | 0,18-022-25-1-2 | Кольцо | |
| 64 | Н.036.04.005 | Штуцер ввертной | |
| 65 | 6.65Г | Шайба | |
| 66 | 95-3852039 | Пробка | |
| 67 | Н.036.12.040 | Заглушка | |
| 68 | ВМ6.6gх12.88.35 | Винт | |
| 69 | ТБМ-7414114 | Крышка уровнемера | |
| 70 | А.70.02.001 | Стекло | |
| 71 | А.70.02.003 | Манжета | |
| 72 | А.70.02.002 | Отражатель | |
| 73 | Н.036.28.004 | Шайба | |
| 74 | ТБМ-7414018 | Штуцер | |
| 75 | А.70.03.001-01 | Прокладка | |
| 76 | А.70.06.000 | Блок клапанов | |
| 77 | А.70.03.010 | Корпус | |
| 78 | А.70.03.001 | Прокладка | |
| 79 | А.70.03.001-02 | Прокладка | |
| 80 | А.70.03.002 | Крышка верхняя | |
| 81 | ТБМ-7414150 | Элемент фильтрующий | |
| 82 | ТБМ-7414014 | Прокладка | |
| 83 | ТБМ-7414180 | Патрубок сливной | |
| 84 | М10.6gх20.88.35 | Болт | |
| 85 | М12.6Н6 | Гайка | |
| 86 | М12.6gх35.88.35 | Болт |
Содержащиеся в справочниках-каталогах запасные части и детали не предлагаются к продаже, а носят исключительно информационный характер