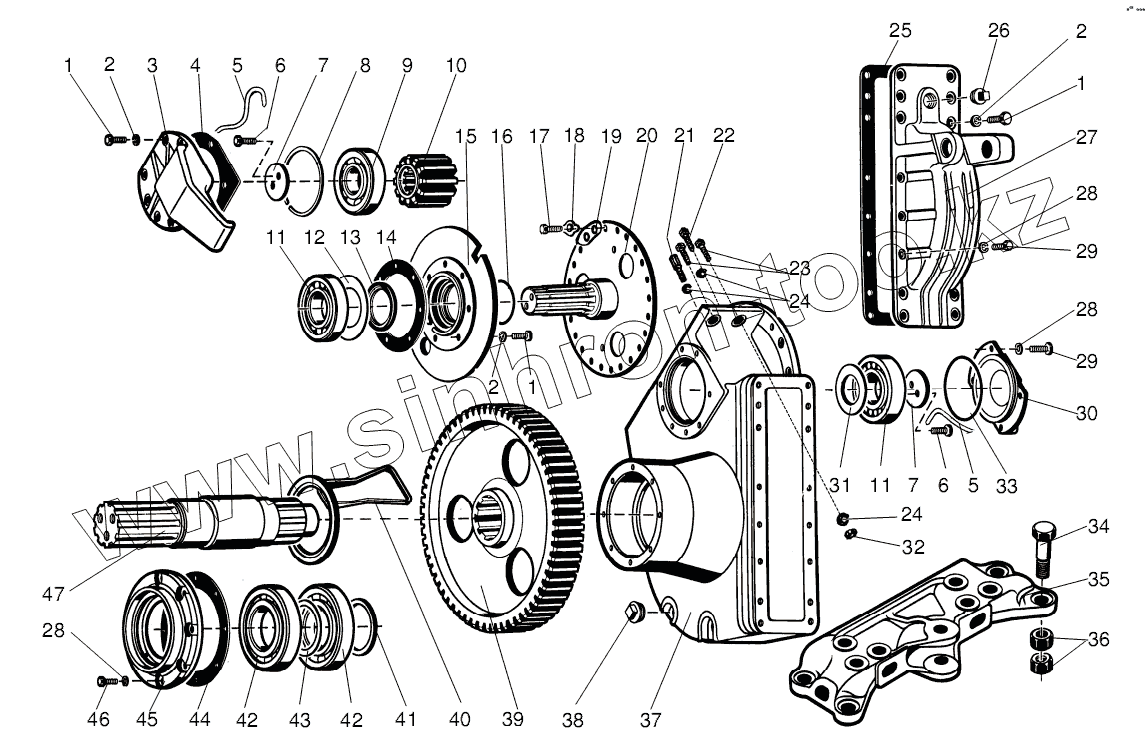
Каталог запасных частей к технике: Онежец ТЛТ-100 "Онежец". 55М-15 Задний мост. Бортовая передача
55М-15-сб.2
55М-15-сб.1
1
1
1
2
2
2
3
3
4
5
5
6
6
7
7
8
9
10
11
11
12
13
14
15
16
17
18
19
20
21
22
22
23
23
24
24
25
26
27
27
28
28
28
29
29
30
31
32
33
34
35
36
37
37
38
39
40
41
42
42
43
44
45
46
47
| Позиция на иллюстрации | Заводской номер детали | Название детали | |
|---|---|---|---|
| 55М-15-сб.2 | 55М-15-сб.2 | Передача бортовая правая | |
| 55М-15-сб.1 | 55М-15-сб.1 | Передача бортовая левая | |
| 1 | М16.6gх35.88.35.016 | Болт | |
| 2 | 16.65Г.019 | Шайба | |
| 3 | 55М-15-57 | Заталкиватель правый | |
| 3 | 55М-15-56 | Заталкиватель левый | |
| 4 | 55М-15-15 | Прокладка | |
| 5 | ПЖ-1,6х150 | Проволока | |
| 6 | 3М.14.6gх35.88.35.016 | Болт | |
| 7 | 55М-15-129 | Шайба | |
| 8 | 55М-15-180 | Кольцо упорное пружинное | |
| 9 | 50412 | Подшипник | |
| 10 | 55М-15-9 | Шестерня ведущая | |
| 11 | 42314К | Подшипник | |
| 12 | 55М-15-142 | Шайба маслоотражательная | |
| 13 | 2.1-85Х110-1 | Манжета | |
| 14 | 55М-15-5 | Прокладка | |
| 15 | 55М-15-44 | Крышка сальника | |
| 16 | 55М-15-182 | Кольцо СП-103-84-7 | |
| 17 | М12.6gх30.88.35.016 | Болт | |
| 18 | 55А-13-41-А | Шайба стопорная | |
| 19 | 55А-15-175 | Шайба стопорная | |
| 20 | 55М-15-сб.4 | Вал ведущий с диском | |
| 21 | 100Б-2400002 | Болт | |
| 22 | 55М-15-186 | Болт | |
| 22 | М24х2.6gх55.109.45Х.019 | Болт | |
| 23 | М24х2.6gх90.109.45Х.019 | Болт | |
| 23 | 55М-15-186-01 | Болт | |
| 24 | 24.65Г.019 | Шайба | |
| 25 | 55М-15-17 | Прокладка | |
| 26 | 55-12-сб.118 | Пробка | |
| 27 | 55М-15-147 | Крышка левая | |
| 27 | 55М-15-146 | Крышка правая | |
| 28 | 12.65Г.019 | Шайба | |
| 29 | М12.6gх30.88.35.016 | Болт | |
| 30 | 55М-15-45 | Крышка | |
| 31 | 55М-15-181 | Кольцо | |
| 32 | М24х26Н.45.019 | Гайка | |
| 33 | 145-150-36-1-2 | Кольцо | |
| 34 | 55М-44-32 | Болт призонный | |
| 35 | 55М-44-31Б | Брус | |
| 36 | 12-41-24 | Гайка | |
| 37 | 55М-15-43 | Картер левый | |
| 37 | 55М-15-42 | Картер правый | |
| 38 | 95-33-456 | Пробка | |
| 39 | 55М-15-22 | Шестерня ведомая | |
| 40 | 55М-15-сб.60 | Кожух маслоподводящий | |
| 41 | 55М-15-81 | Шайба упорная | |
| 42 | 222 | Подшипник | |
| 43 | 12-15-19А | Прокладка | |
| 44 | 40-15-112 | Прокладка | |
| 45 | 55М-15-111 | Крышка | |
| 46 | М12.6gх35.88.35.016 | Болт | |
| 47 | 55М-15-137 | Полуось |
Содержащиеся в справочниках-каталогах запасные части и детали не предлагаются к продаже, а носят исключительно информационный характер