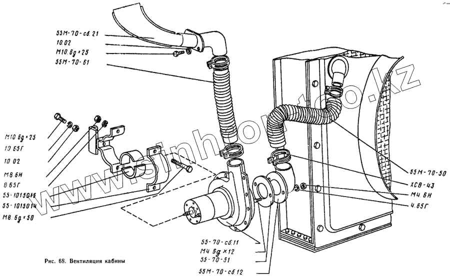
Каталог запасных частей к технике: Онежец ТДТ-55А. Вентиляция кабины
55-1015015
10.02
10.02
55М-70-50
55М-70-61
8.65Г
10.65Г
4.65Г
ХСВ-43
55М-70-сб.21
М8.6gх50
55-70-51
55М-70-сб.12
55-1015014
М8.6Н
М4.6Н
М4.6gх12
55-70-сб.11
М10.6gх25
М10.6gх25
| Позиция на иллюстрации | Заводской номер детали | Название детали | |
|---|---|---|---|
| 55-1015015 | 55-1015015 | Прокладка | |
| 10.02 | 10.02 | Шайба | |
| 55М-70-50 | 55М-70-50 | Шланг | |
| 55М-70-61 | 55М-70-61 | Шланг | |
| 8.65Г | 8.65Г | Шайба | |
| 10.65Г | 10.65Г | Шайба | |
| 4.65Г | 4.65Г | Шайба | |
| ХСВ-43 | ХСВ-43 | Хомут | |
| 55М-70-сб.21 | 55М-70-сб.21 | Сопло | |
| М8.6gх50 | М8.6gх50 | Болт | |
| 55-70-51 | 55-70-51 | Прокладка | |
| 55М-70-сб.12 | 55М-70-сб.12 | Переходник | |
| 55-1015014 | 55-1015014 | Накладка | |
| М8.6Н | М8.6Н | Гайка | |
| М4.6Н | М4.6Н | Гайка | |
| М4.6gх12 | М4.6gх12 | Винт | |
| 55-70-сб.11 | 55-70-сб.11 | Вентилятор | |
| М10.6gх25 | М10.6gх25 | Болт |
Содержащиеся в справочниках-каталогах запасные части и детали не предлагаются к продаже, а носят исключительно информационный характер