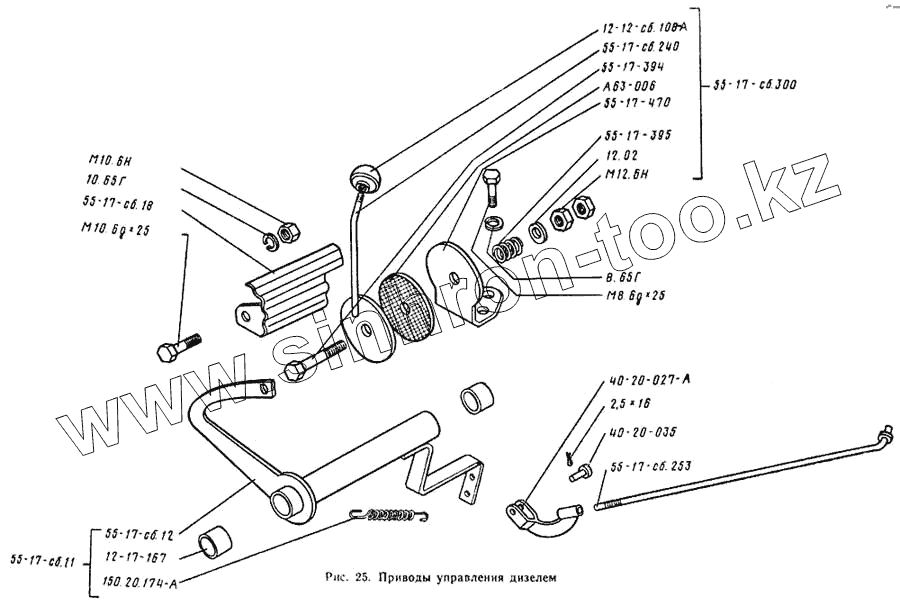
Каталог запасных частей к технике: Онежец ТДТ-55А. Приводы управления дизелем
55-17-сб.12
12.02
2,5х16
8.65Г
10.65Г
55-17-сб.300
55-17-сб.253
55-17-сб.240
12-12-сб.108-А
55-17-395
150.20.174-А
55-17-сб.11
М8.6gх25
40-20-035
55-17-394
55-17-сб.18
55-17-470
А63-006
М12.6Н
М10.6Н
12-17-167
40-20-027-А
М10.6gх25
| Позиция на иллюстрации | Заводской номер детали | Название детали | |
|---|---|---|---|
| 55-17-сб.12 | 55-17-сб.12 | Педаль | |
| 12.02 | 12.02 | Шайба | |
| 2,5х16 | 2,5х16 | Шплинт | |
| 8.65Г | 8.65Г | Шайба | |
| 10.65Г | 10.65Г | Шайба | |
| 55-17-сб.300 | 55-17-сб.300 | Фрикцион | |
| 55-17-сб.253 | 55-17-сб.253 | Тяга | |
| 55-17-сб.240 | 55-17-сб.240 | Рычаг | |
| 12-12-сб.108-А | 12-12-сб.108-А | Рукоятка | |
| 55-17-395 | 55-17-395 | Пружина | |
| 150.20.174-А | 150.20.174-А | Пружина | |
| 55-17-сб.11 | 55-17-сб.11 | Педаль | |
| М8.6gх25 | М8.6gх25 | Болт | |
| 40-20-035 | 40-20-035 | Палец | |
| 55-17-394 | 55-17-394 | Ось | |
| 55-17-сб.18 | 55-17-сб.18 | Накладка | |
| 55-17-470 | 55-17-470 | Кронштейн | |
| А63-006 | А63-006 | Диск | |
| М12.6Н | М12.6Н | Гайка | |
| М10.6Н | М10.6Н | Гайка | |
| 12-17-167 | 12-17-167 | Втулка | |
| 40-20-027-А | 40-20-027-А | Вилка | |
| М10.6gх25 | М10.6gх25 | Болт |
Содержащиеся в справочниках-каталогах запасные части и детали не предлагаются к продаже, а носят исключительно информационный характер