Вернуться на главную
Поиск
Каталоги запчастей к технике
Спецтехника
Онежец
ТДТ-55А
Лебедка
Каталог запасных частей к технике: Онежец ТДТ-55А. Лебедка
zoom-in
zoom-out
enlarge
shrink
circle-right
circle-left
file-text2
info
cart
Тип техники
Не выбрано
Легковые автомобили
Грузовые автомобили и прицепы
Автобусы
Сельхозтехника
Спецтехника
Двигатели
Мототехника
Марка
Не выбрано
Ammann
BOMAG
CARMIX
CASE IH
Changlin
ChengGong
Dimex
Doosan
DYNAPAC
Foton
HAMM
Hidromek
Hitachi
Hyundai
JCB
JLG
John Deere
Komatsu
LIEBHERR
LiuGong
Lonking (LongGong)
Luneng
MANITOU
Mitsuber
New Holland
PENGPU
RM-Terex
SANY
SDLG
SEM
Shantui
Shehwa HBXG
Soosan
TIGARBO
VOGELE
Volvo
WAY
WIRTGEN
XCMG
XGMA
Xiamen
YTO
Yuchai
Zoomlion
Автокран
АЗСМ
Алтайлесмаш
Амкодор
АОМЗ
Атек
АТЗ
Балканкар Рекорд
БелАЗ
Беловеж
Борекс
Брянский Арсенал
Булат
ВЭКС
ГАЗ
Геомаш
Гидромаш
Донекс
Дормаш
Дормашина
Дорэлектромаш
ДЭЗ
ЕлАЗ
ЗЗГТ
Ижнефтемаш
Канаш-электрокар
КЗКТ
ККЗ
Клевер
Клинцовский автокрановый завод
КМЗ
КМЗ 1 Мая
Ковровец
Коммаш
Кранэкс
КЭЗ
КЭМЗ
ЛЗА
МАЗ
МЗИК
МЗКМ
МЗКТ
Михневский РМЗ
МоАЗ
Мозырский МЗ
МТЗ
ОЗП
Онежец
ПАО "ТЗА"
ППС Детва
Промтрактор
ПТЗ
Раскат
СпецАгрегат
ТВЭКС
ТТМ
УВЗ
Угличмаш
УЗТМ
ХТЗ
ЧЗКМ
ЧСДМ
ЧТЗ
ЭКСКО
ЭКСМАШ
ЮрМаш
Модель
Не выбрано
ТДТ-55А (1979)
ТЛТ-100 "Онежец" (2005)
Схема
>
Не выбрано
Кузов
Кабина
Кабина
Кабина (тропическое исполнение)
Дверь
Сиденье водителя
Вентиляция кабины
Капот
Установка дизеля
Подогреватель
Приводы управления дизелем
Топливный бак
Топливный бачек
Водяной радиатор
Жалюзи
Масляный радиатор
Бортовой фрикцион
Бортовая передача
Бортовая передача
Вал
Приводы управления бортовыми фрикционами
Приводы управления бортовыми фрикционами
Приводы управления технологическим оборудованием
Приводы управления муфтой сцепления
Ведущий вал
Грузовой вал
Валы
Крышка управления
Приводы управления
Главная передача
Главная передача
Рама
Натяжное и амортизирующее устройство
Подвеска
Каретка
Направляющее колесо
Гусеничная цепь
Тормоз с механизмом управления
Электрооборудование
Электропроводка
Вал отбора мощности
Вал привода ВОМ
Лебедка
Ось барабана
Опорный вал
Муфта свободного хода
Карданные валы привода лебедки
Редуктор привода лебедки и ВОМ
Бак, насосы, распределитель
Насос, гидроусилитель
Передняя навеска
Щит, задняя навеска
Кузов, задняя навеска
Бак
Предохранительный клапан
Перепускной клапан
Гидроусилитель
Гидроусилитель
Задняя навеска
Задняя навеска
Передняя навеска
Толкатель
Щит
Рама
Инструмент и принадлежности
Инструмент и принадлежности
Инструмент и принадлежности
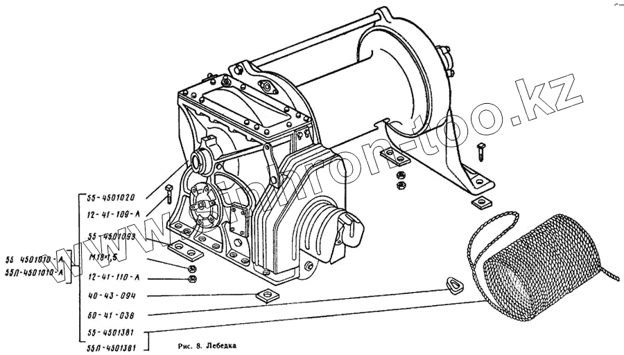
12-41-109-А
12-41-110-А
М18х1,5
55Л-4501381
55-4501381
60-41-038
55-4501020
55-4501093
55Л-4501010-А
55-4501010-А
40-43-094
Позиция на иллюстрации
Заводской номер детали
Название детали
12-41-109-А
12-41-109-А
Болт
12-41-110-А
12-41-110-А
Гайка
М18х1,5
М18х1,5
Гайка
55Л-4501381
55Л-4501381
Канат
55-4501381
55-4501381
Канат
60-41-038
60-41-038
Клин
55-4501020
55-4501020
Лебедка
55-4501093
55-4501093
Планка
55Л-4501010-А
55Л-4501010-А
Установка лебедки
55-4501010-А
55-4501010-А
Установка лебедки
40-43-094
40-43-094
Шайба
Содержащиеся в справочниках-каталогах запасные части и детали не предлагаются к продаже, а носят исключительно информационный характер
Дополнительная информация
×
Название:
Номер:
Примечание: