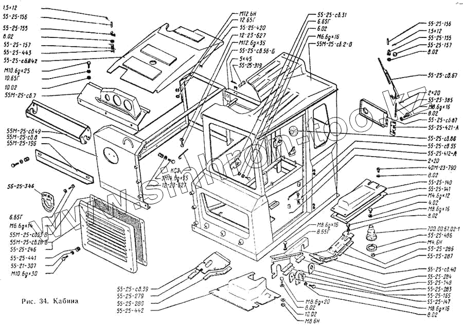
Каталог запасных частей к технике: Онежец ТДТ-55А. Кабина
55-25-147
55-25-сб.67
55М-25-сб.53-В
55М-25-сб.49
55-25-сб.56-Б
55М-25-196
55-25-155
55-25-155
55-25-412-А
55-25-157
55-25-157
55-25-сб.40
55-25-141
55-25-148
55-25-279
55-25-287
55-25-284
55-25-283
55-25-280
КС3
12-23-627
12-23-627
6.02
2х20
2х20
1,5х12
1,5х12
5х45
8.02
8.02
8.02
8.02
8.02
8.02
8.02
10.02
10.02
55-21-307
8.65Г
55-25-421-А
10.65Г
12.65Г
6.65Г
6.65Г
4.02
55-25-сб.86
55-25-сб.31
55-25-сб.55
3М14.6gх35
55-25-346
М8.6Н
М4.6Н
40М-23-790
М12.6Н
М4.6gх12
М6.6gх14
М6.6gх16
55М-25-сб.2-В
М12.6gх35
М10.6gх25
М10.6gх30
М8.6gх20
М8.6gх16
М8.6gх16
М8.6gх16
М8.6gх16
55-25-443
55-25-441
55-25-сб.87
55-25-319
55-25-156
55-25-156
55-25-385
55-25-486
55М-25-сб.28-В
55-25-246
55М-25-сб.7
55-25-сб.39
55-25-420
55-25-140
55-25-165
55-25-286
55-25-442
700.00.67.02-1
55-25-сб.842
55М-25-сб.8
| Позиция на иллюстрации | Заводской номер детали | Название детали | |
|---|---|---|---|
| 55-25-147 | 55-25-147 | Прокладка | |
| 55-25-сб.67 | 55-25-сб.67 | Стеклоочиститель | |
| 55М-25-сб.53-В | 55М-25-сб.53-В | Сетка | |
| 55М-25-сб.49 | 55М-25-сб.49 | Связь | |
| 55-25-сб.56-Б | 55-25-сб.56-Б | Связь | |
| 55М-25-196 | 55М-25-196 | Связь | |
| 55-25-155 | 55-25-155 | Рычажок | |
| 55-25-412-А | 55-25-412-А | Пружина | |
| 55-25-157 | 55-25-157 | Пружина | |
| 55-25-сб.40 | 55-25-сб.40 | Стенка | |
| 55-25-141 | 55-25-141 | Прокладка | |
| 55-25-148 | 55-25-148 | Прокладка | |
| 55-25-279 | 55-25-279 | Прокладка | |
| 55-25-287 | 55-25-287 | Прокладка | |
| 55-25-284 | 55-25-284 | Прокладка | |
| 55-25-283 | 55-25-283 | Прокладка | |
| 55-25-280 | 55-25-280 | Прокладка | |
| КС3 | КС3 | Проволока | |
| 12-23-627 | 12-23-627 | Шайба | |
| 6.02 | 6.02 | Шайба | |
| 2х20 | 2х20 | Шплинт | |
| 1,5х12 | 1,5х12 | Шплинт | |
| 5х45 | 5х45 | Шплинт | |
| 8.02 | 8.02 | Шайба | |
| 10.02 | 10.02 | Шайба | |
| 55-21-307 | 55-21-307 | Шайба | |
| 8.65Г | 8.65Г | Шайба | |
| 55-25-421-А | 55-25-421-А | Петля | |
| 10.65Г | 10.65Г | Шайба | |
| 12.65Г | 12.65Г | Шайба | |
| 6.65Г | 6.65Г | Шайба | |
| 4.02 | 4.02 | Шайба | |
| 55-25-сб.86 | 55-25-сб.86 | Чехол | |
| 55-25-сб.31 | 55-25-сб.31 | Уплотнение | |
| 55-25-сб.55 | 55-25-сб.55 | Стояк | |
| 3М14.6gх35 | 3М14.6gх35 | Болт | |
| 55-25-346 | 55-25-346 | Знак товарный | |
| М8.6Н | М8.6Н | Гайка | |
| М4.6Н | М4.6Н | Гайка | |
| 40М-23-790 | 40М-23-790 | Гайка | |
| М12.6Н | М12.6Н | Гайка | |
| М4.6gх12 | М4.6gх12 | Винт | |
| М6.6gх14 | М6.6gх14 | Винт | |
| М6.6gх16 | М6.6gх16 | Болт | |
| 55М-25-сб.2-В | 55М-25-сб.2-В | Каркас | |
| М12.6gх35 | М12.6gх35 | Болт | |
| М10.6gх25 | М10.6gх25 | Болт | |
| М10.6gх30 | М10.6gх30 | Болт | |
| М8.6gх20 | М8.6gх20 | Болт | |
| М8.6gх16 | М8.6gх16 | Болт | |
| 55-25-443 | 55-25-443 | Амортизатор | |
| 55-25-441 | 55-25-441 | Амортизатор | |
| 55-25-сб.87 | 55-25-сб.87 | Крышка | |
| 55-25-319 | 55-25-319 | Палец | |
| 55-25-156 | 55-25-156 | Ось | |
| 55-25-385 | 55-25-385 | Ось | |
| 55-25-486 | 55-25-486 | Окантовка | |
| 55М-25-сб.28-В | 55М-25-сб.28-В | Облицовка | |
| 55-25-246 | 55-25-246 | Облицовка | |
| 55М-25-сб.7 | 55М-25-сб.7 | Лист лобовой | |
| 55-25-сб.39 | 55-25-сб.39 | Крышка | |
| 55-25-420 | 55-25-420 | Амортизатор | |
| 55-25-140 | 55-25-140 | Крышка | |
| 55-25-165 | 55-25-165 | Крышка | |
| 55-25-286 | 55-25-286 | Крышка | |
| 55-25-442 | 55-25-442 | Кожух | |
| 700.00.67.02-1 | 700.00.67.02-1 | Кожух | |
| 55-25-сб.842 | 55-25-сб.842 | Картон | |
| 55М-25-сб.8 | 55М-25-сб.8 | Каркас капота |
Содержащиеся в справочниках-каталогах запасные части и детали не предлагаются к продаже, а носят исключительно информационный характер