Вернуться на главную
Поиск
Каталоги запчастей к технике
Спецтехника
New Holland
Экскаватор E305B
Электрооборудование
Каталог запасных частей к технике: New Holland Экскаватор E305B. Электрооборудование
zoom-in
zoom-out
enlarge
shrink
circle-right
circle-left
file-text2
info
cart
Тип техники
Не выбрано
Легковые автомобили
Грузовые автомобили и прицепы
Автобусы
Сельхозтехника
Спецтехника
Двигатели
Мототехника
Марка
Не выбрано
Ammann
BOMAG
CARMIX
CASE IH
Changlin
ChengGong
Dimex
Doosan
DYNAPAC
Foton
HAMM
Hidromek
Hitachi
Hyundai
JCB
JLG
John Deere
Komatsu
LIEBHERR
LiuGong
Lonking (LongGong)
Luneng
MANITOU
Mitsuber
New Holland
PENGPU
RM-Terex
SANY
SDLG
SEM
Shantui
Shehwa HBXG
Soosan
TIGARBO
VOGELE
Volvo
WAY
WIRTGEN
XCMG
XGMA
Xiamen
YTO
Yuchai
Zoomlion
Автокран
АЗСМ
Алтайлесмаш
Амкодор
АОМЗ
Атек
АТЗ
Балканкар Рекорд
БелАЗ
Беловеж
Борекс
Брянский Арсенал
Булат
ВЭКС
ГАЗ
Геомаш
Гидромаш
Донекс
Дормаш
Дормашина
Дорэлектромаш
ДЭЗ
ЕлАЗ
ЗЗГТ
Ижнефтемаш
Канаш-электрокар
КЗКТ
ККЗ
Клевер
Клинцовский автокрановый завод
КМЗ
КМЗ 1 Мая
Ковровец
Коммаш
Кранэкс
КЭЗ
КЭМЗ
ЛЗА
МАЗ
МЗИК
МЗКМ
МЗКТ
Михневский РМЗ
МоАЗ
Мозырский МЗ
МТЗ
ОЗП
Онежец
ПАО "ТЗА"
ППС Детва
Промтрактор
ПТЗ
Раскат
СпецАгрегат
ТВЭКС
ТТМ
УВЗ
Угличмаш
УЗТМ
ХТЗ
ЧЗКМ
ЧСДМ
ЧТЗ
ЭКСКО
ЭКСМАШ
ЮрМаш
Модель
Не выбрано
Бульдозер D150B TIER-3 (2010)
Бульдозер D180 TIER-3 (2010)
Бульдозер D255 (2010)
Бульдозер D350 (2010)
Бульдозер D95B Tier 3 (2012)
Экскаватор B115B (часть 1) (2010)
Экскаватор B115B (часть 2) (2010)
Экскаватор B90B (часть 1) (2012)
Экскаватор B90B (часть 2) (2012)
Экскаватор B90B (часть 3) (2012)
Экскаватор E305B (2008)
Экскаватор LB110B (часть 1) (2010)
Экскаватор LB110B (часть 2) (2010)
Схема
>
Не выбрано
Кабина
Ремень безопасности
Опора сиденья
Подлокотники
Сиденье оператора с механической подвеской
Сиденье оператора с механической подвеской
Сиденье оператора с пневмоподвеской
Сиденье оператора с пневмоподвеской
Детали кабины
Детали кабины
Детали кабины
Детали кабины
Детали кабины
Детали кабины
Детали кабины
Детали кабины
Детали кабины
Детали кабины
Детали кабины
Детали кабины
Детали кабины
Детали кабины
Детали кабины
Пол кабины
Пол кабины
Элементы облицовочные
Элементы облицовочные
Элементы облицовочные
Элементы облицовочные
Элементы облицовочные
Элементы облицовочные
Элементы облицовочные
Элементы облицовочные
Элементы облицовочные
Элементы облицовочные
Элементы облицовочные
Таблички
Таблички
Таблички
Защита кабины
Защита кабины
Защита кабины
Защита кабины
Солнцезащитный козырек
Зеркало
Кондиционер
Кондиционер
Кондиционер
Кондиционер
Кондиционер
Кондиционер
Кондиционер
Двигатель
Кронштейны подвески двигателя
Блок цилиндров
Блок цилиндров
Блок цилиндров
Крышки блока цилиндров
Крышки блока цилиндров
Крышки блока цилиндров
Сапун
Головка цилиндров
Крышки головки цилиндров
Коромысла и толкатели
Вал коленчатый
Шатун
Поршень
Маховик
Шкив
Вал распределительный
Отбор мощности
Картер масляный
Масляный щуп
Масляный насос
Масляный фильтр
Трубопроводы масляные
Маслоохладитель
Воздухоочиститель
Воздухоочиститель
Впускной коллектор
Топливный насос высокого давления
Форсунка
Топливные трубопроводы
Топливный фильтр
Топливные трубопроводы
Топливные трубопроводы
Турбокомпрессор
Топливный бак
Топливные трубопроводы
Насос топливоподкачивающий
Глушитель
Выпускной коллектор
Радиатор
Радиатор
Радиатор
Детали радиатора
Водяной насос
Трубопроводы системы охлаждения
Термостат
Водяной насос
Привод вентилятора
Рама
Рама
Рама
Рама
Защита рамы
Управление
Управление
Консоль управления
Консоль управления
Консоль управления
Бак масляный
Трубопроводы
Трубопроводы
Трубопроводы
Трубопроводы управления
Трубопроводы управления
Трубопроводы управления
Блок
Блок
Трубопроводы управления
Трубопроводы управления
Трубопроводы управления
Трубопроводы управления
Клапан управляющий
Трубопроводы стрелы
Гидроцилиндр
Гидроцилиндр
Гидроцилиндр
Трубопроводы стрелы
Трубопроводы стрелы
Гидроцилиндр
Клапан
Клапан
Клапан
Коллектор центральный
Коллектор центральный
Трубопроводы ходовые
Система зажигания
Жгуты проводов двигателя
Стартер
Стартер
Генератор
Генератор
Освещение
Электрооборудование
Электрооборудование
Электрооборудование
Электрооборудование
Электрооборудование
Электрооборудование
Электрооборудование
Электрооборудование
Стеклоомыватель
Радиооборудование
Установка монитора
Установка монитора
Установка монитора
Насос гидравлический
Насос гидравлический
Насос гидравлический
Насос гидравлический
Насос гидравлический
Насос гидравлический
Стрела
Стрела
Стрела
Стрела
Рукоять
Установка ковша
Привод хода
Привод хода
Привод хода
Привод хода
Защита рукояти
Трубопроводы смазочные
Трубопроводы смазочные
Трубопроводы смазочные
Комплект инструментов
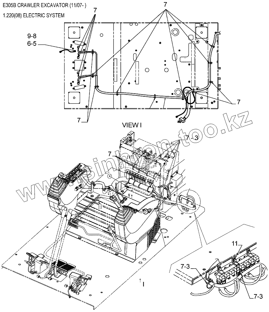
3
3
3
5
6
7
7
7
7
7
7
7
7
8
9
11
Позиция на иллюстрации
Заводской номер детали
Название детали
1
87658584
CABLE
3
87526680
COLLAR, RETAINER
5
10516674
WASHER, LOCK, 5/16"
6
16100821
NUT, M8, Cl 10
7
72951499
CLIP
8
87564296
CABLE, ELECTRIC
9
14496531
WASHER, M8x17x1.6
11
87565338
BRACKET
16
72214220
GASKET
Содержащиеся в справочниках-каталогах запасные части и детали не предлагаются к продаже, а носят исключительно информационный характер
Дополнительная информация
×
Название:
Номер:
Примечание: