Вернуться на главную
Поиск
Каталоги запчастей к технике
Спецтехника
New Holland
Бульдозер D95B Tier 3
FUEL INJECTION SYSTEM MODULE, ENGINE
Каталог запасных частей к технике: New Holland Бульдозер D95B Tier 3. FUEL INJECTION SYSTEM MODULE, ENGINE
zoom-in
zoom-out
enlarge
shrink
circle-right
circle-left
file-text2
info
cart
Тип техники
Не выбрано
Легковые автомобили
Грузовые автомобили и прицепы
Автобусы
Сельхозтехника
Спецтехника
Двигатели
Мототехника
Марка
Не выбрано
Ammann
BOMAG
CARMIX
CASE IH
Changlin
ChengGong
Dimex
Doosan
DYNAPAC
Foton
HAMM
Hidromek
Hitachi
Hyundai
JCB
JLG
John Deere
Komatsu
LIEBHERR
LiuGong
Lonking (LongGong)
Luneng
MANITOU
Mitsuber
New Holland
PENGPU
RM-Terex
SANY
SDLG
SEM
Shantui
Shehwa HBXG
Soosan
TIGARBO
VOGELE
Volvo
WAY
WIRTGEN
XCMG
XGMA
Xiamen
YTO
Yuchai
Zoomlion
Автокран
АЗСМ
Алтайлесмаш
Амкодор
АОМЗ
Атек
АТЗ
Балканкар Рекорд
БелАЗ
Беловеж
Борекс
Брянский Арсенал
Булат
ВЭКС
ГАЗ
Геомаш
Гидромаш
Донекс
Дормаш
Дормашина
Дорэлектромаш
ДЭЗ
ЕлАЗ
ЗЗГТ
Ижнефтемаш
Канаш-электрокар
КЗКТ
ККЗ
Клевер
Клинцовский автокрановый завод
КМЗ
КМЗ 1 Мая
Ковровец
Коммаш
Кранэкс
КЭЗ
КЭМЗ
ЛЗА
МАЗ
МЗИК
МЗКМ
МЗКТ
Михневский РМЗ
МоАЗ
Мозырский МЗ
МТЗ
ОЗП
Онежец
ПАО "ТЗА"
ППС Детва
Промтрактор
ПТЗ
Раскат
СпецАгрегат
ТВЭКС
ТТМ
УВЗ
Угличмаш
УЗТМ
ХТЗ
ЧЗКМ
ЧСДМ
ЧТЗ
ЭКСКО
ЭКСМАШ
ЮрМаш
Модель
Не выбрано
Бульдозер D150B TIER-3 (2010)
Бульдозер D180 TIER-3 (2010)
Бульдозер D255 (2010)
Бульдозер D350 (2010)
Бульдозер D95B Tier 3 (2012)
Экскаватор B115B (часть 1) (2010)
Экскаватор B115B (часть 2) (2010)
Экскаватор B90B (часть 1) (2012)
Экскаватор B90B (часть 2) (2012)
Экскаватор B90B (часть 3) (2012)
Экскаватор E305B (2008)
Экскаватор LB110B (часть 1) (2010)
Экскаватор LB110B (часть 2) (2010)
Схема
>
Не выбрано
INITIAL STOCKING LIST
D.IA KITS
ФИЛЬТРЫ
ЗАПРАВОЧНЫЕ ЕМКОСТИ
ENGINE - MOUNTING
FAN-FAN BELT
FAN DRIVE
PULLEY FAN DRIVE
RADIATOR MOUNTING
RADIATOR FAN GUARDS
RADIATOR COOLING
COOLANT RECOVERY SYSTEM
AIR CLEANER MOUNTING
AIR CLEANER ASSY
MUFFLER EXHAUST SYSTEM
ENGINE
ENGINE OIL DIPSTICK
OIL FILTER AND COOLER
OIL FILTER - ENGINЕ
OIL PUMP ENGINE
OIL PUMP, PAN
BREATHER ENGINE
TURBOCHARGER DRAIN LINE
TURBOCHARGER
WATER PUMP
WATER PUMP CONTROL
CYLINDER BLOCK
CYLINDER HEAD
CYLINDER HEAD ASSEMBLY
CYLINDER HEAD COVERS
CRANKSHAFT PULLEY
DYNAMIC BALANCER, GEARS & SHAFTS
DYNAMIC BALANCER, GEARS & SHAFTS
FLYWHEEL HOUSING
FLYWHEEL ENGINE
GEAR COVER REAR HOUSING
FRONT GEAR COVER
ROCKER ARMS
ROCKER ARMS ASSEMBLY
CAMSHAFT
PISTONS
INTAKE MANIFOLD
EXHAUST MANIFOLD
COOLING SYSTEM ENGINE
THERMOSTAT ENGINE COOLING SYSTEM
ENGINE LIFT HOOKS
КОМПЛЕКТ
FUEL INJECTION PUMP
FILTER, FUEL
FUEL TANK
FUEL LINES (IF USED)
FUEL LINES (IF USED)
FUEL INJECTION SYSTEM
FUEL INJECTION SYSTEM INJECTOR
FUEL INJECTION SYSTEM FUEL, SUPPLY
FUEL INJECTION SYSTEM MODULE, ENGINE
FUEL INJECTION SYSTEM HARNESS, ENGINE
FUEL INJECTION SYSTEM DRAIN LINE
MOUNTING PUMP, HYDROSTATIC TANDEM AND DRIVESHAFT
HYDROSTATICS PUMP, TANDEM SUPPLY AND RETURN TO FILTER
HYDROSTATICS MOTOR, DRIVE
DIAGNOSTIC LINES
MOUNTING FINAL DRIVE
COVERS FINAL DRIVE
FINAL DRIVE ASSY, DROP HOUSING
FINAL DRIVE ASSY, HUB
FILTER ASSY
CONTROLS, FORWARD AND REVERSE
HYDROSTATIC MOTOR
HYDROSTATIC MOTOR
PUMP ASSY HYDROSTATIC
PUMP ASSY COMBINATION
НАСОС, В СБОРЕ
STARТER
ALTERNATOR ASSY
ALTERNATOR MOUNTING
BATTERY, SINGLE CABLES (Jan 12 2009 2:39PM)
BATTERY, DUAL CANOPY, ROPS AND CAB (IF USED)
ENGINE GROUND STRAP
HARNESS, ENGINE (RIGHTHAND SIDE) ALTERNATOR/STARTER
HARNESS, ENGINE (LEFTHAND SIDE AND REAR)
HARNESS, REAR WIRE HARNESS
HARNESS, FRONT CONSOLE AND SWITCHES CANOPY, ROPS
HARNESS, FRONT CONSOLE AND SWITCHES CAB
HARNESS, CAB/CANOPY (Feb 12 2010 10:46AM)
HARNESS, CAB/ CANOPY ROPS HARNESS, MICROCONTROLLER
CONSOLE, FRONT CANOPY, ROPS
CONSOLE, FRONT CAB
HARNESS, CANOPY
HARNESS, LAMP CANOPY, ROPS
HARNESS CAB LIGHTS
HARNESS, LAMP CAB
ALARM, BACKUP HORN
GRID HEATER
WIPER, FRONT CAB
WIPER, REAR CAB
THROTTLE, ELECTRIC
RESERVOIR, HYDRAULIC COVERS
HYDRAULICS, EQUIPMENT RESERVOIR TO PUMP AND CONTROL VALVE
PUMP ASSY, HYDRAULIC MODELS WITH PTO
HYDRAULICS, EQUIPMENT CONTROL
VALVE ASSEMBLY, THERMAL BYPASS
HYDRAULICS LIFT CIRCUIT
HYDRAULICS TILT AND ANGLE
HYDRAULICS TILT CIRCUIT
HYDRAULICS ANGLE CIRCUIT
HYDRAULICS RIPPER, VALVE TO REAR OF TRACTOR
HYDRAULICS RIPPER, REAR OF TRACTOR TO CYLINDERS
CYLINDER ASSY LIFT
CYLINDER ASSY TILT
CYLINDER ASSY ANGLE
CYLINDER ASSY RIPPER
VALVE, CONTROL MOUNTING
CONTROLS LEVER AND LINKAGE, THREE SPOOL VALVE
CONTROLS LEVER AND LINKAGE, FOURTH SPOOL
VALVE, CONTROL
VALVE ASSY, RELIEF
SECTION ASSEMBLY LIFT
SECTION ASSEMBLY TILT, ANGLE, AND AUXILIARY
VALVE ASSY, CHECK VALVE ASSY, ANTICAVITATION
VALVE ASSY, RELIEF
FRAME, LIFT CYLINDERS, MOUNTING
DOZER BLADE MOUNTING
BLADE, DOZER EDGES, CUTTING
SHIELDS, DOZER HYDRAULICS
RIPPER (IF USED)
RIPPER (IF USED)
COUNTERWEIGHT, FRONT HOOK, TOWING
DRAWBAR HOOK, TOWING
FRAME, MAIN
UPPER MAIN FRAME, MOUNTING HYDRAULIC AND FUEL TANK SEAT
DOOR, REAR TANK, HYDRAULIC OIL
DOORS, REAR
HOOD AND SIDE PANELS
GUARD, RADIATOR BRUSH SCREEN GRILLE, HOOD
SEAT ASSY, MECHANICAL SUSPENSION MOUNTING
SEAT ASSY, MECНANICAL SUSPENSION
SEAT ASSY, AIR SUSPENSION MOUNTING
SEAT ASSY, AIR SUSPENSION
CANOPY, ROPS FRAME, MOUNTING AND GRAB HANDLES
CANOPY, ROPS HEADLINER, FLOORMAT AND MIRROR
CANOPY, ROPS ARMRESTS, TOOLBOX AND COVERS
CANOPY, ROPS CONSOLES, SIDE
CANOPY, ROPS SCREENS
CAB OR CANOPY GUARD, BRUSH
CAB OR CANOPY TILT COMPONENTS
CAB FRAME AND MOUNTING
CAB MISCELLANEOUS COMPONENTS
CAB DOORS
CAB GLASS AND WINDOWS
CAB WINDOW VENTS HARDWARE
CAB CONSOLES, SIDE
CAB COVERS, INTERIOR POSTS (MCLAUGHLIN CAB W/TILT OUT SIDE REAR WINDOW)
CAB COVERS, INTERIOR ROOF AND FLOOR
CAB MIRROR, SUN SHADE, GRAB HANDLE, DOME LAMP, ANTENNA
CAB WASHER, WINDSHIELD
CAB HEATING SYSTEM (AT ENGINE)
CAB HEATER AND AIR CONDITIONING
CAB AIR CONDITIONING COMPRESSOR
CAB AIR CONDITIONING CONDENSER
CAB SCREEN, REAR
DECALS ENGLISH
DECALS ENGLISH
DECALS ENGLISH
DECALS CANADIAN FRENCH
FRAME, TRACK ROLLER AND RECOIL HOUSING
FRAME, TRACK COVERS
SPROCKET, TRACK
TRACK ADJUSTER AND IDLER MOUNTING
TRACK ADJUSTER
TRACK IDLER
TRACK ROLLER
TRACK GUARDS
TRACK CHAIN, SEALED
TRACK CHAIN, SEALED AND LUBRICATED (SALT)
TRACK CHAIN, EXTENDED LIFE / ADVANCE TRACK LIFE (ATL)
BRAKE PEDAL AND FOOTREST MOUNTING
PEDALS BRAKE AND DECELERATOR
BRAKE LINES
BRAKE, PARKING/LOCKOUT LEVERS
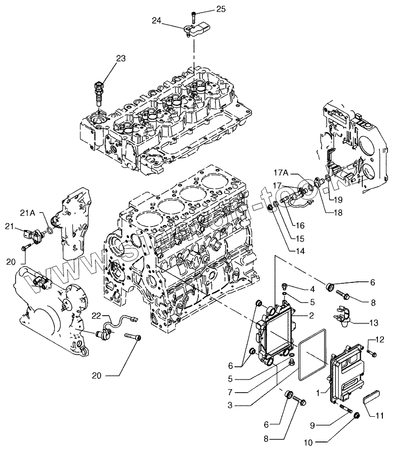
1
2854595
2
3
4
5
5
6
6
6
7
8
8
9
10
11
12
13
14
15
16
17
17A
18
19
20
20
21
21A
22
23
24
25
Позиция на иллюстрации
Заводской номер детали
Название детали
1
2854594
ELECTRONIC UNIT, CONTROL
2854595
2854595
BRACKET
2
2854596
Кронштейн
3
2854079
GASKET
4
4896542
CONNECTOR, HYD.
5
2854292
Уплотнительная шайба
6
2855150
INSULATOR BLOCK
7
4890964
FITTING
8
4899078
SCREW, Hex Flg, M8x1.25x45
9
2854593
STUD
10
4899057
NUT
11
2852825
PLUG
12
2854083
Болт
13
2852486
CLIP, CABLE
14
2854282
NUT
15
4899124
WASHER
16
4895157
STUD
17
4890190
SENDER UNIT, ASSY
17A
2852820
O-RING, 17.17X1.78MM
18
4892255
HOUSING
19
14453881
Уплотнительное кольцо
20
4899110
SCREW, Hex Flg, M6x1x20
21
4890193
SENDER UNIT, ASSY
21A
4895477
O-RING
22
4890189
SENDER UNIT
23
4897224
SENSOR, Temperature
24
2852821
SENSOR, ECM; Boost/Air Temperature Sensor
25
4895817
SCREW
Содержащиеся в справочниках-каталогах запасные части и детали не предлагаются к продаже, а носят исключительно информационный характер
Дополнительная информация
×
Название:
Номер:
Примечание: