Вернуться на главную
Поиск
Каталоги запчастей к технике
Спецтехника
New Holland
Бульдозер D350
2.350(01) FRONT SUSPENSION
Каталог запасных частей к технике: New Holland Бульдозер D350. 2.350(01) FRONT SUSPENSION
zoom-in
zoom-out
enlarge
shrink
circle-right
circle-left
file-text2
info
cart
Тип техники
Не выбрано
Легковые автомобили
Грузовые автомобили и прицепы
Автобусы
Сельхозтехника
Спецтехника
Двигатели
Мототехника
Марка
Не выбрано
Ammann
BOMAG
CARMIX
CASE IH
Changlin
ChengGong
Dimex
Doosan
DYNAPAC
Foton
HAMM
Hidromek
Hitachi
Hyundai
JCB
JLG
John Deere
Komatsu
LIEBHERR
LiuGong
Lonking (LongGong)
Luneng
MANITOU
Mitsuber
New Holland
PENGPU
RM-Terex
SANY
SDLG
SEM
Shantui
Shehwa HBXG
Soosan
TIGARBO
VOGELE
Volvo
WAY
WIRTGEN
XCMG
XGMA
Xiamen
YTO
Yuchai
Zoomlion
Автокран
АЗСМ
Алтайлесмаш
Амкодор
АОМЗ
Атек
АТЗ
Балканкар Рекорд
БелАЗ
Беловеж
Борекс
Брянский Арсенал
Булат
ВЭКС
ГАЗ
Геомаш
Гидромаш
Донекс
Дормаш
Дормашина
Дорэлектромаш
ДЭЗ
ЕлАЗ
ЗЗГТ
Ижнефтемаш
Канаш-электрокар
КЗКТ
ККЗ
Клевер
Клинцовский автокрановый завод
КМЗ
КМЗ 1 Мая
Ковровец
Коммаш
Кранэкс
КЭЗ
КЭМЗ
ЛЗА
МАЗ
МЗИК
МЗКМ
МЗКТ
Михневский РМЗ
МоАЗ
Мозырский МЗ
МТЗ
ОЗП
Онежец
ПАО "ТЗА"
ППС Детва
Промтрактор
ПТЗ
Раскат
СпецАгрегат
ТВЭКС
ТТМ
УВЗ
Угличмаш
УЗТМ
ХТЗ
ЧЗКМ
ЧСДМ
ЧТЗ
ЭКСКО
ЭКСМАШ
ЮрМаш
Модель
Не выбрано
Бульдозер D150B TIER-3 (2010)
Бульдозер D180 TIER-3 (2010)
Бульдозер D255 (2010)
Бульдозер D350 (2010)
Бульдозер D95B Tier 3 (2012)
Экскаватор B115B (часть 1) (2010)
Экскаватор B115B (часть 2) (2010)
Экскаватор B90B (часть 1) (2012)
Экскаватор B90B (часть 2) (2012)
Экскаватор B90B (часть 3) (2012)
Экскаватор E305B (2008)
Экскаватор LB110B (часть 1) (2010)
Экскаватор LB110B (часть 2) (2010)
Схема
>
Не выбрано
5.601(01) HOODS
5.601(02) HOODS
5.601(03) HOODS
5.601(04) HOODS
5.601(05) LOCK HOODS
5.645(01) FENDERS FLOORS
5.645(02) FENDERS FLOORS
5.645(03) FENDERS FLOORS
5.646(01) COVER LOW
5.646(02) COVER LOW
5.651(01) ROPS CANOPY OPERATOR’S COMPARTMENT
5.651(02) ROPS CANOPY OPERATOR’S COMPARTMENT
1.200(01) UNIT TORQUE CONVERTER
1.200(02) UNIT TORQUE CONVERTER
1.200(03) UNIT TORQUE CONVERTER
1.200(04) UNIT TORQUE CONVERTER
1.200(05) UNIT TORQUE CONVERTER SAFETY VALVE
1.200(06) TORQUE CONVERTER COMPONENTS
1.200(07) TORQUE CONVERTER COMPONENTS
1.200(08) TRANSMISSION CONVERTER PUMP
1.200(09) TRANSMISSION CONVERTER PUMP
1.204(01) DRIVE SHAFT
1.211(01) TRANSMISSION
1.211(02) TRANSMISSION CASE
1.211(03) TRANSMISSION CASE
1.211(04) TRANSMISSION COMPONENTS
1.211(05) TRANSMISSION COMPONENTS
1.211(06) TRANSMISSION COMPONENTS
1.211(07) TRANSMISSION COMPONENTS
1.211(08) TRANSMISSION COMPONENTS
1.211(09) TRANSMISSION COMPONENTS
1.211(10) TRANSMISSION COMPONENTS
1.211(11) TRANSMISSION PIPING
1.211(12) TRANSMISSION PIPING
1.211(13) TRANSMISSION COMPONENTS
1.211(14) TRANSMISSION CONTROL VALVE
1.211(15) TRANSMISSION CONTROL VALVE
1.220(01) TRANSMISSION LUBRICATION SYSTEM
1.220(02) TRANSMISSION LUBRICATION SYSTEM
1.266(01) STEERING BRAKES EPICYCLOID
1.266(02) STEERING BRAKES EPICYCLOID HYDRAULIC ENGINE
1.266(03) STEERING BRAKES EPICYCLOID HYDRAULIC ENGINE
1.266(04) STEERING BRAKES EPICYCLOID
1.266(05) STEERING BRAKES EPICYCLOID
1.266(06) STEERING BRAKES EPICYCLOID
1.267(01) BEVEL GEAR SET
1.277(01) FINAL DRIVE CASE
1.277(02) FINAL DRIVE COMPONENTS
1.277(03) FINAL DRIVE COMPONENTS
0.021(01) ENGINE
0.040(01) CRANKCASE
0.040(02) CRANKCASE
0.040(03) CRANKCASE
0.040(04) CRANKCASE
0.042(01) ENGINE OIL SUMP
0.043(01) CRANKCASE COVERS
0.043(02) CRANKCASE COVERS
0.043(03) CRANKCASE COVERS
0.043(04) CRANKCASE COVERS
0.043(05) CRANKCASE COVERS
0.043(06) CRANKCASE COVERS
0.045(01) BREATHER ENGINE
0.045(02) BREATHER ENGINE
0.060(01) CYLINDER HEAD
0.060(02) CYLINDER HEAD
0.060(03) CYLINDER HEAD
0.071(01) INTAKE MANIFOLD
0.077(01) EXHAUST MANIFOLD
0.080(01) CRANKSHAFT
0.080(02) CRANKSHAFT
0.081(01) CONNECTING ROD
0.082(01) PISTON ENGINE
0.083(01) FLYWHEEL ENGINE
0.084(01) DAMPER
0.100(01) TIMING CONTROL
0.120(01) CAMSHAFT TIMING CONTROL
0.120(02) CAMSHAFT TIMING CONTROL
0.140(01) INJECTION PUMP
0.140(02) INJECTION PUMP
0.140(03) INJECTION PUMP
0.140(04) INJECTOR COMPONENTS
0.141(01) MONITORING ELECTRICAL ACCESSORIES
0.141(02) MONITORING ELECTRICAL ACCESSORIES
0.149(01) INJECTION EQUIPMENT PIPING
0.200(01) FUEL FILTER
0.203(01) PIPING FUEL
0.240(01) TURBOCHARGER
0.240(02) TURBOCHARGER PIPING
0.270(01) ENGINE OIL DIPSTICK
0.270(02) ENGINE OIL DIPSTICK
0.300(01) OIL PUMP ENGINE
0.313(01) HEAT EXCHANGER
0.313(02) OIL FILTER
0.320(01) WATER PUMP
0.320(02) WATER PUMP PULLEY
0.320(03) WATER PUMP PULLEY
0.326(01) THERMOSTAT ENGINE COOLING SYSTEM
0.329(01) FILTER ENGINE COOLING SYSTEM
0.360(01) STARTER MOTOR
0.400(01) ALTERNATOR
0.400(02) ALTERNATOR
0.450(01) ENGINE LIFTING EYES
0.500(01) ENGINE RELATED PARTS
0.500(02) ENGINE RELATED PARTS
0.500(03) ENGINE RELATED PARTS
0.500(04) ENGINE RELATED PARTS
0.505(01) SUSPENSION ENGINE
0.505(02) SUSPENSION ENGINE
0.505(03) SUSPENSION ENGINE
0.510(01) FUEL TANK
0.510(02) FUEL TANK PIPING
0.530(01) MUFFLER
0.540(01) AIR CLEANER ENGINE
0.540(02) AIR CLEANER ENGINE
0.550(01) ENGINE COOLING SYSTEM WATER RADIATOR
0.550(02) ENGINE COOLING SYSTEM
0.550(03) ENGINE COOLING SYSTEM PIPING
0.550(04) WATER RADIATOR COMPONENTS
0.550(05) WATER RADIATOR COMPONENTS
1.266(02A) HYDRAULIC MOTOR COMPONENTS
3.434(01) HYDRAULIC SYSTEM PIPING
3.434(02) HYDRAULIC SYSTEM PIPING
3.434(03) HYDRAULIC SYSTEM PIPING
3.434(04) HYDRAULIC SYSTEM PIPING
3.434(05) HYDRAULIC SYSTEM PIPING
3.434(06) HYDRAULIC SYSTEM PIPING
3.434(07) HYDRAULIC SYSTEM PIPING
3.434(08) HYDRAULIC SYSTEM PIPING
3.437(01) CONTROL EQUIPMENT
3.437(02) CONTROL EQUIPMENT
3.437(03) CONTROL EQUIPMENT
3.443(01) LIFT CYLINDERS PIPING
3.443(02) LIFT CYLINDERS PIPING
3.443(03) LIFT CYLINDERS PIPING
3.443(04) LIFT CYLINDER
3.461(01) MAIN FRAME
3.461(02) MAIN FRAME
3.470(01) CONTROL PIPING REAR
3.470(02) CONTROL PIPING REAR
3.471(01) PIPING HYDRAULIC TILT
6.701(01) BATTERY SEAT AND SUPPORT
6.701(02) BATTERY SEAT AND SUPPORT
6.711(01) ELECTRICAL SYSTEM ELECTRIC WIRING
6.711(02) ELECTRICAL SYSTEM ELECTRIC WIRING
6.711(03) ELECTRICAL SYSTEM ELECTRIC WIRING
6.711(04) ELECTRICAL SYSTEM ELECTRIC WIRING
6.711(05) ELECTRICAL SYSTEM ELECTRIC WIRING
6.711(06) ELECTRICAL SYSTEM ELECTRIC WIRING
6.712(01) ELECTRIC COMPONENTS
6.712(02) ELECTRIC COMPONENTS BACKUP ALARM
6.712(03) ELECTRIC COMPONENTS DASHBOARD
6.712(04) ELECTRIC COMPONENTS
6.712(05) ELECTRIC COMPONENTS
6.712(06) ELECTRIC COMPONENTS
6.756(01) HYDRAULIC DIAGNOSTIC SYSTEM
6.769(01) TOOLS KIT
6.782(01) TRADE MARK
2.304(01) BRAKE CONTROLS COMPONENTS
2.304(02) BRAKE CONTROLS COMPONENTS
2.304(03) BRAKE CONTROLS STEERING CLUTCH
2.304(04) BRAKE CONTROLS STEERING CLUTCH
2.304(05) BRAKE CONTROLS COMPONENTS
2.304(06) BRAKE CONTROLS COMPONENTS
2.304(07) BRAKE CONTROLS COMPONENTS
2.304(08) BRAKE CONTROLS COMPONENTS
2.304(09) BRAKE CONTROLS COMPONENTS
2.304(10) BRAKE CONTROLS COMPONENTS
2.340(01) TRACK FRAME
2.345(01) TRACK ROLLERS
2.345(02) TRACK ROLLERS
2.346(01) TRACK IDLER
2.346(02) TRACK IDLER
2.347(01) TRACK CARRIER ROLLER TRACK IDLER
2.347(02) TRACK CARRIER ROLLER TRACK IDLER
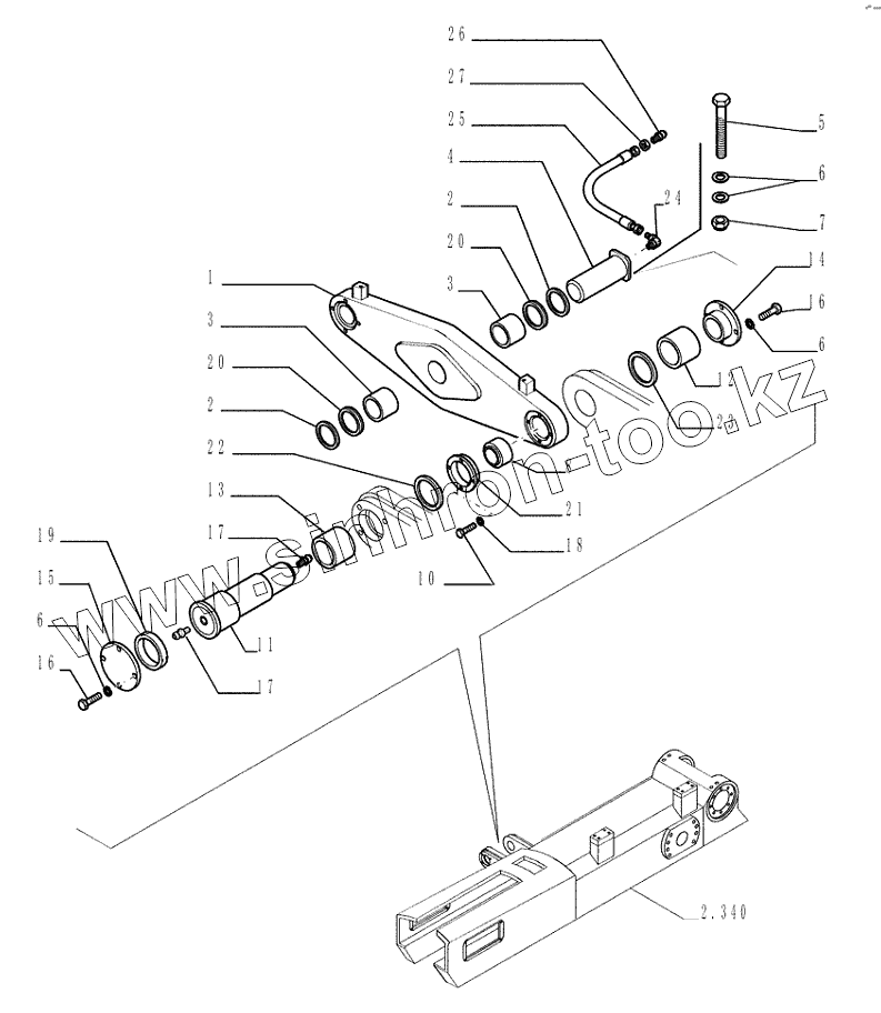
2.350(01) FRONT SUSPENSION
2.350(02) REAR SUSPENSION
2.355(01) TRACK ROLLER GUARDS
2.355(02) TRACK ROLLER GUARDS
2.454(01) TRUNNIONS
3.434(09) HYDRAULIC SYSTEM PIPING
9.105(01) REVERSIBLE FAN OPTIONAL CODE 784305001
9.165(01) AIR CLEANER DUST EJECTOR OPTIONAL CODE 784306001
9.173(01) SAND SCREEN OPTIONAL CODE 784105061
9.174(01) SAND SCREEN OPTIONAL CODE 784130011
9.346(01) SALT CHAIN SHOES (L=710 MM) OPTIONAL CODE 784310001
9.347(01) SALT CHAIN SHOES (L=610 MM) OPTIONAL CODE 784113021
9.348(01) SALT CHAIN SHOES (L=610 MM) OPTIONAL CODE 784317001
9.354(01) TRACK ROLLER GUARD OPTIONAL CODE 784119141
9.354(02) TRACK ROLLER GUARD OPTIONAL CODE 784119141
9.355(01) TRACK ROLLER GUARD OPTIONAL CODE 784119141
9.355(02) TRACK ROLLER GUARD OPTIONAL CODE 784119141
9.443(01) QUICK RELEASE VALVE OPTIONAL CODE 784308011
9.464(01) ADDITIONAL COUNTERWEIGHT OPTIONAL CODE 784167041
9.464(02) ADDITIONAL COUNTERWEIGHT OPTIONAL CODE 784167041
9.466(01) PUSHBEAMS AND STRUTS (HSU) OPTIONAL CODE 774161011
9.466(02) TILT CYLINDER OPTIONAL CODE 774161011
9.466(03) TILT CYLINDER OPTIONAL CODE 774161011 BEFORE DATE 10/2010
9.466(03A) TILT CYLINDER OPTIONAL CODE 774161011 AFTER DATE 10/2010
9.468(01) MOLDBOARD HSU (LT) OPTIONAL CODE 774160011
9.469(01) MOLDBOARD HU MC.18,7XCARB OPTIONAL CODE 774315001
9.471(01) MOLDBOARD OPTIONAL CODE 774309001
9.475(01) CFRAME H.D. OPTIONAL CODE 774159011
9.476(01) MECHANIC TILT STRUTS H.D. OPTIONAL CODE 774303001
9.476(02) HYDRAULIC TILT STRUTS H.D. OPTIONAL CODE 774303001
9.476(03) HYDRAULIC TILT STRUTS H.D. OPTIONAL CODE 774303001
9.476(04) HYDRAULIC TILTANGLEDOZER (HA) OPTIONAL CODE 774303001
9.480(01) ANGLE MOLDBOARD (HA) OPTIONAL CODE 774321001
9.522(01) RIPPER (V.P.) OPTIONAL CODE 784304001
9.522(02) RIPPER (V.P.) FRAME OPTIONAL CODE 784304001
9.522(03) RIPPER (V.P.) TOOL BAR OPTIONAL CODE 784304001
9.522(04) RIPPER (V.P.) LIFT CYLINDERS PIPING OPTIONAL CODE 784304001
9.522(05) RIPPER (V.P.) LIFT CYLINDERS OPTIONAL CODE 784304001
9.522(06) RIPPER (V.P.) RIPPER SHANK OPTIONAL CODE 784304001
9.522(07) RIPPER (V.P.) OPTIONAL CODE 784304001
9.522(08) RIPPER (V.P.) OPTIONAL CODE 784304001
9.560(01) DRSWBAR H.D. OPTIONAL CODE 784256021
9.561(01) TOW HOOK OPTIONAL CODE 774114031
9.623(01) SOUND SUPPRESSION OPTIONAL CODE 784100071
9.623(02) SOUND SUPPRESSION OPTIONAL CODE 784100071
9.651(01) OPERATOR’S COMPARTMENT OPTIONAL CODE 784311011
9.651(02) OPERATOR’S COMPARTMENT OPTIONAL CODE 784311011
9.651(03) OPERATOR’S COMPARTMENT OPTIONAL CODE 784311011
9.651(04) OPERATOR’S COMPARTMENT OPTIONAL CODE 784311011
9.651(05) OPERATOR’S COMPARTMENT OPTIONAL CODE 784311011
9.651(06) OPERATOR’S COMPARTMENT OPTIONAL CODE 784311011
9.651(07) OPERATOR’S COMPARTMENT OPTIONAL CODE 784311011
9.651(08) OPERATOR’S COMPARTMENT OPTIONAL CODE 784311011
9.651(09) OPERATOR’S COMPARTMENT OPTIONAL CODE 784311011
9.651(10) ROPS CAB ELECTRICAL SYSTEM OPTIONAL CODE 784311011
9.651(10A) ROPS CAB ELECTRICAL SYSTEM OPTIONAL CODE 784311011
9.651(11) OPERATOR’S COMPARTMENT OPTIONAL CODE 784311011
9.651(12) OPERATOR’S COMPARTMENT OPTIONAL CODE 784311011
9.651(13) OPERATOR’S COMPARTMENT OPTIONAL CODE 784311011
9.651(14) OPERATOR’S COMPARTMENT OPTIONAL CODE 784311011
9.651(15) OPERAROR’S COMPARTMENT OPTIONAL CODE 784311011
9.651(16) OPERATOR’S COMPARTMENT OPTIONAL CODE 784311011
9.652(01) ROPS CAB OPTIONAL CODE 784109211
9.652(02) ROPS CAB OPTIONAL CODE 784109211
9.652(03) ROPS CAB OPTIONAL CODE 784109211
9.652(04) ROPS CAB OPTIONAL CODE 784109211
9.652(05) ROPS CAB DECAL OPTIONAL CODE 784109211
9.652(06) ROPS CAB OPTIONAL CODE 784109211
9.652(07) ROPS CAB GLASS PLATES OPTIONAL CODE 784109211
9.652(08) ROPS CAB DOOR OPTIONAL CODE 784109211
9.652(09) ROPS CAB DOOR OPTIONAL CODE 784109211
9.652(10) ROPS CAB DOOR OPTIONAL CODE 784109211
9.652(11) ROPS CAB WINDOW OPTIONAL CODE 784109211
9.652(12) ROPS CAB FRONT WINDSHIELD WIPER OPTIONAL CODE 784109211
9.652(13) ROPS CAB REAR WINDSHIELD WIPER OPTIONAL CODE 784109211
9.652(14) ROPS CAB ELECTRICAL SYSTEM OPTIONAL CODE 784109211
9.652(14A) ROPS CAB ELECTRICAL SYSTEM OPTIONAL CODE 784109211
9.652(15) ROPS CAB FLOODLIGHT OPTIONAL CODE 784109211
9.652(16) ROPS CAB ELECTRIC COMPONENTS OPTIONAL CODE 784109211
9.652(17) ROPS CAB COVERING OPTIONAL CODE 784109211
9.652(18) ROPS CAB COVERING OPTIONAL CODE 784109211
9.652(19) ROPS CAB COVERING OPTIONAL CODE 784109211
9.652(20) ROPS CAB OPTIONAL CODE 784109211
9.652(21) ROPS CAB DASHBOARD OPTIONAL CODE 784109211
9.652(22) ROPS CAB OPTIONAL CODE 784109211
9.652(24) ROPS CAB OPTIONAL CODE 784109211
9.652(25) ROPS CAB OPTIONAL CODE 784109211
9.652(26) ROPS CAB COMPONENTS OPTIONAL CODE 784109211
9.652(27) ROPS CAB WITH OPTIONAL CODE 784109211
9.652(28) ROPS CAB SHROUD OPTIONAL CODE 784109211
9.652(29) ROPS CAB OPTIONAL CODE 784109211
9.652(30) ROPS CAB OPTIONAL CODE 784109211
9.652(31) ROPS CAB OPTIONAL CODE 784109211
9.652(32) ROPS CAB OPTIONAL CODE 784109211
9.653(01) ROPS CAB WITH CONDITIONER OPTIONAL CODE 784110261
9.653(01) ROPS CAB WITH CONDITIONER OPTIONAL CODE 784110261
9.653(02) ROPS CAB WITH CONDITIONER OPTIONAL CODE 784110261
9.653(03) AIR CONDITIONING COMPRESSOR OPTIONAL CODE 784110261
9.653(04) ROPS CAB WITH CONDITIONER OPTIONAL CODE 784110261
9.653(05) ROPS CAB WITH CONDITIONER OPTIONAL CODE 76069252
9.653(06) ROPS CAB WITH CONDITIONER OPTIONAL CODE 784110261
9.653(07) ROPS CAB WITH CONDITIONER OPTIONAL CODE 784110261
9.653(08) ROPS CAB WITH CONDITIONER OPTIONAL CODE 784110261
9.653(09) ROPS CAB WITH CONDITIONER OPTIONAL CODE 784110261
9.704(01) SAE BATTERIES PROVISION OPTIONAL CODE 774307001
9.720(01) RADIO OPTIONAL CODE 784125001
9.722(01) VERSION LANDFILL OPTIONAL CODE 784297011
9.770(01) FIRE EXTINGUISHER OPTIONAL CODE 774324001
9.780(01) DECALS (ENGLISH) OPTIONAL CODE 784138241
0 VERSION(00) IDENTIFICATION AND VERSION LIST
1
2
2
3
3
4
5
6
6
6
7
8
10
11
12
13
14
15
16
16
17
17
18
19
20
20
21
22
23
24
25
26
27
Позиция на иллюстрации
Заводской номер детали
Название детали
1
76069902
Поперечная балка
2
76069872
Распорка
3
87313354
Втулка
4
87313356
Штифт
5
16163131
Болт
6
14496731
WASHER
7
12577521
Гайка
8
76069827
Шарнир
10
16043431
Винт
11
76069824
Штифт
12
76095052
Втулка
13
76095051
Втулка
14
76079331
Крышка
15
76069850
Крышка
16
11112431
Винт
17
13407211
NIPPLE, LUBE, M10x1
18
14496531
WASHER, M8x17x1.6
19
76079333
Кольцо
20
8291995
Уплотнительное кольцо
21
76069871
Втулка
22
76095053
Прокладка
23
76095056
Уплотнительное кольцо
24
70917013
Колено
25
L54694
Шланг
26
70912808
Шприц-масленка
27
70933010
Гайка
Содержащиеся в справочниках-каталогах запасные части и детали не предлагаются к продаже, а носят исключительно информационный характер
Дополнительная информация
×
Название:
Номер:
Примечание: