Вернуться на главную
Поиск
Каталоги запчастей к технике
Спецтехника
New Holland
Бульдозер D255
TILT CYLINDER FRONT IMPLEMENT OPTIONAL CODE 76030395
Каталог запасных частей к технике: New Holland Бульдозер D255. TILT CYLINDER FRONT IMPLEMENT OPTIONAL CODE 76030395
zoom-in
zoom-out
enlarge
shrink
circle-right
circle-left
file-text2
info
cart
Тип техники
Не выбрано
Легковые автомобили
Грузовые автомобили и прицепы
Автобусы
Сельхозтехника
Спецтехника
Двигатели
Мототехника
Марка
Не выбрано
Ammann
BOMAG
CARMIX
CASE IH
Changlin
ChengGong
Dimex
Doosan
DYNAPAC
Foton
HAMM
Hidromek
Hitachi
Hyundai
JCB
JLG
John Deere
Komatsu
LIEBHERR
LiuGong
Lonking (LongGong)
Luneng
MANITOU
Mitsuber
New Holland
PENGPU
RM-Terex
SANY
SDLG
SEM
Shantui
Shehwa HBXG
Soosan
TIGARBO
VOGELE
Volvo
WAY
WIRTGEN
XCMG
XGMA
Xiamen
YTO
Yuchai
Zoomlion
Автокран
АЗСМ
Алтайлесмаш
Амкодор
АОМЗ
Атек
АТЗ
Балканкар Рекорд
БелАЗ
Беловеж
Борекс
Брянский Арсенал
Булат
ВЭКС
ГАЗ
Геомаш
Гидромаш
Донекс
Дормаш
Дормашина
Дорэлектромаш
ДЭЗ
ЕлАЗ
ЗЗГТ
Ижнефтемаш
Канаш-электрокар
КЗКТ
ККЗ
Клевер
Клинцовский автокрановый завод
КМЗ
КМЗ 1 Мая
Ковровец
Коммаш
Кранэкс
КЭЗ
КЭМЗ
ЛЗА
МАЗ
МЗИК
МЗКМ
МЗКТ
Михневский РМЗ
МоАЗ
Мозырский МЗ
МТЗ
ОЗП
Онежец
ПАО "ТЗА"
ППС Детва
Промтрактор
ПТЗ
Раскат
СпецАгрегат
ТВЭКС
ТТМ
УВЗ
Угличмаш
УЗТМ
ХТЗ
ЧЗКМ
ЧСДМ
ЧТЗ
ЭКСКО
ЭКСМАШ
ЮрМаш
Модель
Не выбрано
Бульдозер D150B TIER-3 (2010)
Бульдозер D180 TIER-3 (2010)
Бульдозер D255 (2010)
Бульдозер D350 (2010)
Бульдозер D95B Tier 3 (2012)
Экскаватор B115B (часть 1) (2010)
Экскаватор B115B (часть 2) (2010)
Экскаватор B90B (часть 1) (2012)
Экскаватор B90B (часть 2) (2012)
Экскаватор B90B (часть 3) (2012)
Экскаватор E305B (2008)
Экскаватор LB110B (часть 1) (2010)
Экскаватор LB110B (часть 2) (2010)
Схема
>
Не выбрано
HOODS
HOODS
HOODS
HOODS
HOODS
HOODS LOCK
SUPPORT ROPS
SUPPORT ROPS
SUPPORT ROPS
BOTTOM GUARDS
HYDRAULIC JACK
UNIT TORQUE CONVERTER
UNIT TORQUE CONVERTER
UNIT TORQUE CONVERTER
TORQUE CONVERTER COMPONENTS
TORQUE CONVERTER COMPONENTS
TRANSMISSIONCONVERTER PUMPCOMPONENTS
TRANSMISSIONCONVERTER PUMPCOMPONENTS
UNIT TORQUE CONVERTER VALVE
DRIVE SHAFT
TRANSMISSION
TRANSMISSION CASE COMPONENTS
TRANSMISSION CASE COMPONENTS
TRANSMISSION COMPONENTS
TRANSMISSION COMPONENTS
TRANSMISSION COMPONENTS
TRANSMISSION COMPONENTS
TRANSMISSION COMPONENTS
TRANSMISSION COMPONENTS
TRANSMISSION COMPONENTS
TRANSMISSION PIPING
TRANSMISSION PIPING
TRANSMISSION CONTROL VALVE
TRANSMISSION CONTROL VALVE
TRANSMISSION LUBRIFICATION SYSTEM
TRANSMISSION LUBRICATION SYSTEM
TRANSMISSION LUBRICATION SYSTEM
TRANSMISSION OUTER CONTROLS
TRANSMISSION OUTER CONTROLS
TRANSMISSION OUTER CONTROLS
TRANSMISSION OUTER CONTR. MANIPULATOR
TRANSMISS. OUTER CONTR.DIVERTER VALVE
TRANSMISSION OUTER CONTR. VALVE
REAR TRANSMISSION CASE
REAR TRANSMISSION CASE
REAR TRANSMISSION CASE
REAR TRANSMISSION CASE
FINAL DRIVE
STEERING CLUTCHES
STEERING CLUTCHES
REAR TRANSMISSION
REAR TRANSMISSION BRAKES
REAR TRANSMISSION BRAKES
REAR TRANSMISSION BRAKES
REAR TRANSMISSION VALVE
REAR TRANSMISSION CONTROL VALVE
REAR TRANSMISSION CONTROL VALVE
REAR TRANSMISSION CONTROL VALVE
ENGINE
CRANKCASE
CRANKCASE
ENGINE OIL SUMP
CRANKCASE COVERS
CRANKCASE COVERS
CRANKCASE COVERS
CRANKCASE COVERS ENGINE
BREATHER ENGINE
CYLINDER HEAD
CYLINDER HEAD
CYLINDER HEAD
INTAKE MANIFOLD
EXHAUST MANIFOLD
CRANKSHAFT
CONNECTING ROD
PISTON ENGINE
FLYWHEEL ENGINE
DAMPER
PULLEY CRANKSHAFT
CAMSHAFT TIMING CONTROL
INJECTION PUMP
INJECTION PUMP
ENGINE STOP
INJECTION EQUIPMENT PIPING
INJECTION EQUIPMENT PIPING
FUEL FILTER
FUEL FILTER
FUEL PUMP
PIPING FUEL
PIPING FUEL
TURBOCHARGER
TURBOCHARGER PIPING
ENGINE OIL DIPSTICK
OIL PUMP ENGINE
HEAT EXCHANGER OIL FILTER
PIPING ENGINE OIL
WATER PUMP
PIPING ENGINE COOLING SYSTEM
PIPING ENGINE COOLING SYSTEM
PIPING ENGINE COOLING SYSTEM
THERMOSTAT ENGINE COOLING SYSTEM
FAN DRIVE
FAN DRIVE
STARTER MOTOR
ALTERNATOR
HOOKS ENGINE
ENGINE RELATED PARTS
ENGINE RELATED PARTS
ENGINE RELATED PARTS
FAN ENGINE
PIPING FUEL
ENGINE RELATED PARTS
SUSPENSION ENGINE
FUEL AND OIL TANK
FUEL AND OIL TANK
FUEL AND OIL TANK
FUEL AND OIL TANK
FUEL AND OIL TANK LOCK
THROTTLE CONTROL
THROTTLE CONTROL
MUFFLER
AIR CLEANER
AIR CLEANER ENGINE
ENGINE COOLING SYSTEM WATER RADIATOR
ENGINE COOLING SYSTEM
ENGINE COOLING SYSTEM PIPING
ENGINE COOLING SYSTEM PIPING
ENGINE COOLING SYSTEM HEAT EXCHANGER
WATER RADIATOR COMPONENTS
MAINTENANCE PARTS
IDENTIFICATION AND VERSION LIST
AIR CLEANER DONALDSON
HYDRAULIC SYSTEM PIPING
HYDRAULIC SYSTEM PIPING
HYDRAULIC SYSTEM PIPING
EQUIPMENT PUMP
EQUIPMENT CONTROL VALVE
3 SPOOL VALVE COMPONENTS
3 SPOOL VALVE COMPONENTS
3 SPOOL VALVE COMPONENTS
3 SPOOL VALVE COMPONENTS
CONTROL VALVE LINKAGE
CONTROL VALVE LINKAGE
CONTROL VALVE LINKAGE
LIFT CYLINDERS PIPING
LIFT CYLINDERS PIPING
FRONT IMPLEMENT LIFT CYLINDERS
LIFT CYLINDERS FRONT IMPLEMENT
SUPPORT FRONT IMPLEMENT
MAIN FRAME
PIPING HYDRAULIC TILT
REAR EQUIPMENT PIPING
TOW HOOK
BATTERY SEAT AND SUPPORT
BATTERY SEAT AND SUPPORT
BATTERY STARTING CABLES
ELECTRICAL SYSTEM ELECTRIC WIRING
ELECTRICAL SYSTEM ELECTRIC WIRING
ELECTRICAL SYSTEM ELECTRIC WIRING
ELECTRIC COMPONENTS DASHBOARD
ELECTRIC COMPONENTS
ELECTRIC COMPONENTS
ELECTRIC COMPONENTS
ELECTRIC COMPONENTS
ELECTRIC COMPONENTS
BACKUP ALARM
BACKUP ALARM
DASHBOARD
TOOLS KIT
TOOLS KIT
TRADE MARKS
BRAKE CONTROLS STEERING CLUTCH
BRAKE CONTROLS STEERING CLUTCH
BRAKE CONTROLS STEERING CLUTCH
BRAKE CONTROLS STEERING CLUTCH
BRAKE CONTROLS STEERING CLUTCH
BRAKE CONTROLS STEERING CLUTCH
BRAKE CONTROLS STEERING CLUTCH
STEERING CONNECTING PIPING
STEERING CONNECTING PIPING
STEERING CONNECTING PIPING
STEERING CONNECTING PIPING
STEERING CONTROL OIL FILTER C4278
TRACK FRAME
TRACK ROLLERS
TRACK ROLLERS
TRACK IDLER
TRACK IDLER
TRACK CARRIER ROLLER
TRACK GUARDS
TRACK FRONT SUSPENSION
SAND SCREEN OPTIONAL CODE 784105021
SAND SCREEN OPTIONAL CODE 784130001
TRACK CHAIN SHOES HD (L=550MM) OPTIONAL CODE 784144001
SALT TRACK CHAIN SHOES (1GR.L=550MM) HD OPTIONAL CODE 784124051
SALT TRACK CHAIN SHOES (1GR.L=600MM) HD OPTIONAL CODE 784132011
SALT TRACK CHAIN SHOES (1GR.L=700MM) OPTIONAL CODE 784340001
BULLDOZER SEMIU MOLDBOARD (HSU) OPTIONAL CODE 774103011
PUSHBEAMS AND STRUTS (HSU) OPTIONAL CODE 76026283
PUSHBEAMS AND STRUTS (HSU) OPTIONAL CODE 76026283
SEMIU MOLDBOARD (HSU) OPTIONAL CODE 76029760
TILT CYLINDER FRONT IMPLEMENT OPTIONAL CODE 76030395
TILT CYLINDER FRONT IMPLEMENT OPTIONAL CODE 76030395 BSN 0050000562
TILT CYLINDER FRONT IMPLEMENT OPTIONAL CODE 76030395 ASN 0050000561
CFRAME HYDRAULIC TILT OPTIONAL CODE 76035625
CFRAME HYDRAULIC TILT OPTIONAL CODE 76035625
STRUTS MECHANIC TILT OPTIONAL CODE 76035556
ANGLEDOZER (HA) MECHANIC TILT OPTIONAL CODE 774150001
ANGLEDOZER (HA) HYDRAULIC TILT OPTIONAL CODE 774151001
HYDRAULIC TILT ANGLEDOZER (HA) OPTIONAL CODE 76035621
HYDRAULIC TILT ANGLEDOZER (HA) OPTIONAL CODE 76035621
HYDRAULIC TILT ANGLEDOZER (HA) OPTIONAL CODE 76035621
HYDRAULIC TILT ANGLEDOZER (HA) OPTIONAL CODE 76035621
ANGLE MOLDBOARD (HA) ANGLEDOZER (HA) OPTIONAL CODE 76026849
ANGLEDOZER (HA) HYDRAULIC TILT OPTIONAL CODE 774314001
HYDRAULIC TILT ANGLEDOZER (HA) OPTIONAL CODE 76078427
PIPING (HA) HYDRAULIC TILT OPTIONAL CODE 76078427
HYDRAULIC TILT ANGLEDOZER (HA) OPTIONAL CODE 76078427
HYDRAULIC TILT ANGLEDOZER (HA) OPTIONAL CODE 76078427
HYDRAULIC TILT (HA) CHECK VALVE OPTIONAL CODE 76078427
RIPPER (PD) OPTIONAL CODE 784115081
RIPPER (PD) FRAME OPTIONAL CODE 784115081
RIPPER (PD) LIFT CYLINDERS PIPING OPTIONAL CODE 784115081
RIPPER (PD) CYLINDER OPTIONAL CODE 784115081
RIPPER SHANK OPTIONAL CODE 784115081
SOUND SUPPRESSION OPTIONAL CODE 784100081
ROPS WITH P.V.C. SEAT OPTIONAL CODE 784129031
ROPS WITH P.V.C. SEAT OPTIONAL CODE 784129031
ROPS WITH P.V.C. SEAT OPTIONAL CODE 784129031
ROPS WITH P.V.C. SEAT OPTIONAL CODE 784129031
ROPS WITH P.V.C. SEAT OPTIONAL CODE 784129031
ROPS WITH P.V.C. SEAT OPTIONAL CODE 784129031
ROPS CAB OPTIONAL CODE 784133051
ROPS CAB DASHBOARD OPTIONAL CODE 784133051
ROPS CAB WINDSHIELD WASHER OPTIONAL CODE 784133051
ROPS CAB OPTIONAL CODE 784133051
ROPS CAB FRONT WINDSHIELD WIPER OPTIONAL CODE 784133051
ROPS CAB FRONT WINDSHIELD WIPER OPTIONAL CODE 784133051
ROPS CAB GLASS PLATES OPTIONAL CODE 784133051
ROPS CAB DOOR OPTIONAL CODE 784133051
ROPS CAB LOCK OPTIONAL CODE 784133051
ROPS CAB COVERING OPTIONAL CODE 784133051
ROPS CAB AIR CLEANER OPTIONAL CODE 784133051
ROPS CAB SHROUD OPTIONAL CODE 784133051
ROPS CAB OPTIONAL CODE 784133051
ROPS CAB WINDSHIELD WIPER OPTIONAL CODE 784133051
ROPS CAB WINDSHIELD WIPER OPTIONAL CODE 784133051
ROPS CAB REAR WINDSHIELD WIPER OPTIONAL CODE 784133051
ROPS CAB ELECTRICAL SYSTEM OPTIONAL CODE 784133051
ROPS CAB FLOODLIGHT OPTIONAL CODE 784133051
ROPS CAB DECAL OPTIONAL CODE 784133051
ROPS CAB SUPENSION SEAT OPTIONAL CODE 784133051
HEATER OPTIONAL CODE 784134011
HEATER PIPING OPTIONAL CODE 784134011
AIR CONDITIONING OPTIONAL CODE 784135031
AIR CONDITIONING PIPING OPTIONAL CODE 784135031
AIR CONDITIONING PIPING OPTIONAL CODE 784135031
AIR CONDITIONING ELECTRICAL SYSTEM OPTIONAL CODE 784135031
AIR CONDITIONING CONDENSER OPTIONAL CODE 784135031
AIR CONDITIONING FILTER OPTIONAL CODE 784135031
AIR CONDITIONING HEATER OPTIONAL CODE 784135031
AIR CONDITIONING CONDENSER OPTIONAL CODE 784135031
AIR CONDITIONING CONDENSER OPTIONAL CODE 784135031
DIAGNOSTIC SYSTEM OPTIONAL CODE 784136001
FUEL TRANSFER PUMP OPTIONAL CODE 76073297
FIRE EXTINGUISHER OPTIONAL CODE 784147001
FIRE EXTINGUISHER OPTIONAL CODE 780100001
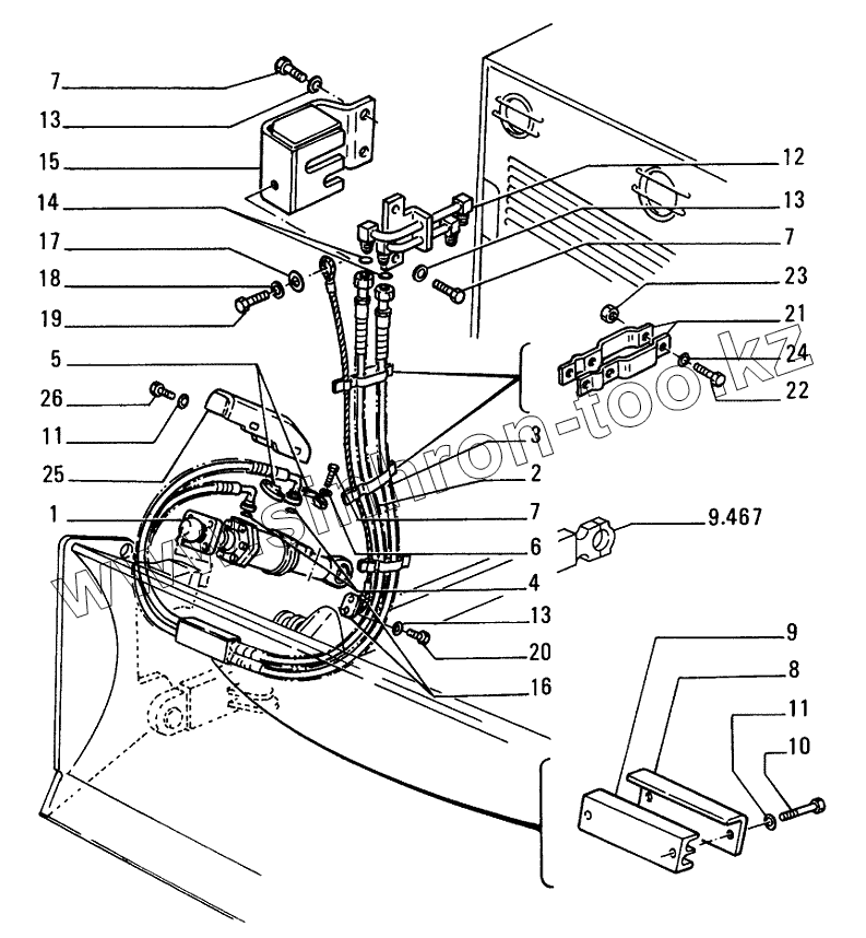
1
1
1
2
3
4
5
6
7
7
7
8
9
10
11
11
12
13
13
13
14
15
16
17
18
19
20
21
22
23
24
25
25
25
26
Позиция на иллюстрации
Заводской номер детали
Название детали
1
84278537
Рабочий цилиндр
1
76041031
Рабочий цилиндр
2
76041437
Гибкий шланг
3
76041438
Гибкий шланг
4
70924110
Уплотнительное кольцо
5
70921115
Полуфланец
6
70930370
Плоская шайба
7
11106431
Винт
8
76030349
Колодка
9
76030348
Кожух
10
11113631
Винт
11
14496731
WASHER
12
76030337
Кронштейн
13
14496631
WASHER, M10x21x2
14
70930357
Уплотнительное кольцо
15
76030359
Ограждение
16
76030354
Кабель
17
76030360
Распорка
18
70929699
Плоская шайба
19
11118731
Болт
20
11106231
Болт
21
76030355
Кронштейн
22
10977931
Болт
23
12574121
Контргайка
24
10519301
WASHER, M5x9.55x1
25
76033336
Ограждение
25
84280994
Ограждение
26
11112431
Винт
Содержащиеся в справочниках-каталогах запасные части и детали не предлагаются к продаже, а носят исключительно информационный характер
Дополнительная информация
×
Название:
Номер:
Примечание: