Вернуться на главную
Поиск
Каталоги запчастей к технике
Спецтехника
New Holland
Бульдозер D150B TIER-3
HARNESS, PUMP AND MOTORS
Каталог запасных частей к технике: New Holland Бульдозер D150B TIER-3. HARNESS, PUMP AND MOTORS
zoom-in
zoom-out
enlarge
shrink
circle-right
circle-left
file-text2
info
cart
Тип техники
Не выбрано
Легковые автомобили
Грузовые автомобили и прицепы
Автобусы
Сельхозтехника
Спецтехника
Двигатели
Мототехника
Марка
Не выбрано
Ammann
BOMAG
CARMIX
CASE IH
Changlin
ChengGong
Dimex
Doosan
DYNAPAC
Foton
HAMM
Hidromek
Hitachi
Hyundai
JCB
JLG
John Deere
Komatsu
LIEBHERR
LiuGong
Lonking (LongGong)
Luneng
MANITOU
Mitsuber
New Holland
PENGPU
RM-Terex
SANY
SDLG
SEM
Shantui
Shehwa HBXG
Soosan
TIGARBO
VOGELE
Volvo
WAY
WIRTGEN
XCMG
XGMA
Xiamen
YTO
Yuchai
Zoomlion
Автокран
АЗСМ
Алтайлесмаш
Амкодор
АОМЗ
Атек
АТЗ
Балканкар Рекорд
БелАЗ
Беловеж
Борекс
Брянский Арсенал
Булат
ВЭКС
ГАЗ
Геомаш
Гидромаш
Донекс
Дормаш
Дормашина
Дорэлектромаш
ДЭЗ
ЕлАЗ
ЗЗГТ
Ижнефтемаш
Канаш-электрокар
КЗКТ
ККЗ
Клевер
Клинцовский автокрановый завод
КМЗ
КМЗ 1 Мая
Ковровец
Коммаш
Кранэкс
КЭЗ
КЭМЗ
ЛЗА
МАЗ
МЗИК
МЗКМ
МЗКТ
Михневский РМЗ
МоАЗ
Мозырский МЗ
МТЗ
ОЗП
Онежец
ПАО "ТЗА"
ППС Детва
Промтрактор
ПТЗ
Раскат
СпецАгрегат
ТВЭКС
ТТМ
УВЗ
Угличмаш
УЗТМ
ХТЗ
ЧЗКМ
ЧСДМ
ЧТЗ
ЭКСКО
ЭКСМАШ
ЮрМаш
Модель
Не выбрано
Бульдозер D150B TIER-3 (2010)
Бульдозер D180 TIER-3 (2010)
Бульдозер D255 (2010)
Бульдозер D350 (2010)
Бульдозер D95B Tier 3 (2012)
Экскаватор B115B (часть 1) (2010)
Экскаватор B115B (часть 2) (2010)
Экскаватор B90B (часть 1) (2012)
Экскаватор B90B (часть 2) (2012)
Экскаватор B90B (часть 3) (2012)
Экскаватор E305B (2008)
Экскаватор LB110B (часть 1) (2010)
Экскаватор LB110B (часть 2) (2010)
Схема
>
Не выбрано
ФИЛЬТРЫ
FAN FAN BELT
RADIATOR/OIL COOLER MOUNTING
RADIATOR/OIL COOLER ASSY
COOLANT RECOVERY SYSTEM
AIR CLEANER MOUNTING
AIR CLEANER ASSY
MUFFLER EXHAUST SYSTEM
ENGINE MOUNTING
ENGINE, DIPSTICK
ENGINE
OIL PUMP ENGINE
OIL FILTER ENGINE
OIL FILTER AND COOLER
OIL PUMP, PAN
WATER PUMP
WATER PUMP CONTROL
THERMOSTAT ENGINE COOLING SYSTEM
CYLINDER BLOCK MAIN BEARINGS
CYLINDER BLOCK PLUGS AND PISTONS
CYLINDER BLOCK STIFFENER PLATE
FLYWHEEL HOUSING
GEAR COVER REAR HOUSING
FRONT GEAR COVER
GEAR COVER PLATE POWER TAKE OFF
CYLINDER HEAD COVERS
CYLINDER HEAD VALVE MECHANISM
CYLINDER HEAD
INTAKE MANIFOLD
MANIFOLD EXHAUST
CAMSHAFT
CRANKSHAFT
CRANKSHAFT PULLEY
FLYWHEEL ENGINE
CONNECTING ROD
PISTONS
BREATHER ENGINE
COOLING SYSTEM ENGINE
FAN DRIVE
TURBOCHARGER SYSTEM
TURBOCHARGER DRAIN LINE
ENGINE LIFT HOOKS
TURBOCHARGER
FUEL TANK
FUEL LINES
FUEL INJECTION PUMP
FUEL INJECTION SYSTEM INJECTOR
FUEL INJECTION TUBES
FUEL INJECTION SYSTEM MODULE, ENGINE CONTROL
HARNESS, ENGINE ELECTRONIC CONTROL MODULE
FUEL INJECTION SYSTEM
FUEL INJECTION SYSTEM DRAIN LINE
FUEL FILTER
NEF УСТАНОВКА ДВИГАТЕЛЯ
MOUNTING PUMP, HYDROSTATIC TANDEM AND DRIVESHAFT
HYDROSTATICS PUMP, TANDEM SUPPLY AND RETURN TO FILTER
HYDROSTATICS MOTOR, DRIVE
DIAGNOSTIC LINES
FINAL DRIVE MOUNTING
FINAL DRIVE ASSEMBLY
PLANETARY, FINAL DRIVE ASSEMBLY
FILTER ASSY
CONTROLS, FORWARD AND REVERSE
HYDROSTATIC MOTOR
HYDROSTATIC MOTOR
PUMP ASSEMBLY, TANDEM
PUMP ASSEMBLY, TANDEM
PUMP ASSEMBLY, TANDEM
STARTER MOUNTING
ALTERNATOR MOUNTING
ALTERNATOR ASSEMBLY
BATTERY, DUAL
HARNESS, ENGINE (RIGHTHAND SIDE) ALTERNATOR / STARTER
HARNESS, ENGINE (LEFTHAND SIDE AND REAR)
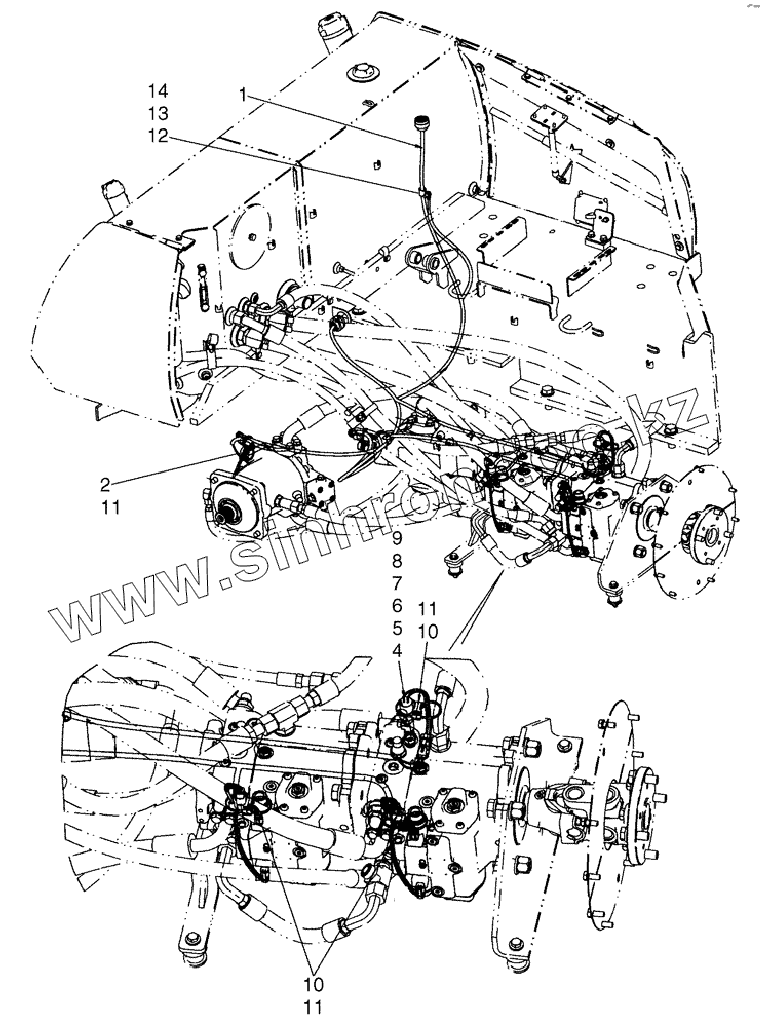
HARNESS, PUMP AND MOTORS
HARNESS, EQUIPMENT CONTROL & MASTER DISCONNECT SWITCH
THROTTLE, ELECTRIC
BLADE CONTROL, ELECTRIC
BLADE CONTROL, WITHOUT TWIST
RIPPER CONTROL, ELECTRIC
HARNESS, FRONT CONSOLE AND SWITCHES CANOPY, ROPS
HARNESS, FRONT CONSOLE AND SWITCHES CAB
HARNESS, MICROCONTROLLER
HARNESS, CAB/CANOPY
CONSOLE, FRONT CANOPY, ROPS
CONSOLE, FRONT CAB
HARNESS, LAMP CAB
HARNESS, LAMP CANOPY, ROPS (W/ SHROUD CONNECTORS)
ALARM, BACKUP HORN
GRID HEATER CABLES
WIPER, FRONT CAB
WIPER, REAR CAB
RESERVOIR, HYDRAULIC COVERS
HYDRAULICS, EQUIPMENT (WITHOUT PTO) RESERVOIR TO PUMP AND CONTROL VALVE
HYDRAULICS, EQUIPMENT (WITH PTO) RESERVOIR TO PUMP AND CONTROL VALVE
HYDRAULICS, EQUIPMENT CONTROL VALVE TO THERMAL BYPASS VALVE AND FILTER
HYDRAULICS LIFT CIRCUIT MOUNTING (AT VALVE TO LIFT CYLINDER) (LT XLT LGP MODELS)
HYDRAULICS LIFT CIRCUIT MOUNTING (AT VALVE TO LIFT CYLINDER) (BD MODELS)
HYDRAULICS TILT CIRCUITS (AT VALVE TO TILT CYLINDER)
HYDRAULICS ANGLE CIRCUITS (AT VALVE TO ANGLE CYLINDERS)
HYDRAULICS RIPPER, VALVE TO REAR OF TRACTOR
HYDRAULICS RIPPER, REAR OF TRACTOR TO CYLINDERS
HYDRAULICS ACCUMULATOR BLADE CONTROL
VALVE ASSEMBLY, THERMAL BYPASS
PUMP ASSY, HYDRAULIC GEAR (WITHOUT PTO)
PUMP ASSY, HYDRAULIC GEAR (WITH PTO)
VALVE, CONTROL MOUNTING
VALVE ASSY CONTROL, THREE SPOOL
VALVE ASSY, THREE SPOOL SPOOL
VALVE ASSY, THREE SPOOL, SECTION, ANGLE
VALVE ASSY CONTROL, FOUR SPOOL
VALVE ASSY, FOUR SPOOL SPOOL
VALVE ASSY, FOUR SPOOL SECTION, ANGLE
VALVE ASSY, FOUR SPOOL SECTION, RIPPER
CYLINDER ASSY LIFT
CYLINDER ASSY. TILT
CYLINDER ASSY TILT BD
CYLINDER ASSY. ANGLE (LT & XLT)
CYLINDER ASSY. ANGLE (LGP)
CYLINDER ASSY RIPPER
FRAME, LIFT CYLINDERS, MOUNTING
FRAME, LIFT CYLINDERS, MOUNTING BD
FRAME, LIFT TIE RODS
DOZER BLADE MOUNTING
DOZER BLADE MOUNTING BD
BLADE, DOZER EDGES, CUTTING LT
BLADE, DOZER EDGES, CUTTING XLT
BLADE, DOZER EDGES, CUTTING LGP
BLADE, DOZER EDGES, CUTTING LGP (SERIAL NO. NBDC15003 AND EARLIER)
BLADE, DOZER HS BD
BLADE, DOZER HSU BD
BLADE, DOZER EDGES, CUTTING LGP (SERIAL NO. NBDC15004 AND LATER)
RIPPER
COUNTERWEIGHT, REAR
DRAWBAR RETRIEVAL HITCH
FRAME, MAIN AND FINAL DRIVE BOX AND COVERS
SHAFT, PIVOT
MOUNTING FUEL TANK/HYDRAULIC RESERVOIR & FRAME, UPPER
DOOR, REAR TANK, HYDRAULIC OIL
DOORS, REAR
HOOD AND FIREWALL
SIDE PANELS
NOISE CONTROL
NOISE REDUCTION
GUARD, RADIATOR BRUSH SCREEN GRILL
SEAT ASSY, MECHANICAL SUSPENSION MOUNTING
SEAT ASSY, MECHANICAL SUSPENSION
SEAT ASSY, AIR SUSPENSION MOUNTING
SEAT ASSY, AIR SUSPENSION
CANOPY, ROPS FRAME, MOUNTING AND GRAB HANDLES
CANOPY, ROPS HEADLINER, FLOORMAT AND MIRROR
CANOPY, ROPS ARMRESTS, TOOLBOX AND COVERS
CANOPY, ROPS CONSOLES, SIDE
CANOPY, ROPS GUARD, BRUSH
CANOPY, ROPS SCREENS
CAB OR CANOPY TILT COMPONENTS
CAB FRAME, MOUNTING AND GRAB HANDLES
CAB MISCELLANEOUS COMPONENTS
CAB DOORS
CAB DOORS, MISCELLANEOUS COMPONENTS
CAB GLASS AND WINDOWS
CAB WINDOW VENTS HARDWARE
CAB CONSOLES, SIDE AND REAR
CAB COVERS, INTERIOR POSTS
CAB COVERS, INTERIOR ROOF AND FLOOR
CAB MIRROR, DOME LAMP, ANTENNA AND RADIO MOUNT
КАБИНА ОМЫВАТЕЛЬ ВЕТРОВОГО СТЕКЛА
КАБИНА ОМЫВАТЕЛЬ ВЕТРОВОГО СТЕКЛА
CAB HEATING SYSTEM
CAB HEATER AND AIR CONDITIONING
CAB AIR CONDITIONING COMPRESSOR
CAB AIR CONDITIONING CONDENSER
CAB SCREEN, REAR
DECALS
DECALS
DECALS
FRAME, TRACK ROLLER (LT MODELS)
FRAME, TRACK ROLLER (XLT & LGP MODELS)
IDLER RECOIL SYSTEM (LT MODELS)
IDLER RECOIL SYSTEM (XLT & LGP MODELS)
SPROCKET, TRACK
TRACK ADJUSTER
TRACK IDLER MOUNTING
TRACK ROLLER
TRACK GUARDS & GUIDES (LT MODELS)
TRACK GUARDS & GUIDES (XLT/LGP MODELS)
TRACK CHAIN, CASE LUBRICATED (CLT) CLOSED GROUSER LT MODELS, 22 INCH 40 LINK
TRACK CHAIN, CASE LUBRICATED (CLT) CLOSED GROUSER XLT/ WT/LGP MODELS, 22 INCH 45 LINK
TRACK CHAIN, CASE LUBRICATED (CLT) CLOSED GROUSER XLT/ WT/LGP MODELS, 24 INCH 45 LINK
TRACK CHAIN, CASE LUBRICATED (CLT) CLOSED GROUSER WT/LGP MODELS, 28 INCH 45 LINK
TRACK CHAIN, CASE LUBRICATED (CLT) CLOSED GROUSER LGP MODELS, 34 INCH 45 LINK
TRACK CHAIN, EXTENDED LIFE (CELT) OPEN GROUSER LT MODELS, 22 INCH 40 LINK
TRACK CHAIN, EXTENDED LIFE (CELT) OPEN GROUSER XLT/WT/LGP MODELS, 22 INCH 45 LINK
TRACK CHAIN, EXTENDED LIFE (CELT) OPEN GROUSER XLT/WT/LGP MODELS, 24 INCH 45 LINK
TRACK CHAIN, EXTENDED LIFE (CELT) OPEN GROUSER WT/LGP MODELS, 28 INCH 45 LINK
TRACK CHAIN, EXTENDED LIFE (CELT) OPEN GROUSER LGP MODELS, 34 INCH 45 LINK
SUSPENSION SYSTEM EQUALIZER BEAM
BRAKE PEDAL AND FOOTREST MOUNTING
PEDALS BRAKE AND DECELERATOR
ТОРМОЗНАЯ МАГИСТРАЛЬ (ЕСЛИ ИСПОЛЬЗУЕТСЯ)
ТОРМОЗНАЯ МАГИСТРАЛЬ (ЕСЛИ ИСПОЛЬЗУЕТСЯ)
BRAKE, PARKING/LOCKOUT LEVERS
1
2
4
5
6
7
8
9
10
10
11
11
11
12
13
14
Позиция на иллюстрации
Заводской номер детали
Название детали
1
87569872
Жгут проводов
2
86982400
Распорка
4
201-119
Фиттинг
5
237-6008
O-ring
6
238-6011
O-ring
7
201-421
Т-образная деталь
8
238-6011
O-ring
9
87403648
Датчик давления
10
86982400
Распорка
11
L11541
STRAP
12
515-24190
Clamp
13
614-10016
Болт
14
893-11010
Стопорная шайба
Содержащиеся в справочниках-каталогах запасные части и детали не предлагаются к продаже, а носят исключительно информационный характер
Дополнительная информация
×
Название:
Номер:
Примечание: